Automatické vyrovnávání citlivosti

Automatické vyrovnávání citlivosti (AVC), angl. Automatic Gain Control (AGC) nebo Automatic Volume Control (AVC), je systém používaný v mnoha elektronických zařízeních. Bez obvodu AVC by rozhlasové přijímače byly velmi citlivé na změny velikosti přijímaného signálu.
Hlavní parametry systému
- Dynamický rozsah – rozsah vstupního signálu (rozdíl mezi minimálním a maximálním signálem), pro který je výstupní signál v přijatelných mezích.
- Doba odezvy – rychlost, se kterou obvod reaguje na změnu velikosti vstupního signálu.
Způsoby řízení zisku

Při řízení zisku se zhusta využívají vlastnosti bipolárních či unipolárních tranzistorů, popř. diod. Často jde o změnu strmosti tranzistoru či o změnu dynamického odporu tranzistoru, popř. diody při změně pracovního bodu. Mezi nejčastější způsoby řízení patří:
- změna pracovního bodu tranzistoru,
- změna velikosti záporné zpětné vazby,
- změna dělicího poměru napěťového děliče,
- snížení jakosti rezonančního obvodu tlumením (používá se u vysokofrekvenčních obvodů).
Uplatnění v radiopřijímačích
Automatické vyrovnávání citlivosti vynalezl roku 1925 Harold Alden Wheeler a získal patent. Karl Küpfmüller zveřejnil výsledky analýzy těchto systémů roku 1928. Na počátku roku 1930 v podstatě všechny rozhlasové přijímače už měly automatické vyrovnávání citlivosti.
Velmi důležité jsou obvody AVC u radiopřijímačů určených pro příjem amplitudové modulace (AM). Intenzita přijímaného vysokofrekvenčního signálu se široce mění v závislosti na výkonu a vzdálenosti vysílače, popř. útlumu na cestě signálu. Obvod AVC v určitém rozsahu dopad změn úrovně přijímaného signálu eliminuje. Když se úroveň signálu zvyšuje, AVC snižuje zisk přijímače. AVC lze realizovat jak u superhetu, tak i u přijímače s přímým zesílením.
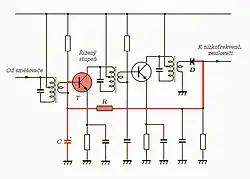
Demodulační dioda v demodulátoru přijímače produkuje stejnosměrné napětí úměrné velikosti signálu. Toto napětí může být po odfiltrování modulačního signálu přivedeno do některých částí přijímače a upravovat zisk podle velikosti signálu. AVC obvykle řídí zisk mezifrekvenčního zesilovače, popř. vysokofrekvenčního zesilovače v přijímači. Jednoduchý obvod AVC, ve své době často používaný u tranzistorových radiopřijímačů pro příjem AM signálů, je nakreslen na obr. 2. Principem činnosti je změna strmosti tranzistoru při změně jeho pracovního bodu.
Komunikační přijímače mívají složité systémy AVC, včetně zesilovačů regulačního napětí, samostatných detekčních diod pro AVC a různých časových konstant pro krátkovlnná pásma. AVC nasazuje při odlišných úrovních v různých částech přijímače, aby se zabránilo zkreslení a křížové modulaci. Návrh systému AVC má velký vliv na použitelnost přijímače, věrnost přednesu zvuku a chování při silných přijímaných signálech.
Přijímače pro příjem frekvenčně modulovaných signálů (FM) většinou obsahují v mezifrekvenční části omezovač amplitudy. Proto jsou relativně necitlivé na změny velikosti vstupního signálu. Přesto se v nich také často používají obvody AVC, aby se zabránilo zhoršení jejich vlastností při silných signálech.
Další uplatnění
Automatická regulace zisku se obvykle používá v modulátorech vysílačů, aby se zabránilo přemodulování a snížil dynamický rozsah signálu. Široké uplatnění má obvod v telefonii, kde zajišťuje téměř konstantní amplitudu signálu.
V nejjednodušším případě lze použít diodový omezovač, sestávající ze dvou antiparalelně zapojených diod, které omezí signál při překročení prahového napětí. Tento způsob je velmi jednoduchý, ale může způsobit vysoké zkreslení signálu.
Složitější obvod, určený pro analogovou telefonní síť, je na obr. 3. Vstupní signál přichází přes kondenzátor C1 na neinvertující vstup operačního zesilovače. Přes rezistor R4 a kondenzátor C2 se signál dostane na optočlen. Podle velikosti signálu se mění jas LED a v důsledku toho odpor fotorezistoru optočlenu. Tak dochází ke změně stupně záporné zpětné vazby, protože fotorezistor je připojen paralelně k jednomu ze zpětnovazebních rezistorů.
Reference
V tomto článku byl použit překlad textu z článku Automatic gain control na anglické Wikipedii.