Fotorezistor

Fotorezistor (dříve označován jako fotoodpor) je pasivní elektronická součástka bez PN přechodu, jejíž elektrický odpor se snižuje se zvyšující se intenzitou dopadajícího světla, resp. elektrická vodivost se zvyšuje.
Princip

Princip fotorezistoru je založen na vnitřním fotoelektrickém jevu: světlo (foton) narazí do elektronu ve valenční sféře a předá mu svoji energii, tím elektron získá dostatek energie k překonání zakázaného pásu a skočí z valenčního pásu do vodivostního. Tím opustí svůj atom a pohybuje se jako volný elektron prostorem krystalové mřížky. Na jeho místě vznikla díra (defektní elektron). Takto vzniklé volné elektrony přispívají ke snížení elektrického odporu (zvýšení elektrické vodivosti). Čím více světla na fotorezistor dopadá, tím vzniká více volných elektronů a zvyšuje se tím elektrická vodivost. Fotorezistor využívá svoji vlastní vodivost.
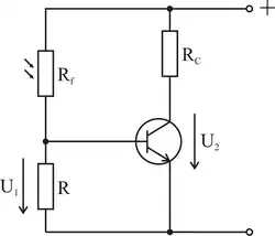
Popis obrázku
Napěťový dělič , je připojen k bázi tranzistoru tehdy, jestliže má být za tmy tranzistor zavřený. Napětí bude mnohem nižší než potřebné napětí pro bázi, protože fotorezistor má za tmy velký odpor. Osvětlením fotorezistoru odpor klesne a stoupne. Tranzistor se otevře, napětí na kolektoru bude menší než
Konstrukce fotorezistoru

Fotovodivé vrstvy je možné vytvářet třemi různými způsoby:
- metodou tlustých vrstev a sintrací
- použitím monokrystalu
- metodou tenkých vrstev
Ve starších konstrukcích se vyráběly fotorezistory ve skleněné baňce nebo ve větším plastovém pouzdře. Dnes se nejčastěji vyrábí s napařovanou vrstvou. Na křemíkovou nebo germaniovou destičku je nanesena vrstva kovu ve tvaru hrabiček. Je to do jisté míry přechod kov – polovodič. Vlivem osvětlení se mění vodivost mezi vodivými kovovými vložkami. Materiály často používané na výrobu fotoodporů jsou sulfid kademnatý (CdS) a sulfid olovnatý (PbS).
Vlastnosti

Odpor se zmenšuje v závislosti na intenzitě osvětlení přibližně logaritmicky (klesne většinou o několik řádů), ale do jisté míry jej lze velice dobře linearizovat. Grafem závislosti velikosti elektrického odporu na osvětlení je v logaritmickém měřítku přímka. V závislosti na typu použitého materiálu lze fotorezistorem detekovat jak viditelné, tak i ultrafialové a infračervené světlo. Podle použitého zdroje záření je nutné vybrat správný typ fotorezistoru. U fotorezistorů se udává citlivost. Citlivost je obecně vztah mezi intenzitou dopadajícího optického záření a výstupním signálem. Spektrální citlivost vyjadřuje závislost citlivosti materiálu fotorezistoru na vlnové délce optického záření. Fotorezisotry jsou silně teplotně závislé, při nižších velikostech osvětlení je teplotní závislost větší, teplotní závislost je také větší u vyšších vlnových délek. Jako u klasických rezistorů způsobuje teplota šum.
| Polovodič | Zakázané pásmo [eV] | Max. citlivost [nm] |
|---|---|---|
| Sulfid zinečnatý (ZnS) | 3,6 | 340 |
| Sulfid kademnatý (CdS) | 2,4 | 520 |
| Selenid kademnatý (CdSe) | 1,8 | 690 |
| Telurid kademnatý (CdTe) | 1,5 | 830 |
| Křemík (Si) | 1,12 | 1100 |
| Germanium (Ge) | 0,78 | 1580 |
| Sulfid olovnatý (PbS) | 0,37 | 3350 |
| Arsenid inditý (InAs) | 0,35 | 3540 |
| Telurid olovnatý (PbTe) | 0,27 | 4130 |
| Antimonid india (InSb) | 0,18 | 6900 |
Odpor fotorezistoru
- je velikost odporu pro osvětlení 10 lx při teplotě 25 °C
- (odpor za tmy) je minimální hodnota odporu měřená 5 sekund po přerušení osvětlení 10 lx
- maximální ztrátový výkon je největší přípustné zatížení při teplotě 25 °C
- maximální provozní napětí pro 25 °C, tuto hodnotu je možné na fotorezistor přiložit pouze za tmy
Rychlost odezvy
Fotorezistory mají poměrně pomalou odezvu na změnu osvětlení, která se mění s jeho intenzitou. Směrem k větším vlnovým délkám a s velikostí osvětlení se odezva fotorezistoru zrychluje. Rychlost odezvy závisí na použitém materiálu. Nejpomalejším materiálem pro fotorezistory je sulfid kademnatý (CdS) a nejrychlejší antimonid inditý (InSb). CdS má odezvu přibližně 100 ms a InSb 10 ms.
Doba náběhu
Doba náběhu je doba od okamžiku osvětlení, po které hodnota odporu dosáhne stanovenou velikost
Doba sestupné hrany
Doba sestupné hrany je doba od zhasnutí do okamžiku, kdy se velikost odporu fotorezistoru zvýší na předepsanou hodnotu.
Paměťový jev
U fotorezistorů se při změně osvětlení projevuje paměťový jev, který spočívá v tom, že si fotorezistor pamatuje hodnotu, kterou měl v době skladování. Tento jev je možné minimalizovat, budeme-li fotorezistor před použitím skladovat na světle.
Rozsah provozních teplot
Udává mezní teploty, při kterých pracuje fotorezistor korektně.
Výhody
- značná citlivost
- snadné použití a nízká cena
- možnost aplikace pro stejnosměrné i střídavé obvody (pracuje nezávisle na směru proudu)
Nevýhody
- dlouhá doba odezvy, která se zvýší, jestliže po intenzivním osvětlení rychle následuje tma
- značná teplotní závislost odporu
- fotorezistory v provozu stárnou
- lze použít pouze do stovek hertzů
- plocha citlivá na světlo dosahuje i několika desítek milimetrů čtverečných
Použití
Fotorezistory se používají pro indikaci a měření neelektrických veličin. Mají široké použití při měření intenzity světla (např. v soumrakových spínačích, ve fotoaparátech), fotozávorách a optočlenech. Uplatňují se jako součásti požárních hlásičů, také v kalorimetrech a regulační technice. Své místo mají ve vstupních obvodech polovodičových prvků, jako proměnné odpory a zpravidla se účastní nastavení pracovního bodu.
Související články
Externí odkazy
Obrázky, zvuky či videa k tématu fotorezistor na Wikimedia Commons
Literatura
FROHN, Manfred, et al. ELEKTRONIKA - polovodičové součástky a základní zapojení. [s.l.]: nakladatelství BEN - technická literatura, 2006. ISBN 80-7300-123-3.
MALINA, Václav. Poznáváme elektroniku IV. České Budějovice: KOPP, 1999. ISBN 80-7232-027-0.
[1] Valsa J.: Teoretická elektrotechnika I; VUT Brno, 1997
[2] Brančík L.: Elektrotechnika I; VUT Brno
[3] Dědková J: Elektrotechnický seminář; VUT Brno
[4] Musil V., Brzobohatý J., Boušek J., Prchalová I.: Elektronické součástky; VUT Brno, 1996
[5] Mikulec M., Havlíček V.: Základy teorie elektrických obvodů 1; ČVUT, 1997
[6] Stránský J. a kol.: Polovodičová technika I – učebnice pro elektrotechnické fakulty; SNTL; 1982
[7] Maťátko J.: Elektronika; Idea Servis, 1997
[8) Syrovátko M.: Zapojení s polovodičovými součástkami; SNTL, 1987
[9] Frohn M., Oberthür W. a kol.: Elektronika – součástky a základní zapojení; nakladatelství BEN - technická literatura, 2006
[10] Vobecký J., Záhlava V.: Elektronika – součástky a obvody, principy a příklady; Grada Publishing; 2001
[11] Doleček J.: Moderní učebnice elektroniky 3.; nakladatelství BEN - technická literatura, 2005