Sériové zapojení

Sériové zapojení je zapojení elektrotechnických součástek v elektrickém obvodu za sebou, tzn. od jedné součástky ke druhé vede jediný vodič. Elektrický proud je ve všech místech sériového obvodu stejný, protože v sériovém obvodu nejsou uzly a větve jako v paralelním obvodu, elektrický proud se nerozděluje. Elektrické napětí mezi svorkami jednotlivých součástek je různé a závisí na odporu každé ze součástek.[1]
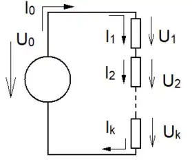
Sériové zapojení spotřebičů

Jak vyplývá z Kirchhoffových zákonů, při sériovém řazení protéká všemi prvky stejný proud (1. Kirchhoffův zákon) a součet napětí na jednotlivých prvcích je roven celkovému napětí (2. Kirchhoffův zákon). Přerušením obvodu v některém spotřebiči (porucha, např. prasklá žárovka) se přeruší celý obvod. Typickým použitím sériového obvodu jsou některé světelné ozdoby (např. 7 žárovek určených na napětí 34V, které jsou zapojeny do série a připojeny na napájení 230V).
- Podle 1. Kirchhoffova zákona pak platí: (není žádný uzel, proud se nedělí)
- Podle 2. Kirchhoffova zákona platí: (napětí zdroje se dělí na spotřebiče)
- (výkon zdroje se dělí do spotřebičů)
Sériové zapojení zdrojů

Zdroje se spojují do série pokud je nutné získat vyšší napětí. U stejnosměrných zdrojů se spojuje vždy kladný pól jednoho zdroje se záporným pólem zdroje následujícího.[2] Obecně se sériové spojení několika článků nazývá elektrická baterie. Obecně je doporučeno spojovat zdroje o stejném napětí a vnitřním odporu, v opačné případě dojde k nerovnoměrnému rozložení napětí a nesymetrickému zatěžování. V malé elektronice je běžné použití několika tužkových monočlánků, případně baterie např. 4,5V (3x1,5V) nebo 9V (6x1,5V), dále se používá například spojení dvou šestičlánkových olověných akumulátorů pro dosažení napětí 24V v některých dopravních prostředcích. U akumulátorů je výsledná kapacita rovna té nejmenší, vybitím nejslabšího článku dojde k přerušení obvodu.
- Podle 1. Kirchhoffova zákona: (není žádný uzel, proud se nedělí)
- Podle 2. Kirchhoffova zákona: (napětí zdrojů se sčítá na spotřebiči)
- (výkon zdrojů se sčítá do spotřebiče)
Sériové zapojení spínačů

Sériové zapojení spínačů vytváří tzv. logickou funkci AND nebo též logický součin. Ke uzavření obvodu je nutné sepnutí všech spínačů. Typickým příkladem použití jsou bezpečnostní systémy, kde musí být splněno několik podmínek, aby stroj mohl být spuštěn.
- Logická funkce:
- Pravdivostní tabulka pro 2 vstupy (2 spínače):
| X1 | X2 | Y |
|---|---|---|
| 0 | 0 | 0 |
| 0 | 1 | 0 |
| 1 | 0 | 0 |
| 1 | 1 | 1 |
- Pravdivostní tabulka pro 3 vstupy (3 spínače):
| X1 | X2 | X3 | Y |
|---|---|---|---|
| 0 | 0 | 0 | 0 |
| 0 | 0 | 1 | 0 |
| 0 | 1 | 0 | 0 |
| 0 | 1 | 1 | 0 |
| 1 | 0 | 0 | 0 |
| 1 | 0 | 1 | 0 |
| 1 | 1 | 0 | 0 |
| 1 | 1 | 1 | 1 |
Odkazy
Reference
- ↑ PEČENÝ, Jiří. Řazení pasivních prvků elektrického obvodu [online]. Akademie řemesel Praha – Střední škola technická [cit. 2022-05-08]. Dostupné online.
- ↑ Spojování zdrojů napětí [online]. Techmania Science Center o.p.s. [cit. 2022-05-08]. Dostupné online.
Související články
Externí odkazy
Obrázky, zvuky či videa k tématu sériové zapojení na Wikimedia Commons