Paralelní zapojení

Paralelní zapojení je zapojení elektrotechnických součástek v elektrickém obvodu vedle sebe, tzn. paralelní obvod obsahuje uzly, ve kterých se vodiče větví, a součástky mohou být umístěny v různých větvích. Elektrické napětí mezi dvěma uzly je stejné pro všechny větve. Elektrický proud procházející jednotlivými větvemi může být různý a závisí na odporu součástek ve větvích.[1]
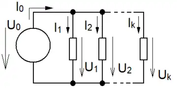
Paralelní zapojení spotřebičů

Jak vyplývá z Kirchhoffových zákonů, při paralelním řazení je součet proudů všemi větvemi roven celkovému proudu (1. Kirchhoffův zákon) a napětí na jednotlivých větvích je stejné (2. Kirchhoffův zákon). Typickým použitím paralelního obvodu je současné zapojení více spotřebičů v domácnosti (nebo obecně v jakékoliv elektrické síti), protože všechny spotřebiče vyžadují stejné napájecí napětí (např. 230 V). Přerušením obvodu v některé větvi (vypnutí spotřebiče) se nepřeruší obvod v jiné větvi (jiný spotřebič běží dál). Proudy odebírané jednotlivými větvemi se v uzlu sčítají, čímž je dán celkový odběr.
- Podle 1. Kirchhoffova zákona: (proud ze zdroje se dělí do spotřebičů)
- Podle 2. Kirchhoffova zákona: (napětí se nedělí)
- (výkon se dělí do spotřebičů)
Paralelní zapojení zdrojů

Paralelně spojit více zdrojů napětí je možné pouze pokud mají všechny stejné napětí, v opačném případě mezi nimi potečou vyrovnávací proudy.[2] Z takovéhoto zdroje můžeme odebírat proud, který se rovná součtu proudů které bychom mohli odebírat z jednotlivých zdrojů, v případě akumulátorů se tak sčítá jejích kapacita. Typickým použitím jsou trakční baterie pro napájení pohonu elektromobilů.
- Podle 1. Kirchhoffova zákona: (proudy ze zdrojů se sčítají do spotřebiče)
- Podle 2. Kirchhoffova zákona: (napětí se nedělí)
- (výkon se sčítá do spotřebiče)
Paralelní zapojení spínačů

Paralelní zapojení spínačů vytváří tzv. logickou funkci OR nebo též logický součet. K uzavření obvodu postačuje sepnutí libovolného ze spínačů. Typickým příkladem použití tohoto zapojení je případ ovládání jednoho spotřebiče z více míst.
- Logická funkce:
- Pravdivostní tabulka pro 2 vstupy (2 spínače):
| X1 | X2 | Y |
|---|---|---|
| 0 | 0 | 0 |
| 0 | 1 | 1 |
| 1 | 0 | 1 |
| 1 | 1 | 1 |
- Pravdivostní tabulka pro 3 vstupy (3 spínače):
| X1 | X2 | X3 | Y |
|---|---|---|---|
| 0 | 0 | 0 | 0 |
| 0 | 0 | 1 | 1 |
| 0 | 1 | 0 | 1 |
| 0 | 1 | 1 | 1 |
| 1 | 0 | 0 | 1 |
| 1 | 0 | 1 | 1 |
| 1 | 1 | 0 | 1 |
| 1 | 1 | 1 | 1 |
Odkazy
Reference
- ↑ PEČENÝ, Jiří. Řazení pasivních prvků elektrického obvodu [online]. Akademie řemesel Praha – Střední škola technická [cit. 2022-05-08]. Dostupné online.
- ↑ SÉRIOVÉ ZAPOJENÍ A PARALELNÍ ZAPOJENÍ - V TOMTO SPOČÍVÁ ROZDÍL [online]. Banner Baterie ČR spol, s.r.o. [cit. 2022-05-08]. Dostupné online.
Související články
Externí odkazy
Obrázky, zvuky či videa k tématu paralelní zapojení na Wikimedia Commons