Proudový chránič

Proudový chránič (zkratka RCD, anglicky Residual-Current Device,[1] nebo FI z německého FI-Schalter, Fehlerstrom-Schutzschalter, hovorově fíčko) je elektrický přístroj, který chrání obsluhu před nebezpečným dotykovým napětím i proti požáru.[2] Odpojí chráněný elektrický obvod, pokud část přitékajícího proudu uniká mimo obvod, například při poškození izolace nebo při dotyku člověka. Proudový chránič neomezuje procházející nadměrný proud (při zkratu nebo přetížení), k tomu slouží elektrický jistič. Od roku 2019 je jeho použití povinné (až na výjimky) ve všech nových běžných elektrických instalacích (starší instalace není nutné chráničem vybavovat až do jejich rekonstrukce, nicméně pokud se nejedná o síť TN-C, je jeho dodatečná instalace nanejvýš žádoucí). Používá se v uzemňovací soustavě TN-S nebo TN-C-S a sítích TT. Pokud požadujeme zvýšenou bezpečnost, lze jej použít i v síti IT.[2] V síti TN-C jej použít nelze. Proto (a nejen proto) se již takové sítě nesmí v rámci EU nově budovat ani je vytvářet při rekonstrukcích stávajících elektroinstalací.
Charakteristika

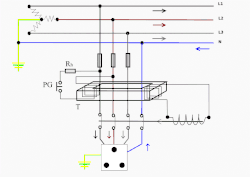
(1) Svorky vstupního napájení
(2) Výstupní svorky zátěže
(3) Resetovací tlačítko
(4) Kontakty (druhý je za relé)
(5) Vybavovací relé (solenoid)
(6) Součtový transformátor
(7) Řídící elektronika
(8) Testovací tlačítko
(9) Testovací vodič (oranžový).
Proudový chránič zajišťuje v elektrických instalacích tzv. ochranu při poruše (dříve ochrana před úrazem neživých částí), kdy dojde k úniku na kostru nebo na zem.[3] Pokud se objeví na nějakém povrchu nebezpečné dotykové napětí (např. porušením izolace) a obsluha se ho dotkne, projde skrze ni do země proud, který by mohl způsobit úraz elektrickým proudem (úraz unikajícím proudem). Principem ochrany proudovým chráničem je velmi rychlé odpojení od zdroje elektrického proudu (10 až 30 ms, při vyšších proudech až 10× méně)[3] v okamžiku, kdy proudový chránič detekuje velmi malý unikající proud (10 až 30 mA). Proudový chránič tzv. vybaví, tj. odpojí elektrický obvod od elektrické sítě a obsluha musí chránič znovu aktivovat. Existují chrániče, které automaticky uvedou obvod zpět do provozu v okamžiku obnovení parametrů sítě (když přestane unikat proud).
Chránič je montován do rozvaděčů na standardizovanou DIN lištu před elektrický jistič příslušného obvodu, ale může být i vložen do zásuvky nebo prodlužovačky jako doplňující ochranný prvek. Protože musí být chráněny všechny okruhy odděleně, jsou pro úsporu místa v rozvaděči vyráběna zařízení kombinující jistič a chránič do jednoho prvku (tzv. RCBO, anglicky Residual Current Breaker with Overcurrent breaker),[4] ale v roce 2020 je kombinace asi o polovinu dražší, než samostatný jistič a chránič. Instalace jsou do rozvaděčů prováděny tak, aby je mohla obsluhovat laická obsluha (stupeň krytí alespoň IP20).
Norma upravující ochranu před úrazem elektrickým proudem (ČSN 33 2000-4-41 edice 2), která platí od února 2019, vyžaduje instalovat proudový chránič ke každému přístupnému elektrickému okruhu (aby při výpadku jednoho chrániče zůstaly ostatní okruhy v provozu) všech nových (nebo rekonstruovaných) elektrických instalacích. Výjimkou mohou být zvláštní zásuvky (okruhy) určené pro připojení speciálního druhu zařízení (např. chladniček nebo výpočetní techniky, u kterých by mohlo nežádoucí vypnutí být příčinou značných škod)[5] nebo jsou napájeny z bezpečného zdroje malého napětí.
Parametry proudových chráničů
Proudové chrániče jsou vyráběny pro různé jmenovité unikající (reziduální) proudy, například 10, 30, 100, 300, 500 mA i 1 A.[4] Rozlišují se i maximálními jmenovitými proudy v intervalu 16 až 100 A a dále pak podmíněnou zkratovou odolností, zpravidla 6 kA (pro domácnost) nebo 10 kA (pro průmysl).[6] Dále se pak rozlišuje několik typů chráničů, podle charakteru reziduálních proudů:[7][8]
- Typ AC - určeny pro obvody, kde se vyskytují pouze střídavé reziduální proudy. Pulzující stejnosměrný proud nejsou tyto chrániče schopny korektně vyhodnotit. Stejnosměrné reziduální proudy snižují jejich citlivost a od určité hodnoty je dokonce mohou zcela zneschopnit. Tento typ lze bezpečně použít pro zátěže, kde nehrozí generování nesinusových reziduálních proudů, tedy například tepelné spotřebiče (elektrická topení, rychlovarné konvice, bojlery), motory, osvětlení apod.
- Typ A - určeny pro obvody, kde se vyskytují pulzující stejnosměrné reziduální proudy, případně i malé hodnoty (cca do 6 mA) hladkého stejnosměrného reziduálního proudu. Jsou schopny je detekovat díky odlišnému materiálu součtového transformátoru. Tento typ se volí pro zátěže, jako jsou počítačové zdroje, myčky, sušičky, pračky apod., kde nelze vyloučit nenulovou střední hodnotu reziduálního proudu.
- Typ F - určeny pro spotřebiče, které mohou generovat reziduální proudy na vysokých frekvencích,. Tyto proudové chrániče mají na vyšších frekvencích upravenou charakteristiku a reagují až při vyšších hodnotách reziduálních proudů. Tento typ najde uplatnění v obvodech se spotřebiči s regulací otáček, jako jsou moderní pračky a sušičky, tepelná čerpadla apod. Reziduální proudy o vysokých frekvencích nejsou v běžných domácnostech tak velké, aby docházelo k nechtěným vybavením. Problémy začínají po připojení spotřebiče o vyšším výkonu, jsou tedy určeny primárně pro průmyslové použití.
- Typ B - určeny pro spotřebiče, které mohou generovat stejnosměrný reziduální proud. Reagují jak na střídavé, stejnosměrné pulzující, tak i na stejnosměrné reziduální proudy. V domovních instalacích může jít například o nabíjecí stanice pro elektromobily, fotovoltaické elektrárny a další zařízení s výkonovými polovodičovými prvky.
- Typ B+ - určeny pro stejné reziduální proudy jako proudové chrániče typu B. Jejich frekvenční charakteristika je ale upravena tak, že na vysokých frekvencích vypínají při nižších násobcích reziduálního proudu. Jsou tak schopné bezpečně vypnout reziduální proudy v řádech desítek kilohertzů. Většinou je lze nalézt v průmyslu.
Funkce proudového chrániče

Základním principem proudových chráničů je obvykle zapojení součtového transformátoru (na obrázku vpravo označen číslem 6), kterým prochází pouze pracovní vodiče (tj. fáze a nulový/střední vodič). V žádném případě nelze součtovým transformátorem vést ochranný vodič (PE), protože v případě porušení izolace na kostru přístroje by chránič nevybavil.[3][4] Za normálních provozních podmínek je vektorový součet proudů protékajících součtovým transformátorem nulový, neboť elektrické pole proudu tekoucí do obvodu působí proti poli z proudu vytékajícího z obvodu. Proto je výsledný magnetický tok v jádře součtového transformátoru roven nule a v cívce není indukován žádný elektrický proud.[3][4] Ve chvíli, kdy je část proudu odváděna jinudy (dotyk obsluhy, poškození izolace, tj. odvod proudu na zem, kostru nebo ochranný vodič), vznikne rozdíl proudů mezi vodiči uvnitř součtového transformátoru a na vývodech jeho cívky se objeví proud, který vybudí citlivé vybavovací relé (5), to aktivuje rozpínací mechanismus (4) a jsou rozpojeny všechny pracovní vodiče (kromě ochranného vodiče).[3][4] Správnou funkci rozpínacího mechanismu je možné otestovat tlačítkem (8), které je na chrániči (simuluje únik proudu).[4] Mechanická funkčnost chrániče by jím měla být otestována alespoň jednou za 6 měsíců.[3]
Při použití chrániče s vybavovacím proudem 30 mA a dovoleném dotykovém napětí 50 V vychází podle Ohmova zákona maximální povolený odpor zemniče 1 666 ohmů. V praxi ale z důvodu ochrany pomocí nadproudových jističů nebo ochrany před bleskem požadují normy výrazně nižší odpor zemniče, typicky v jednotkách ohmů.
Protože proudový chránič je elektro-mechanický přístroj a nelze tedy zcela vyloučit jeho poruchu a tím ohrožení elektrickým proudem, nelze jej použít jako základní ochranu, ale pouze jako ochranu doplňkovou. Protože je proudový chránič velmi citlivý a přesný, základní ochranu doplňuje, zpřesňuje a tím výrazně přispívá k bezpečnosti elektrických zařízení. Jeho nevýhodou může být nežádoucí vypnutí při součtu několika „nevýznamných“ poruch ve stejném obvodu (je možné použít chrániče, který po odstranění poruchy v obvodu automaticky připojí napájení).
Proudové chrániče jsou odolné proti krátkým rušivým impulzům, například při bouřce nebo při indukování VF impulzů v průmyslu. Pro zajištění selektivity mohou být v rozvodných sítích použity jističe reagující s určitým zpožděním (do 1 s).[3]
Odkazy
Reference
- ↑ HABERLE, Heinz. Průmyslová elektronika a informační technologie. 1. vyd. Praha: Europa-Sobotáles, 2003. 720 s. ISBN 80-86706-04-4. Kapitola 2.12.4 Ochrany závislé na rozvodné síti, s. 253–254.
- ↑ a b TKOTZ, Klaus. Příručka pro elektrotechnika. 2. vyd. Praha: Europa-Sobotáles cz, 2006. 624 s. ISBN 80-86706-13-3. Kapitola 11.7.3 Proudový chránič, s. 332–333.
- ↑ a b c d e f g TKOTZ, Klaus. Příručka pro elektrotechnika. 2. vyd. Praha: Europa-Sobotáles cz, 2006. 624 s. ISBN 80-86706-13-3. Kapitola 11.7.3 Proudový chránič, s. 332–333.
- ↑ a b c d e f HABERLE, Heinz. Průmyslová elektronika a informační technologie. 1. vyd. Praha: Europa-Sobotáles, 2003. 720 s. ISBN 80-86706-04-4. Kapitola 2.12.4 Ochrany závislé na rozvodné síti, s. 253–254.
- ↑ ČSN 33 2000-4-41 ed. 2, odstavec 411.3.3
- ↑ Proudové chrániče chrání životy i majetek [online]. iElektra.cz [cit. 2022-04-29]. Dostupné online.
- ↑ SUCHOMEL, Zdeněk. Jak zvolit správný typ proudového chrániče?. ELEKTRO [online]. FCC PUBLIC, 2019-04-29 [cit. 2022-04-29]. Dostupné online.
- ↑ Citlivost proudových chráničů na různé druhy reziduálních proudů. www.elektroprumysl.cz [online]. ElektroPrůmysl.cz, 2019-03-20 [cit. 2022-04-29]. Dostupné online.
Literatura
- Štěpán František; Proudové chrániče; IN-EL 2001; ISBN 80-86230-20-1
Související články
Externí odkazy
Obrázky, zvuky či videa k tématu proudový chránič na Wikimedia Commons - Proudový chránič - Elektrické ochrany v soustavách nízkého napětí
- Jak potlačit nežádoucí vybavení proudových chráničů
- Fámy a pověry týkající se proudových chráničů
- Pravidelné kontroly a revize proudových chráničů
- Princip proudového chrániče – 1. díl
- Princip proudového chrániče – 2. díl
- Proudový chránič - co to je? Archivováno 21. 6. 2007 na Wayback Machine.