Osteon


.jpg)
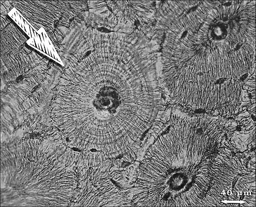
Osteon neboli Haversův systém je komplex koncentrických lamel a centrálního kanálu, které tvoří základní stavební jednotku kostí. Centrální kanál je označován jako Haversův kanál.[1]
Popis
Osteon má tvar dlouhého válce, je tvořen 4-20 koncentrickými lamelami. Vnější průměr mívá okolo 200 µm, jeho dlouhá osa leží rovnoběžně s dlouhou osou kosti.[1] Každý osteon je obklopen amorfním materiálem, cementovou substancí (mineralizovaná matrix s malým množstvím kolagenních vláken).[2] Haversův kanál uvnitř osteonu je na vnitřní ploše lemován endostem. Obsahuje krevní cévy, nervová vlákna a řídké kolagenní vazivo. Kanál komunikuje s periostem, s kostní dření i s ostatními Haversovými kanály příčnými nebo šikmými kanály Volkmannovými.[1] Volkmannovy kanálky nejsou koncentrickými lamelami obaleny, nýbrž jimi pronikají.[3] Přivádějí cévy a nervy z periostu k Haversovým kanálům.[1]
Přestavba kosti
Kost není neměnná struktura.[1] Rozměry osteonů jsou různé a závisí na počtu lamel. Během růstu a dokonce i ve zralé kosti probíhá neustále destrukce a znovuvýstavba osteonů. Najdeme pak vedle sebe zralé osteony s mnoha lamelami a nezralé, tvořené pouze několika málo lamelami a širokým kanálkem.[4] Přestavba kosti je zahájena tím, že do kostní tkáně spolu s kapilární kličkou pronikají osteoklasty. Vytvářejí v kostní tkáni tunel s průměrem okolo 200 µm, který představuje prostor pro příští osteon.[1] Každý osteon vzniká postupným přikládáním lamel zevnitř, takže první lamela vzniká na periferii a kanál je široký. Přibýváním lamel dovnitř se kanálek postupně zužuje. U zralého osteonu tedy obklopuje Haversův kanálek naposledy vytvořená lamela.[4]
Formy lamelární kosti
Lamelární kost se vyskytuje ve dvou formách. Rozeznáváme kost kompaktní a spongiózní.[1]
Kompaktní kost
Kompaktní kost je tvořena systémem paralelně uspořádaných osteonů. Na povrchu kosti jsou uloženy kostní lamely, které probíhají rovnoběžně s povrchem a které tvoří zevní a vnitřní lamely plášťové.[1] Zevní plášťové lamely probíhají pod periostem po obvodu kosti. Vnitřní plášťové lamely ohraničují dutinu kosti a obklopují kostní dřeň. Zevních lamel je více než vnitřních. Mezi oběma vrstvami plášťových lamel jsou osteony, mezi nimi zůstávají prostory nepravidelného nebo trojúhelníkového tvaru. Ty jsou vyplněny skupinami paralelně probíhajících neúplných lamel, zvaných intersticiální (vmezeřené) nebo intermediální. Jsou to zbytky osteonů, z části odbouraných během přestavby kosti.[4]
Spongiózní kost
Spongiózní (houbovitá, trámčitá) kost je složena z kostních trámců či plotének, jejichž prostorové uspořádání je výsledkem působení mechanických sil na kost. Trámce a ploténky jsou tvořeny podobnými lamelami jako kost kompaktní, tj. skládají se z plášťových lamel, uzavírajících mezi sebou Haversovy systémy a vmezeřené lamely.[5] V silnějších trámcích nacházíme osteony, tenké trámce jsou tvořeny pouze paralelně uspořádanými lamelami.[6]
Reference
- ↑ a b c d e f g h VAJNER, Luděk; UHLÍK, Jiří; KONRÁDOVÁ, Václava. Lékařská histologie 1. 1. vyd. Praha : Karolinum, 2010.S.67
- ↑ Richard Jelínek, et al. Histologie embryologie [online]. 3. lékařská fakulta UK. S.77 [cit. 2012-04-26]. Dostupné v archivu pořízeném dne 2016-03-06.
- ↑ JUNQUIERA, L. Carlos; CARNEIRO, José; KELLEY, Robert O.. Základy histologie. 1. vyd. Jinočany : H & H, 1997.S.137
- ↑ a b c Richard Jelínek, et al. Histologie embryologie [online]. 3. lékařská fakulta UK. S.78 [cit. 2012-04-26]. Dostupné v archivu pořízeném dne 2016-03-06.
- ↑ HORKÝ, Drahomír; ČECH, Svatopluk; TRÁVNÍK, Pavel. Obecná histologie. Lékařská fakulta MU. Brno, 1995.S.87
- ↑ VAJNER, Luděk; UHLÍK, Jiří; KONRÁDOVÁ, Václava. Lékařská histologie 1. 1. vyd. Praha : Karolinum, 2010.S.68
Externí odkazy
Obrázky, zvuky či videa k tématu Osteon na Wikimedia Commons