Millerův efekt
Millerův efekt (Millerův jev) je v elektrotechnice jev, který popisuje vliv invertujícího zesilovače na vstupní vnitřní impedanci.
Impedance zařazená mezi živou vstupní a výstupní svorku (ideálního invertujícího) zesilovače zatěžuje zdroj vstupního signálu tak, jako by mezi vstupními svorkami byl zapojena tatáž impedance dělená výrazem , kde je zesílení zesilovače.[1]
Tato věta platí obecně pro jakýkoliv zesilovač, třeba několikastupňový, jakéhokoliv druhu (operační, tranzistorový, elektronkový aj.) a pro jakoukoliv impedanci mezi svorkami zesilovače.
Odvození

V tomto zapojení ideálního invertujícího zesilovače prochází impedancí proud rovný
Jelikož platí také rovnost , můžeme proud vyjádřit jako
A odtud vstupní impedance (tj. mezi vstupní svorkou a zemí) je rovna
Efektivní vstupní kapacita

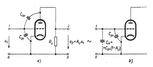
Častý a důležitý případ uplatnění Millerova jevu je vliv na vstupní kapacitu základního triodového stupně. Jak je znázorněno na obrázku vpravo, vyskytuje se tu jednak kapacita mřížky proti katodě (resp. proti nule) a kapacita mřížky proti anodě . Jsou to hlavně kapacity mezi samotnými elektrodami, k nim přistupují kapacity nosníků elektrod, s nimi spojených kolíků patice, dále kapacity kontaktů objímky, v níž je příslušná elektronka zasazena, a konečně kapacity spojů příslušných elektrod. Hodnoty a jsou tedy kapacity vnitřní i vnější, a ty vnější mohou být podle okolností podstatné.
Kapacita proti nule se na vstupu uplatňuje přímo. Kapacita je pozměněna Millerovým jevem. Hodnota její impedance pro sinusový proud frekvence f hertzů je určena vzorcem:
Millerův jev ji změní na:
Stejnou hodnotu vstupní reaktance by měla kapacita
zapojená mezi mřížku a nulu. Ta se přičítá k , která zde už byla, a tvoří výslednou efektivní kapacitu triodového základního stupně.
Příklad se skutečnou triodou
U skutečné triody bývá zhruba stejné jako . Protože však Millerův jev násobí faktorem , mívá tato kapacita rozhodující vliv. Např. u elektronky ECC84 je hodnota rovna 1,1 pF a rovna 2,3 pF. Předpokládejme, že zesílení stupně = -19 a že objímka a spoje nepřidají další kapacitu. Pak bude zdroj signálu zatížen kapacitou
Millerův jev působí tedy podstatné zvětšení vstupní kapacity, které závisí na zesílení napětí triody.
Tak značná hodnota by např. podstatně omezila dosažitelnou horní mezní frekvenci širokopásmových zesilovačů, jaké se používaly v televizorech. Proto se v takovém případě nepoužívá triod, nýbrž pentod.
V důsledku Millerova jevu např. Darlingtonovy tranzistory kvůli velkému zesilovacímu činiteli mohou mít pomalou odezvu při nízkých frekvencích.
Odkazy
Reference
V tomto článku byl použit překlad textu z článku Miller effect na anglické Wikipedii.
- ↑ PACÁK, Miroslav. Vyšší škola radiotechniky II. 1. vyd. Praha: Práce, 1962. 184 s. S. 68.