A/D převodník

Analogově-digitální převodník (zkratky A/D, v angličtině i ADC) je elektronická součástka určená k převodu spojitého (neboli analogového) signálu na signál diskrétní (digitální). Důvodem převodu je umožnit zpracování původně analogového signálu na číslicových počítačích. Mezi nimi v současnosti převažují digitální signální procesory DSP, které jsou právě na zpracování takových signálů specializované. V digitální podobě lze signály přenášet s kontrolou správnosti (při využití ověření, jako je CRC), bez další ztráty informací; u analogu by s každou další kopií z kopie docházelo ke ztrátě kvality. Opačný převod z digitálního signálu na analogový zajišťuje D/A převodník.
Princip převodu
Převod spojitého signálu na diskrétní se skládá ze dvou fází. Nejprve se provede vzorkování signálu, potom následuje kvantování.
Vzorkování

Úsek spojitého signálu se sice dá donekonečna zvětšovat a pozorovat tak jeho nekonečně malé detaily, ale protože počítače mají pouze konečnou kapacitu paměti a ani nejsou nekonečně rychlé, musíme se u reálného vzorkování při A/D převodu omezit na nezbytně nutné množství vzorků, které budeme dále zpracovávat.

Vzorkování se provede tím způsobem, že rozdělíme vodorovnou osu signálu (v našem příkladu je na této ose čas) na rovnoměrné úseky a z každého úseku odebereme jeden vzorek (na obrázku jsou tyto vzorky znázorněny červenými kolečky). Je přitom zřejmé, že tak z původního signálu ztratíme mnoho detailů, protože namísto spojité čáry, kterou lze donekonečna zvětšovat, dostáváme pouze množinu diskrétních bodů s intervalem odpovídajícím použité vzorkovací frekvenci.
Aliasing
Chyba vzorkování může ovšem být ještě daleko horší. Pokud se totiž v původním spojitém signálu vyskytuje frekvence vyšší, než je polovina vzorkovací frekvence (nazývaná též Nyquistova frekvence), dojde, jak praví Shannonův teorém, k úplnému a nenávratnému zkreslení signálu kvůli jevu nazývajícímu se aliasing. Aliasingu se dá zabránit jedině takzvaným antialiasing filtrem, což je dolní propust zařazená před převodníkem. Ta nedovolí frekvencím vyšším, než je Nyquistova frekvence, vstoupit do převodníku.
Například u záznamu hudby na CD je použita vzorkovací frekvence 44,1 kHz, takže na CD mohou být zachyceny frekvence zhruba do 22 kHz. Vzhledem k tomu, že rozsah frekvencí slyšitelný lidským uchem se uvádí 20 Hz –16 kHz, je tak na CD možno zaznamenat slyšitelné spektrum v celé šíři.
V telekomunikacích se používá vzorkování 8 kHz (standardní telefonní pásmo je od 0,3 do 3,4 kHz), takže nejvyšší přenesená frekvence je 4 kHz a to je pro přenos hlasu dostačující.
Kvantování

Vzhledem k tomu, že počítače a další zařízení dále zpracovávající digitální signál umí vyjádřit čísla pouze s omezenou přesností, je třeba navzorkované hodnoty upravit i na svislé ose. Protože se hodnota vzorku dá vyjádřit pouze po určitých kvantech, nazýváme tuto fázi A/D převodu kvantování.
Na obrázku může veličina na svislé ose například nabývat pouze celočíselných hodnot. Aby bylo možné určit, které hodnoty má po kvantování nabývat určitý vzorek, je třeba rozdělit prostor kolem jednotlivých hodnot na toleranční pásy (jeden takový pás je naznačen kolem hodnoty 0). Kterémukoli vzorku, který padne do daného tolerančního pásu, je při kvantování přiřazena daná hodnota. Kvantované hodnoty jsou na obrázku naznačeny zelenými kolečky. Jak je vidět, kvantované hodnoty se ve většině případů liší od skutečných navzorkovaných hodnot. Velikost kvantizační chyby je vzdálenost mezi kvantovanými a původními navzorkovanými body; na obrázku ji vyjadřují délky pomyslných úseček mezi červenými a zelenými kolečky. Velikost této chyby se pohybuje v intervalu +1/2 až −1/2 kvantizační úrovně.
Počet kvantizačních úrovní
Protože se digitální signál zpravidla zpracovává na zařízeních pracujících ve dvojkové číselné soustavě, bývají počty kvantizačních úrovní A/D převodníků zpravidla rovny Nté mocnině čísla 2, přičemž nakvantovaný signál pak lze vyjádřit v N bitech.
Kvantizační šum

Pokud bychom vynesli velikosti chyb od jednotlivých vzorků do grafu, získali bychom náhodný signál, kterému se říká kvantizační šum. Velikost šumu je zvykem vyjadřovat jako poměrné číslo v decibelech, a sice jako poměr užitečného signálu k šumu. Protože číslo ve jmenovateli zlomku – kvantizační chyba – je u všech lineárních převodníků stejné (interval +1/2 až −1/2 kvantizační úrovně), závisí velikost kvantizačního šumu jen na čitateli zlomku, tedy na velikosti užitečného signálu, což je maximální počet kvantizačních úrovní daného převodníku.
Například u 16bitového kvantování použitého při záznamu hudby na CD je odstup signálu od šumu 16 × 6,02 = 96,32 dB.
Kvůli diskretizaci původního spojitého signálu ve dvou osách nemůže ve většině případů signál zpětně převedený z digitální podoby do analogové přesně odpovídat původnímu signálu. Černá čára na obrázku znázorňuje zpětným D/A převodem zrekonstruovaný analogový signál, zatímco modrá čára je původní analogový signál, ze kterého byl A/D převodníkem získán signál digitální (zelená kolečka).
Druhy převodníků
Komparační
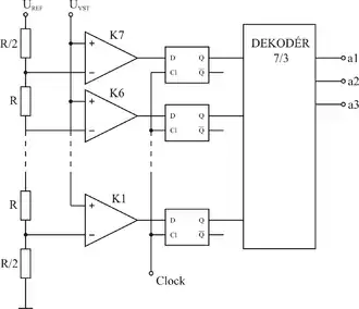
Paralelní A/D převodník

Paralelní A/D převodník je nejrychlejším typem A/D převodníku, protože převod probíhá v jednom časovém okamžiku. Kvantování vstupního signálu se vyjadřuje v komparátorech, které porovnávají vstupní napětí s odstupňovaným referenčním napětím (vytváří se v odporové síti). Převodník s rozlišitelností n bitů obsahuje 2n−1 komparátorů. Vzorkování vstupního signálu se uskutečňuje zápisem stavu výstupů komparátorů do klopných obvodů (příchodem hodinového impulsu). Dekodér je kombinační obvod, který převádí informaci o výstupech komparátorů na určitý kód.
| UVST/UREF | K7 | K6 | K5 | K4 | K3 | K2 | K1 | a1 | a2 | a3 |
|---|---|---|---|---|---|---|---|---|---|---|
| 0 | 0 | 0 | 0 | 0 | 0 | 0 | 0 | 0 | 0 | 0 |
| 1/8 | 0 | 0 | 0 | 0 | 0 | 0 | 1 | 0 | 0 | 1 |
| 2/8 | 0 | 0 | 0 | 0 | 0 | 1 | 1 | 0 | 1 | 0 |
| 3/8 | 0 | 0 | 0 | 0 | 1 | 1 | 1 | 0 | 1 | 1 |
| 4/8 | 0 | 0 | 0 | 1 | 1 | 1 | 1 | 1 | 0 | 0 |
| 5/8 | 0 | 0 | 1 | 1 | 1 | 1 | 1 | 1 | 0 | 1 |
| 6/8 | 0 | 1 | 1 | 1 | 1 | 1 | 1 | 1 | 1 | 0 |
| 7/8 | 1 | 1 | 1 | 1 | 1 | 1 | 1 | 1 | 1 | 1 |
S postupnou komparací

Snaha o obvodové zjednodušení paralelních převodníků při zachování relativně krátké doby převodu vedla k převodníku s postupnou komparací. První komparační převodník A/D-1 obsahující 15 komparátorů provádí převod vyšších čtyř bitů výstupního slova. Výstupní napětí A/D-1 se převede na analogový signál a odečte se od vstupního napětí v rozdílovém zesilovači. Zbytkové napětí, které je menší než 1/16 vstupního rozsahu, se zesílí (16×) a poté se digitalizuje druhým komparačním převodníkem. Výstup druhého převodníku je nižší část výstupního slova. Výhodou je, že obsahuje menší počet komparátorů při zachování vysoké četnosti převodu.
Kompenzační
Jsou to v podstatě automatické kompenzátory napětí. Porovnávají vstupní napětí s hodnotou zpětnovazebního napětí, získaného pomocí D/A převodníku z výstupního číslicového slova. Tento výstup se mění tak dlouho, dokud není rozdíl jednotlivých napětí minimální, a poté se analogově-číslicový převod ukončí. Podle toho, jakým způsobem se řídí změna výstupního slova, dělíme kompenzační převodníky na čítací, sledovací a s postupnou aproximací. Kompenzační převodníky patří k nejpoužívanějším, protože jsou konstrukčně jednoduché a relativně rychlé.
Kompenzační čítací

Na začátku cyklu se spuštěním signálu start vynuluje čítač. Na vstupu je připojeno napětí, na výstupu komparátoru je log1 a do čítače začnou přes hradlo AND procházet impulsy z generátoru, obsah čítače se s krokem LSB zvyšuje; z výstupu čítače jde také signál do zpětnovazební větve, ve které je zapojen číslicově-analogový převodník. Napětí na výstupu D/A převodníku se postupně zvyšuje. Dosáhne-li toto napětí hodnoty vstupního napětí, překlopí se komparátor do stavu L, tím se uzavře hradlo, přeruší se impuls v generátoru, čítání se zastaví a do paměti se zapíše platné výstupní slovo. Další čítací impuls se provede signálem start.
Kompenzační sledovací
Má stejný princip jako čítací, pouze je použit obousměrný čítač, který může čítat vpřed i vzad. Napěťový komparátor řídí směr čítání, takže číslicový výstup sleduje změny vstupního napětí. Patří mezi často používané převodníky. U čítacího a sledovacího převodníku se v každém taktu generátoru hodinových impulsů mění slova vždy o hodnotu LSB.
S postupnou aproximací

Při použití postupné aproximace se zkusmo nastaví jednotlivé váhové bity. Začíná se bitem MSB a končí bitem LSB. Na začátku cyklu převodu se nastaví hodnota převodu výstupu aproximačního registru na 10000000, čemuž odpovídá výstup zpětnovazebního D/A převodníku UREF/2. Toto napětí se porovnává v komparátoru se vstupním napětím. Je-li UVST větší než UREF/2, ponechá se MSB nastaven na 1, v opačném případě se vrátí na 0. V druhém kroku se zkusmo nastaví na 1 další váhový bit. Na výstupu tedy bude 11000000 nebo 01000000, podle výsledku předchozího kroku. Opět se porovná zpětnovazební a vstupní napětí a aktuální bit se nastaví na 1 nebo se vrátí na 0, takto se postupuje až k LSB. V tomto převodníku je doba převodu nižší než v čítacím převodníku a je nezávislá na vstupním napětí. Změna vstupního napětí během převodu způsobí chybu, a proto na rozdíl od čítacího převodníku musí být vstup opatřen vzorkovacím obvodem. Převodníky se vyrábějí 8bitové a 16bitové.
Integrační převodník

Základem tohoto převodníku je integrátor, tzn. výstupem převodníku je číslo odpovídající průměrné hodnotě vstupního napětí za určitou dobu. Vliv průměrování vyžaduje zapojit na vstup vzorkovací obvod. Použití integrátoru také potlačuje šumová napětí vyšších frekvencí. Podle funkce rozlišujeme integrační A/D převodníky s mezipřevodem na frekvenci a s mezipřevodem na časový interval.
S dvojitou integrací

Tento typ převodníku se často používá v multimetrech. Vlastní převod probíhá ve dvou taktech. Na začátku měřicího cyklu je integrační kondenzátor vybitý a čítač vynulovaný. V prvním taktu je na vstup integrátoru přivedeno vstupní napětí a čítač čítá impulsy krystalového generátoru. Absolutní hodnota napětí na integrátoru se zvyšuje se strmostí danou velikostí vstupního napětí. Tento děj probíhá tak dlouho, dokud nedojde k zaplnění čítače (přetečení). V okamžiku přetečení čítače (všechny výstupy jsou ve stavu L) je zahájen druhý takt, přepne se přepínač a na vstup integrátoru se připojí referenční napětí opačné polarity, než je vstupní napětí. Absolutní hodnota výstupního napětí integrátoru se zmenšuje. Jakmile dosáhne nulové hodnoty, překlopí komparátor a tím se ukončí převod. Výhodou převodníku s dvojitou integrací je, že je eliminován vliv časové nestability RC prvků integrátoru a kmitočtu oscilátoru. Důležitá je přesnost a stabilita referenčního napětí.
Sigma-delta převodníky

Umožňují dosáhnout velmi vysoké linearity převodu při vysokém rozlišení, až 24 bitů. Rychlost převodu je však nižší. Lze digitalizovat v pásmu do desítek kHz – nízkofrekvenční pásmo. Převodník se skládá ze sigma-delta modulátoru a číslicového filtru. Základními obvody modulátoru jsou dolní propust (integrátor), napěťový komparátor a klopný obvod typu D, překlápěný hodinovým signálem s frekvencí f0. Dále je zde zpětnovazební větev s jednobitovým D/A převodníkem, což je vlastně přepínač dvouhodnotového signálu UREF. Tento signál se odečítá od vstupního napětí v rozdílovém zesilovači. U převodníku vzniká kvantizační šum, který je rovnoměrně rozložen v pásmu spektra frekvencí od 0 do f0/2, jestliže u číslicového filtru vzorkujeme frekvencí f0/K, kde K se nazývá koeficient nevzorkování (bývá 10 – 104), sníží se efektivní výkon kvantizačního šumu a dojde ke zvýšení efektivního počtu převodníku. Sigma-delta převodníky se hodí k měření stejnosměrných nebo pomalu se měnících napětí.
Odkazy
Související články
- D/A převodník
- PCM – Pulzně kódová modulace
Externí odkazy
Obrázky, zvuky či videa k tématu A/D převodník na Wikimedia Commons - Integrované obvody používané jako A/D převodníky