Zapojení s operačním zesilovačem
Tento článek popisuje základní zapojení s operačními zesilovači, nejčastěji používají v různých elektronických obvodech.
Zde uváděné vztahy pro výpočty týkající se těchto zapojení předpokládají, že se pracuje s ideálním operačním zesilovačem. V běžných situacích to stačí, ale pokud vlastnosti zpracovávaného signálu dosahují hraničních hodnot použitého operačního zesilovače, je třeba sáhnout po složitějších vztazích platných pro reálné operační zesilovače.
V běžných obvodech se hodnoty odporu rezistorů pohybují mezi jednotkami kiloohmů až jednotkami megaohmů. Hodnoty odporů pod tímto rozsahem znamenají vyšší proudové zatížení a zbytečný ztrátový výkon. S hodnotami nad tímto rozsahem je zase spojen vyšší šum a náchylnost obvodů na rušení.
Invertující zesilovač

Invertující zesilovač je jedno z nejpoužívanějších zapojení. Na výstupu se objeví vstupní napětí vynásobené zápornou konstantou (tedy zinvertované). Velikost zesílení je daná poměrem odporů Rf a Rin. Ovšem pozor - tento vzorec platí jen tehdy, je-li zdrojem signálu obvod s nulovým vnitřním odporem (tedy obvod, chovající se jako ideální zdroj napětí).
- (protože zesilovač se vždy snaží mezi vstupy udržet nulové napětí, tedy na vstupu je tzv. plovoucí zem)
Toto zapojení se rovněž dá využít jako zdroj proudu. Přes Rf teče konstantní proud, rovný proudu, tekoucímu přes Rin.
Stačí tedy místo Rf zapojit spotřebič, který chceme napájet konstantním proudem. Tento proud bude roven
, kde záporné znaménko značí, že proud vtéká do výstupu operačního zesilovače.
Při konstantním napájecím napětí a odporu Rin je výstupní napětí závislé pouze na odporu Rf . Proto lze toto zapojení rovněž využít pro měření právě tohoto odporu. Pro velikost tohoto odporu pak dostaneme
.
Toho se využívá například pro měření teploty termistorem.
(Poznámka: Vzhledem k tomu, že se jedná o invertující zesilovač, vstupní napětí má vždy opačné znaménko než výstupní; jejich poměr má tedy vždy záporné znaménko; proto se ve vzorci vyskytuje minus; výsledný odpor je pochopitelně kladný).
Invertující zapojení operačního zesilovače má ale i další využití - po doplnění o Wienův článek lze například sestavit Wienův oscilátor.
Neinvertující zesilovač

Neinvertující zesilovač zesiluje (násobí konstantou vždy větší než 1) vstupní napětí. Oproti Invertujícímu zesilovači, který má vstupní impedanci danou velikostí odporu R1, se u tohoto zapojení vstupní impedance blíží nekonečnu a nezávisí na hodnotách odporů R1 a R2.
- (reálně odpovídá vstupní impedanci samotného operačního zesilovače, která je ovšem typicky velmi vysoká 1 MΩ až 10 TΩ)
Pro snížení vstupního odporu (například pro potlačení vlivů parazitních svodových proudů na desce plošných spojů) je možné přidat rezistor od kladného vstupu k zemi. Pak bude tento vstupní odpor roven (po zanedbání vstupní impedance zesilovače) roven právě tomuto přidanému odporu.
Sledovač napětí

Sledovač napětí impedančně přizpůsobíme velkou impedanci k malé, má na výstupu napětí rovné vstupnímu. Vstup má ovšem, podobně jako u neinvertujícího zesilovače, impedanci blížící se nekonečnu. Výstupní impedance je daná vlastnostmi použitého operačního zesilovače a je velmi nízká.
Sledovač se používá právě pro oddělení vysokoimpedančního vstupu a nízkoimpedančního výstupu.
- (reálně odpovídá vstupní impedanci samotného operačního zesilovače, která je ovšem typicky velmi vysoká 1 MΩ až 10 TΩ)
Jedná se vlastně o speciální případ neinvertujícího zesilovače, jehož zpětnovazební rezistor je nulový a druhý rezistor (R1) nekonečně veliký.
Skutečně, v takovém případě dostaneme pro výstupní napětí:
Komparátor

Komparátor porovnává napětí přivedená na vstupy + a -. Pokud je vyšší napětí na vstupu +, je na výstupu kladné saturační napětí operačního zesilovače, je li vyšší napětí na vstupu -, je na výstupu záporné saturační napětí operačního zesilovače. U normálních operačních zesilovačů je saturační napětí výstupu řádově o jeden nebo několik voltů nižší než napětí napájecí. Speciální tzv. rail-to-rail operační zesilovače jsou ovšem konstruovány tak, aby výstupní napětí mohlo dosahovat téměř hodnot napětí napájecího.
Schmittův klopný obvod


Schmittův klopný obvod je speciální komparátor, který má hysterezi. To znamená, že jeho výstup je závislý nejen na hodnotě vstupu, ale i na jeho původním stavu.
Podobně jako obyčejný komparátor s operačním zesilovačem, i schmittův klopný obvod dosahuje na výstupu kladného nebo záporného saturačního napětí.
Pokud je na výstupu například kladné napětí, nedojde k překlopení schmittova obvodu při pouhém splnění podmínky jako u komparátoru, ale teprve až rozdíl obou napětí dosáhne prahové hodnoty .
Podobně pokud je nyní na výstupu záporné saturační napětí, může dojít ke zpětnému překlopení schmittova obvodu teprve až v momentě, kdy je o více než .
Oba tyto děje jsou znázorněny na obrázku hysterezního diagramu. Je z něj vidět, že schmittův klopný obvod se v mezích chová jako paměť minulého stavu.
Velikost hystereze se u schmittova klopného obvodu s operačním zesilovačem vypočítá podle vztahu:
Je-li záporný (invertující) vstup zesilovače připojen k zemi přes kondenzátor, a k výstupu přes rezistor, dostaneme Schmittův generátor obdélníkového průběhu.
Integrační zesilovač

Integrační zesilovač provádí integraci (invertovaného) vstupního signálu podle času. Výstupní napětí se vypočítá podle vztahu:
- kde je počáteční napětí, které bylo na výstupu v čase
Integrační zesilovač se mimo jiné dá použít jako filtr, konkrétně dolní propust, analogová paměť (při odpojení odporu R, stabilita paměti je závislá na kvalitě kondenzátoru). Někdy se toto zapojení také nazývá Millerův integrátor.
Derivační zesilovač

Derivační zesilovač provádí derivaci (invertovaného) vstupního signálu podle času. Výstupní napětí se vypočítá podle vztahu:
- kde a jsou funkcemi času.
Derivační zesilovač se mimo jiné dá použít jako filtr, konkrétně horní propust.
Sčítací zesilovač

Sčítací zesilovač sčítá napětí na jednotlivých vstupech, přičemž výsledek je invertovaný. V obecném případě platí pro výstupní napětí vztah:
Pokud jsou hodnoty odporů shodné, ale odpor je nezávislý, pak platí:
Jsou-li všechny odpory shodné, pak:
- Vstupní impedance jednotlivých vstupů jsou , protože ( je plovoucí zem).
Přístrojový zesilovač

Přístrojový zesilovač je rozdílový zesilovač s uzavřenou smyčkou zpětné vazby, který zesiluje rozdíl vstupních napětí a potlačuje souhlasné napětí přivedené na jeho vstupy. Má velmi malou vstupní nesymetrii, vysoký činitel potlačení souhlasných signálů, velký vstupní odpor.
Zesílení obvodu je dáno vztahem:
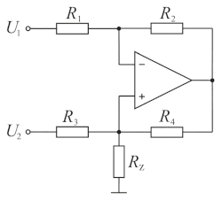
Howlandova proudová pumpa

Howlandova proudová pumpa (též Howlandův obvod nebo Howlandův zdroj proudu) je napětím řízený zdroj konstantního proudu s diferenčními vstupy.
Bude-li platit následující vztah:
Potom bude do zátěže Rz dodáván konstantní proud o velikosti:
V praxi se však nejčastěji vstup U1 spojuje s nulovým potenciálem (tj. se zemí) a rezistory se volí stejné tj. R1=R2=R3=R4=R, potom platí jednodušší vztah:
Jak lze pozorovat z předešlých vztahů, nikde se nevyskytuje velikost zátěže Rz, dodávaný proud Iz je tedy na velikosti zátěže zcela nezávislý. Ale pro správnou činnost obvodu, je třeba ještě dodržet následující podmínku o velikostech odporů a zátěže, která vychází z praxe:
Respektive:
Praxe také ukazuje, že zátěž musí být alespoň poloviční oproti nejmenšímu ze zvolených odporů.
Další zapojení
Výše uvedená zapojení jsou pouze výběrem těch základních, které lze s operačními zesilovači realizovat. Existuje nesčíslně mnoho dalších zapojení. Některá z nich si vystačí s jediným operačním zesilovačem, ale řada z nich jich vyžaduje více.
Některá z dalších zapojení:
- rozdílový zesilovač
- logaritmický zesilovač
- exponenciální zesilovač
- přesný usměrňovač
- detektor špiček
- detektor průchodu nulou
- indukční gyrátor
- konvertor záporné impedance
- různé typy oscilátorů
- různé typy filtrů