Základový pás
Základové pásy tvoří základ pro budoucí zdivo. Pásy většinou tvoří prostý beton, železobeton či ložný kámen. Pásy většinou nejsou izolovány. Železobeton je výhodný z ekonomické stránky. Nejmenší šířkou u ložného kamene je 500 mm, u betonu je šířka 300 mm.
Vodorovná rovina, ve které se stýká se zeminou základ, se nazývá základová spára. Musí být umísťována v nezamrzavé hloubce a proto je minimální hloubka založení 800 mm pod upravovaným terénem. Menší hloubka je používána pod vnitřními zdmi či sloupy. Hloubka spáry se dále odvíjí od lokality umístění budoucí konstrukce.
Galerie
-
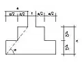
Pás dvoustupňový. a – převislá část základového pasu, t – tloušťka nadzákladového zdiva, v – výška základového pásu, α – roznášecí úhel
-
Pás jednostupňový. a – převislá část základového pasu, t – tloušťka nadzákladového zdiva, v – výška základového pásu, α – roznášecí úhel
-
Pohled zblízka na základovou spáru
Externí odkazy
Obrázky, zvuky či videa k tématu Základový pas na Wikimedia Commons - http://www.domeceksnu.cz/zakladove_pasy
- https://web.archive.org/web/20030823052714/http://www.estav.cz/katalog/listy/K03397.pdf
- http://fast10.vsb.cz/perina/ps1/zakladove-konstrukce.html Archivováno 26. 5. 2021 na Wayback Machine.
- http://www.skoleni-kurzy.eu/ke_stazeni/1/prednasky_ke_stazeni/04_PST-Vykopy_zaklady.pdf Archivováno 19. 5. 2016 na Wayback Machine.
- http://www.fine.cz/geotechnicky-software/napoveda/patky/napeti-v-zakladove-spare/
Portály: Architektura a stavebnictví