Variometr


Variometr je přístroj, který se používá zejména na palubách letadel pro indikaci rychlosti, jakou letoun mění výšku. Pilot s jeho pomocí zjistí například, že letoun v dané chvíli klesá rychlostí 5 m/s, nebo že okamžitá rychlost stoupání je 3 m/s. V anglosaských zemích a v civilním letectví se používají jednotky ft/min (stopy za minutu).
Funkce přístroje je založena na měření rychlosti změny statického tlaku okolního vzduchu. Je známo, že se vzrůstající výškou se tlak vzduchu snižuje a variometr tedy vyhodnocuje rychlost změny a její trend. Když se tlak okolního vzduchu zvyšuje, přístroj to vyhodnocuje jako klesání letounu, když se tlak vzduchu snižuje, variometr indikuje stoupání.
Variometry se podle své konstrukce dělí na křidélkové neboli klapkové (rozdíl venkovního proměnného tlaku a tlaku uvnitř pouzdra vyhodnocuje mechanismus s otočným křidélkem) a membránové neboli kapilárové.
U kapilárových variometrů je statický tlak přenášen do vidiho krabice, která je umístěna ve vzduchotěsném pouzdře přístroje. Tlak v samotném pouzdře však statickému tlaku neodpovídá. Statický tlak je do pouzdra kapilárového variometru pouštěn skrz malý otvor, tzv. kapiláru, a tak je tlak uvnitř pouzdra oproti statickému tlaku „zpožděn”. Rozdíl tlaků uvnitř tlakoměrné krabice a pouzdra přístroje má za následek deformaci krabice, která je přenášena převodním mechanizmem na ručku přístroje. Z důvodu principu kapiláry a značného váznutí v převodovém mechanizmu (v důsledku tření) mají kapilárové variometry značné zpoždění indikace, obvykle se zpoždění pohybuje okolo 3 až 5 sekund.
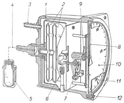
U křidélkových variometrů je pouzdro přístroje klapkou rozděleno na dvě části. Do jedné je vpouštěn statický tlak, druhá část je napojena na uzavřenou nádobu se vzduchem, tzv. termoláhev. Klapka je volně pohyblivá (i když jí do střední polohy vrací vlasová pružina) a je v ní malá štěrbina, aby se mohly tlaky mezi oběma částmi přístroje vyrovnávat. Pokud statický tlak náhle vzroste, pak začne tlačit na štěrbinu tak, aby se stlačil vzduch v termoláhvi. Pokud se po vzrůstu tlak ustálí, pak se tlaky v obou částech vyrovnají a klapka se působením pružiny vrátí do střední polohy. Přímo na klapku je pak upevněna ručka přístroje.
Kvůli absenci kapiláry a převodového mechanizmu mají klapkové variometry mnohem nižší zpoždění a jsou tak schopny rychleji a mnohem citlivěji reagovat na změnu vertikální rychlosti. Právě pro tyto vlastnosti se používají zejména ve větroních. Pro účely plachtařství existují i další typy variometrů, jako například variometr celkové energie.


Literatura
- TŮMA, Jiří. Letecké palubní přístroje. 1. vyd. Praha: Naše vojsko, 1960. 214 s.
Externí odkazy
Obrázky, zvuky či videa k tématu Variometr na Wikimedia Commons