Usměrňovač

Usměrňovač je elektrické zařízení, které se používá k přeměně střídavého elektrického proudu na proud stejnosměrný. Protože elektronické obvody ke své činnosti obvykle potřebují stejnosměrný proud a k distribuci elektrické energie se využívá proud střídavý, bývá usměrňovač součástí většiny elektrických přístrojů a zařízení spotřební elektroniky napájených z elektrické sítě. Usměrňovače se také v hojné míře používají v napájecích soustavách elektrických trakčních vozidel (kupř. pro pohon lokomotiv, tramvají, trolejbusů či vozů metra).[1][2]
Typy usměrňovačů

V současnosti se používají téměř výhradně polovodičové usměrňovače na bázi křemíku, kterými byla ostatní zařízení prakticky vytlačena, i když není vyloučeno, že vzniknou nová zařízení založená na karbidu křemíku, jehož předpokládanou výhodou je možnost provozu při vyšší teplotě.
Obecně mohou být realizovány usměrňovače:
Pro průmyslové účely se na přeměnu střídavého na stejnosměrný proud používalo dříve také spojení elektromotoru a dynama - motorgenerátor (Ward Leonardovo soustrojí).
Z hlediska principu činnosti se rozlišují tři typy usměrňovačů:
- neřízený usměrňovač (diodový)
- řízený usměrňovač (tyristorový, polořízený nebo plně řízený)
- aktivní (též pulzní) usměrňovač (na bázi IGBT tranzistorů)
| Typ usměrňovače | Součástky | Výstupní napětí | Inverzní režim |
|---|---|---|---|
| neřízený | diody | nelze měnit | nemá |
| řízený | tyristory | lze snižovat | má - proudový střídač |
| pulzní | tranzistory a diody | lze zvyšovat (až na dvojnásobek) | má - napěťový střídač |
Z hlediska připojení na napájecí síť lze rozlišit usměrňovače
- jednofázové (jednocestný/jednopulsní, dvoucestný/dvoupulsní)
- třífázové (šestipulsní nebo dvanáctipulsní)
- vícefázové
Nevýhodou klasických diodových nebo tyristorových usměrňovačů je, že odebírají ze sítě zkreslený nesinusový průběh proudu. Tuto nevýhodu řeší aktivní usměrňovače. Aktivní usměrňovače jsou sofistikovaná elektronická zařízení využívající pulsně šířkovou modulaci, mají ve srovnání s klasickými usměrňovači vyšší ztráty a vyšší hodnotu usměrněného napětí, ale umožňují rekuperaci.[1]
Opak usměrňovače, tedy zařízení k přeměně stejnosměrného proudu na střídavý, je střídač.
Zapojení neřízeného usměrňovače
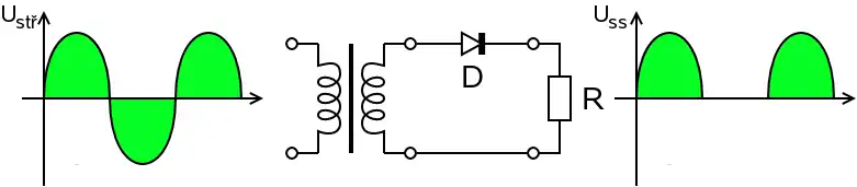
Jednofázový jednocestný
Jednofázový jednocestný usměrňovač propouští pouze jednu půlvlnu vstupního napětí. Má tudíž pouze poloviční účinnost a používá se především u zařízeních s velmi nízkým odběrem proudu. Jde o nejjednodušší zapojení usměrňovače, které vyžaduje pouze jednu diodu.
Velikost usměrněného napětí (zanedbá-li se úbytek napětí na diodě) je dána vzorcem:[1]
kde:
- UDC – střední hodnota výstupního napětí (na zátěži R)
- UAC – efektivní hodnota vstupního napětí (na sekundárním vinutí transformátoru)
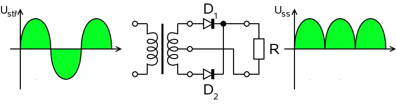
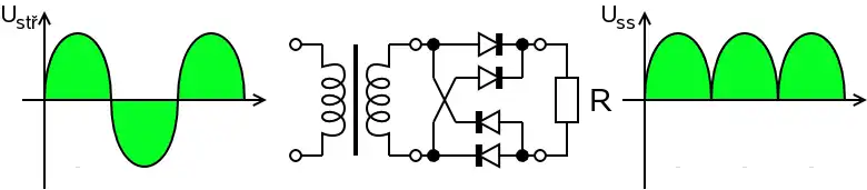
Jednofázový dvoucestný
Dvoucestný usměrňovač propouští obě půlvlny vstupního napětí.
Pokud je usměrňovač napájen transformátorem s dvojitým sekundárním vinutím, lze jej realizovat pomocí dvou diod v tzv. uzlovém zapojení.
Nejpoužívanějším typem dvoucestného usměrňovače je Graetzův (Grätzův) můstek. Jde o zapojení využívající čtyři diody v můstkovém zapojení.
Velikost usměrněného napětí (zanedbá-li se úbytek napětí na diodách) je dána vzorcem:[1]
kde:
- UDC – střední hodnota výstupního napětí (na zátěži R)
- UAC – efektivní hodnota vstupního napětí (na sekundárním vinutí transformátoru, v případě uzlového zapojení na jeho jedné polovině)

Trojfázový
Stejně jako v případě jednofázového napájení rozdělujeme trojfázové usměrňovače na uzlové a můstkové.
Uzlové zapojení lze použít pouze pokud je zdroj zapojen do hvězdy. Výhodou je, že postačí tři diody, nevýhodou je vyšší zvlnění (3 pulsy na periodu).

Velikost usměrněného napětí (zanedbá-li se úbytek napětí na diodách) je dána vzorcem:[3]
kde:
- UDC – střední hodnota výstupního napětí (na zátěži R)
- UAC – efektivní hodnota sdruženého vstupního napětí
Můstkové zapojení lze použít se zdrojem zapojeným do hvězdy i do trojúhelníka. Výhodou je nižší zvlnění (6 pulsů na periodu), nevýhodou je potřeba šesti diod.

Velikost usměrněného napětí (zanedbá-li se úbytek napětí na diodách) je dána vzorcem:[3]
kde:
- UDC – střední hodnota výstupního napětí (na zátěži R)
- UAC – efektivní hodnota sdruženého vstupního napětí
Zapojení řízeného usměrňovače

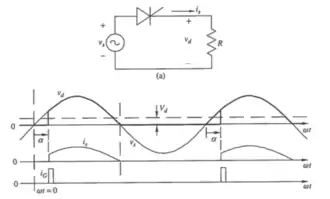
Řízený usměrňovač používá stejná zapojení jako neřízený, s tím rozdílem, že namísto diod požívá tyristory. Na rozdíl od diody, která má dva stavy - propustný a závěrný - má tyristor tři: propustný, závěrný a blokovací. Pokud je přiloženo napětí v závěrném směru, tyristor zůstává uzavřen, pokud je přiloženo v propustném, rovněž je uzavřen (blokován), dokud nedojde k přivedení impulsu na řídící elektrodu (gate). Poté přejde do propustného režimu, ve kterém setrvává, dokud proud neklesne pod danou (tzv. přídržnou) hodnotu. Díky tomu je možné zpozdit sepnutí oproti začátku periody a tím snižovat střední hodnotu výstupního napětí. Velikost výstupního napětí závisí na velikosti vstupního napětí, zapojení usměrňovače, zátěži a tzv. úhlu řízení, který vyjadřuje, po jakou část periody je tyristor vypnut.
Zátěž R
Při použití jednofázového jednocestného zapojení s odporovou zátěží (např. tepelný spotřebič) nedochází k akumulaci energie a průběh výstupního proudu tak kopíruje průběh výstupního napětí. K sepnutí dochází vysláním řídícího impulsu dna řídící elektrodu, k vypnutí dochází při průchodu nulou. Výstupní napětí je vždy kladné, pro jeho velikost platí:[1]
- UDC – střední hodnota výstupního napětí (na zátěži R)
- UAC – efektivní hodnota vstupního napětí (na sekundárním vinutí transformátoru)
- α – úhel řízení (0° - 180°)

Zátěž RL
Při použití jednofázového jednocestného zapojení s odporovou a indukční zátěží dochází k akumulaci energie v indukčnosti a průběhy výstupního proudu a napětí se rozcházejí. K sepnutí dochází vysláním řídícího impulsu na řídící elektrodu, k vypnutí však dochází až po průchodu proudu nulou, vlivem čehož se může na výstupu objevit i záporné napětí. Pokud je použita nulovací dioda V0, je tento režim potlačen a výstupní napětí je vždy kladné, pro jeho velikost platí stejný vzorec jako výše.[4]
Zátěž RLUi

Pokud není použita nulovací dioda V0, může usměrňovač fungovat v usměrňovačovém režimu, kdy napětí ui naindukované na indukčnosti je kladné (např. motor v motorickém režimu), ale může přejít i do střídačového režimu (tzv. proudový střídač). Pro tento chod je nutné, aby napětí ui naindukované na indukčnosti bylo záporné (např. motor v brzdném režimu). Pro výstupní napětí platí:[5]
- UDC – střední hodnota výstupního napětí (na zátěži R)
- UAC – efektivní hodnota vstupního napětí (na sekundárním vinutí transformátoru)
- α – úhel řízení
- usměrňovačový chod pro 0° - 90° (ui > 0)
- střídačový chod pro °90 - 180° (ui < 0).
Filtrační kondenzátor

Pro vyhlazení tepavého napětí se používá tzv. filtrační kondenzátor, jehož kapacita se určí ze vzorce:[6][7]
kde:
- IMAX – maximální proud odebíraný zátěží
- f - frekvence výstupního napětí (pro jednocestné usměrnění stejná jako vstupního napětí, pro dvoucestné zapojení dvojnásobná, pro trojfázové uzlové trojnásobná, pro trojfázové můstkové šestinásobná)
- UMAX – maximální hodnota výstupního napětí (maximální hodnota vstupního napětí snížená o úbytek na diodě/diodách)
- UMIN – minimální hodnota výstupního napětí, pod kterou nemá poklesnout
Pokud by byl kondenzátor připojen na výstup usměrňovače naprázdno (bez zátěže), došlo by k jeho nabití na maximální hodnotu a ta by zůstala konstantní. Je-li připojena zátěž, dochází k vybíjení kondenzátoru a poklesu napětí. Vhodnou volbou kapacity je dosaženo toho, že pro daný zátěžný proud napětí nepoklesne pod stanovenou mez.
Odkazy
Reference
- ↑ a b c d e KŮS, Václav. Elektrické pohony a výkonová elektronika. Plzeň: Západočeská univerzita v Plzni, 2005. ISBN 80-7043-422-8.
- ↑ PAVELKA, Jiří; ČEŘOVSKÝ, Zdeněk. Výkonová elektronika. 2. vyd. Praha: České vysoké učení technické, 2000. ISBN 80-01-02094-0.
- ↑ a b KOLÁŘ, Václav; VRÁNA, Václav. ZÁKLADY POLOVODIČOVÉ TECHNIKY [online]. Fakulta elektrotechniky a informatiky VŠB-TUO [cit. 2024-01-23]. Dostupné online.
- ↑ Usměrňovače [online]. Střední průmyslová škola a Vyšší odborná škola Liberec [cit. 2024-06-19]. Dostupné online.
- ↑ Usměrňovače Přednáška – výkonová elektronika [online]. Fakulta mechatroniky, informatiky a mezioborových studií Technické univerzity v Liberci [cit. 2024-06-19]. Dostupné online.
- ↑ HAMMERBAUER, Jiří. Elektronické napájecí zdroje a akumulátory. Plzeň: Západočeská univerzita v Plzni, 1998. ISBN 80-7082-411-5.
- ↑ Smoothing and Filter Capacitor Calculator [online]. [cit. 2024-01-26]. Dostupné online.
Související články
Externí odkazy
Obrázky, zvuky či videa k tématu usměrňovač na Wikimedia Commons
Slovníkové heslo usměrňovač ve Wikislovníku
Kniha Praktická elektronika/Usměrnění střídavého proudu ve Wikiknihách