Tyristorová regulace výkonu

Pulzní měnič tyristorové elektrické výzbroje TV1 tramvaje Tatra T3M

Tyristorová (pulzní) regulace výkonu je ovládání elektrického výkonu ve stejnosměrném obvodu měničem s tyristory. V Československu začala být používána od 70. let a používá se prakticky dodnes (i když je v poslední době nahrazována zejména regulací tranzistory IGBT). Jsou jí vybaveny např. lokomotivy řad 111, 163/162, 210, 263, 363/362 nebo elektrická jednotka řady 680 (Pendolino). Dále ji používají tramvaje T6A5, KT8D5 a některé tramvaje T3 (s brzdovými rezistory na zadní části střechy vozu, až na pár výjimek, např. ostravské vozy T3G). Je také užívána u některých typů trolejbusů značky Škoda a lze ji použít i pro vozy metra.

Výhody

Oproti dříve používané odporové regulaci má tyristorová regulace vyšší účinnost, protože odpadá problém se ztrátovou přeměnou elektrické energie na teplo v rozjezdovém odporníku. Přesto i v případě tyristorové regulace dochází k určitým ztrátám vlivem komutace a (malým ale nenulovým) úbytkem napětí na sepnutém tyristoru. Výhodou je také možnost plynulé regulace výkonu.

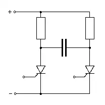
Zjednodušený příklad komutačního obvodu s tyristory

Princip

Tyristorová regulace je založena na funkci tyristoru (výkonové polovodičové součástky se třemi PN přechody a řídicí elektrodou), který se chová jako výkonový spínač s velmi krátkou dobou sepnutí i rozepnutí (v řádu jednotek až stovek mikrosekund) a v rychlém rytmu zapíná a vypíná proud do zátěže (trakčního elektromotoru). Výsledná střední hodnota napětí se ovládá pulzně šířkovou modulací. Kvůli dodržení minimálních časů zapnutého a vypnutého stavu se může měnit i frekvence.

Trakční měnič (obdoba hlavního kontroléru u odporových lokomotiv) se skládá z hlavního tyristoru, vypínacího tyristoru, diod, komutačního obvodu a je chlazen vzduchem, olejem, případně jinou kapalinou. Hlavní tyristor pravidelně střídá činnost v propustném, závěrném a blokujícím režimu. Krátkým proudovým pulsem do řídicí elektrody přejde do propustného režimu, kdy je na zátěži téměř celé napětí zdroje. Sepnutím vypínacího tyristoru se napětí na hlavním tyristoru na okamžik přepóluje, což jej uvede do závěrného režimu a po obnovení polarity do blokujícího režimu, kdy zátěží neprochází proud.

Tyristorová regulace se projevuje také akusticky, jedná se o ono známé hvízdavé bzučení tramvají a lokomotiv při rozjezdu. Výška tónu je dána právě frekvencí – např. u lokomotiv 163/363 ČD je to 33 1/3 Hz (okamžitě po rozjezdu), následují frekvence 100 Hz a potom 300 Hz. Za jízdy je používána frekvence 100 Hz – tzv. horní stovka.

Na tyristorovou regulaci navazuje plynulé odbuzování trakčních motorů (zhruba od 60 km/h u strojů 163/363 ČD), používané až do maximální rychlosti stroje.

Rozlišují se zpětně blokující triodové tyristory (běžný tyristor), RCT tyristory (zpětně neblokující, což umožňuje snížit úbytek napětí v propustném režimu; na některých lokomotivách řady 163 (99E)), GTO tyristory (hradlem vypínané, a to dokonce rychleji, což snižuje ztráty; lokomotiva 184.5, Pendolino ČD, Tatra T3G), a IGCT tyristory (ještě rychlejší; v rekonstrukci na vozidlech 560 ČD).