Transduktor
Transduktor jinak též magnetický zesilovač je elektrotechnická resp. elektronická součást, která slouží k řízení nebo měření proudů, zvláště střídavých. Pomocí malého, stejnosměrného proudu v řídícím obvodu se reguluje velký střídavý proud v zátěžovém obvodu.
Popis

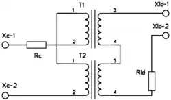
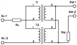
Základem transduktoru je přesytka. Ta představuje v principu tlumivku, která je na schématu vpravo označená T, jejíž indukčnost je měněna změnou předmagnetizace železného jádra. K tomu je transduktor opatřen druhým vinutím, kterým protéká řídící proud. Železné (nebo také feritové) jádro se průchodem řídícího proudu, jehož zdrojem je ve schématu baterie B a Potenciometr R, dostává více nebo méně do oblasti nasycení a tím se mění zdánlivý odpor (induktance) v obvodu střídavého proudu. Na uvedeném příkladu zapojení se tak reguluje svítivost lampy L napájené střídavým proudem z generátoru G.


Jelikož má regulační vinutí mnoho závitů, aby pro regulaci stačil malý proud, indukuje se v něm poměrně velké napětí, které by mohlo regulační obvod zničit. Aby se tomuto nebezpečí zabránilo, použijí se dvě přesytky spojené v jeden celek, transduktor. Pracovní vinutí na obou přesytkách může být propojeno do série (sériový transduktor) nebo paralelně (paralelní transduktor). Další možností je transduktor se společným stejnosměrným vinutím pro obě jádra, u kterého se transformační účinek ruší magneticky.[1]
Použití
Až do 60. let 20. století byly transduktory široce používány pro regulaci otáček těžkých elektromotorů a regulaci osvětlení velkých sálů. Poté začaly být v těchto oblastech vytlačovány značně lehčími a menšími tyristorovými regulátory, které ovšem jsou zdrojem širokého spektra rušících frekvencí. Transduktorová regulace má ve srovnání s moderními regulátory nevýhodu v pomalejší odezvě – řádově desetinásobek periody regulovaného proudu. Transduktory mají velkou životnost, odolnost, přetížitelnost a spolehlivost
Dnes jsou transduktory používány jako převodníky resp. proudová čidla měřících obvodů ve výkonové elektronice. Zde pracují na principu kompenzace – na jádro, kterým prochází vodič, je navinuto další vinutí, kterým prochází takový proud, že se obě pole vzájemně vyruší. Velikost tohoto proudu je pak úměrná měřenému proudu. Tato měřící metoda je vhodná i pro vysokofrekvenční proudy, protože kromě regulované kompenzace zde také působí magnetická vazba na užitečný signál, to znamená, že u rychlých změn se zařízení chová jako transformátor a pro nízké frekvence a stejnosměrný proud pracuje na principu regulované kompenzace.
Reference
V tomto článku byl použit překlad textu z článku Transduktor_(Elektrotechnik) na německé Wikipedii.
Externí odkazy
Obrázky, zvuky či videa k tématu transduktor na Wikimedia Commons