Teslův transformátor

Teslův transformátor (slangově nazývaný teslák[1]) je vzduchový transformátor, který funguje na rezonančním principu. Slouží k vytváření vysokého napětí o vysoké frekvenci (řádově desítky kV až jednotky MV při desítkách až stovkách kHz[2]). Byl vynalezen Nikolou Teslou, který si jej patentoval roku 1891.[3]
Tesla používal tyto obvody k provádění experimentů v oblasti elektrického osvětlení, rentgenových paprsků, vysokofrekvenčních jevů střídavého proudu, a bezdrátového přenosu elektrické energie. Teslovy transformátory byly komerčně používány v jiskřišťových rádiových vysílačích pro bezdrátovou telegrafii až do 20. let 20. století.[4] Dnes je jejich hlavní využití pro zábavní a vzdělávací účely, ačkoli malé Teslovy transformátory se stále používají jako detektory netěsností ve vakuových systémech.[5]
Funkce
Teslův transformátor se skládá z rezonančního vzduchového transformátoru, na jehož primární stranu je připojeno napájení a budící obvod a na sekundární stranu je připojeno výstupní jiskřiště, které produkuje výboje.
Buzení
Podle typu buzení se Teslovy transformátory dělí na několik typů:[6]
- Jiskřišťový (anglicky Spark Gap Tesla Coil – SGTC), nejjednodušší. Napětí z vysokonapěťového zdroje nabíjí kondenzátor, který se vybíjí přes jiskřiště. To může být dvojího provedení:
- Statické jiskřiště se skládá z pevných elektrod, mezi nimiž dochází k přeskoku výboje, přičemž jejich vzdálenost určuje minimální napětí potřebné k přeskoku. Tento typ se používá hlavně u nízkovýkonných transformátorů (do stovek wattů), ale má několik nevýhod – elektrodami protékají vysoké proudy, což vede k jejich zahřívání a ionizaci vzduchu mezi nimi. To postupně degraduje materiál elektrod a může způsobit trvalé hoření oblouku, což snižuje účinnost a stabilitu systému.
- Rotační jiskřiště je složitější, ale účinnější varianta. Používá nevodivý kotouč s kovovými nýty, který se otáčí mezi pevnými elektrodami. Při každém průchodu nýtu mezi elektrodami dojde k přeskoku výboje. Tím se nejen zvyšuje účinnost transformátoru, ale také se díky pohybu a lepšímu chlazení snižuje riziko přehřívání a degradace materiálu. Tento typ jiskřiště umožňuje lepší kontrolu nad výboji a je proto vhodný pro výkonnější aplikace.
- Elektronkový (anglicky Vacuum Tube Tesla Coil – VTTC), využívá výkonovou elektronku ve zpětnovazebním režimu k buzení primární cívky, přičemž zpětnovazební signál je odebírán z dalšího vinutí. Napájení z vysokonapěťového transformátoru (např. 2,2 kV) umožňuje produkci 50–100 impulsů za vteřinu, což však vede k přehřívání anody, a proto se používají regulátory omezující počet aktivních period. Oproti jiskřišťovému typu je tišší, produkuje méně větvené výboje s vyšší teplotou a jeho výkon je omezen možnostmi použitých elektronek.
- Polovodičový (anglicky Solid State Tesla Coil – SSTC) využívá k buzení primárního obvodu obvykle výkonové tyristory nebo tranzistory, jako jsou MOSFETy nebo IGBT.
Rezonanční transformátor
Transformátor je provozován v rezonanci, jeho chod se tak liší od běžného transformátoru. Zatímco běžný transformátor je určen k efektivnímu přenosu energie z primárního vinutí na sekundární, rezonanční transformátor je navržen také k dočasnému ukládání elektrické energie. Transformátor je tvořen dvěma rezonančními obvody; jeden tvoří primární vinutí společně s rezonančním kondenzátorem, druhý tvoří sekundární vinutí a kapacita výstupních elektrod. Primární a sekundární obvody jsou naladěny tak, že mají stejnou nebo blízkou rezonanční frekvenci, tedy:[6][7]
;
díky čemuž si vyměňují energii a působí jako vázaný oscilátor; během každého výboje akumulovaná energie rychle osciluje tam a zpět mezi primární a sekundární stranou obvodu. Aby bylo možné transformátor provozovat v rezonanci, jsou rezonanční transformátory konstruovány odlišně od běžných transformátorů:
- běžné transformátory využívají železné jádro, nicméně při vysokých frekvencích by v železe vznikaly příliš vysoké ztráty, proto jsou rezonanční transformátory konstruovány jako vzduchové;[3]
- běžné transformátory mají pro dosažení vysoké účinnosti vysoký činitel vazby mezi primárním a sekundárním vinutím, typicky k > 0,95; rezonanční transformátory mají činitel vazby výrazně nižší, typicky k = 0,1–0,2.[2] Tato volná vazba zpomaluje výměnu energie mezi primární a sekundární cívkou, což umožňuje, aby oscilující energie zůstala v sekundárním okruhu déle, než se vrátí do primárního a začne se rozptylovat v jiskře.[8]
Vlivem rezonance na rozdíl od běžného transformátorů neplatí, že poměr napětí na primárním a sekundárním vinutí odpovídá poměru závitů vinutí.[9] Převodní poměr je nutné vypočítat z akumulované energie:[10][11]
Výstupní jiskřiště
Výstupní jiskřiště může být provedeno jako:
- unipolární – jeden z pólů sekundárního vinutí je vysokonapěťová výstupní elektroda (často toroidního tvaru[12]), druhý je uzemněn; k výbojům dochází mezi elektrodou a nejbližšími uzemněnými objekty;
- bipolární – oba póly sekundárního vinutí jsou vysokonapěťové elektrody, k výbojům dochází mezi nimi.
-
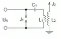
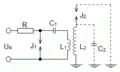
Schéma jiskřišťového Teslova transformátoru s unipolárním jiskřištěm -
Výstupní elektroda unipolárního jiskřiště -
Schéma jiskřišťového Teslova transformátoru s bipolárním jiskřištěm -
Výstupní elektrody bipolárního jiskřiště -
Kartáčové výboje výstupního jiskřiště -
Korónové výboje výstupního jiskřiště -
Průrazné výboje výstupního jiskřiště
Jiskřišťový Teslův transformátor
Jiskřišťový typ je nejstarším a nejjednodušším typem Teslova transformátoru.[6] Skládá se z:
- zdroje vysokého napětí UN (stejnosměrného nebo nízkofrekvenčního střídavého o velikosti cca 5 až 30 kV[8]);
- rezonančního transformátoru s primárním vinutím L1 a sekundárním vinutím L2;
- odporu R, který představuje vnitřní odpor zdroje a odpor přívodních vodičů;
- primární kapacity C1 tvořené kondenzátorem;
- primárního jiskřiště J1, které plní funkcí spínače pro buzení primárního obvodu;
- sekundárního jiskřiště J2, které slouží ke generování výsledných vysokonapěťových výbojů;
- sekundární kapacity C2 která představuje parazitní vlastnosti sekundárního obvodu (mezizávitová kapacita, kapacita prostředí mezi elektrodami, případně elektrodou a zemí[12]).
-
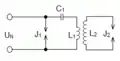
Zjednodušené schéma Teslova transformátoru -
Zjednodušené schéma Teslova transformátoru s alternativním zapojením budícího obvodu -
Podrobné schéma Teslova transformátoru
Po připojení napájecího napětí začne procházet proud přes odpor indukčnost a kapacitu (sériový RLC obvod) na primární straně do doby, než dojde k nabití kapacity na hodnotu napájecího zdroje. Indukčnost primárního vinutí je nízká (řádově desítky μH) a na nabíjecí proces nemá velký vliv.[2] Po dosažení dostatečného napětí na kondenzátoru a tím i na primárním jiskřišti dojde k přeskoku, který z primární strany transformátoru vytvoří paralelní rezonanční LC obvod, který se rozkmitá na frekvenci dané hodnotami indukčnosti a kapacity dle Thompsonova vzorce. Tento prudký kmitající proudový ráz vyvolá v primární cívce magnetickou indukci, jejímž působením ve v sekundární cívce indukuje vysoké napětí. Po vybití primární kapacity a poklesu napětí na jiskřišti přestane primární obvod kmitat a proces se celý opakuje od začátku.[6]
Polovodičový Teslův transformátor
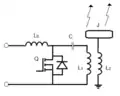
Polovodičové Teslovy transformátory jsou variantou klasických Teslových transformátorů, u nichž je jiskřiště nahrazeno výkonovým polovodičovým spínačem, obvykle tranzistorem. Pro spínání budicího proudu se využívají výkonové tranzistory IGBT (Insulated Gate Bipolar Transistor) nebo MOSFET, které umožňují spínání vysokých proudů na frekvencích v řádu stovek kHz. Kmity pro spínání tranzistorů jsou generovány buď vnějším oscilátorem, nebo zpětnou vazbou ze sekundárního obvodu:[2][6]
- Při použití vnějšího buzení jsou tranzistory jsou řízeny obdélníkovým signálem, čímž lze přesně regulovat výkon transformátoru. U méně výkonných zařízení se uplatňuje jednoduché zapojení s jedním tranzistorem, zatímco pro vyšší výkony se používají polomůstkové nebo můstkové obvody. Mezi napájecí zdroj a transformátor se obvykle zapojuje tlumivka, která zabraňuje zkratování zdroje přes sepnutý tranzistor a zároveň slouží k nabíjení rezonančního kondenzátoru. Po sepnutí tranzistoru se uzavře rezonanční obvod tvořený primární indukčností a kapacitou, čímž vzniká kmitání. V průběhu jedné půlperiody proud protéká přes tranzistor, zatímco v druhé půlperiodě proudí přes paralelně zapojenou nulovou diodu. Stěžejním parametrem je délka trvání spínacích impulzů, která musí být kratší než doba tlumených kmitů primárního rezonančního obvodu; běžně se volí frekvence spínání kolem 5 kHz.
- Zpětná vazba se nejčastěji realizuje pomocí proudového transformátoru (u klasických SSTC — Solid State Tesla Coil — v sérii se sekundární cívkou, u DRSSTC — Dual Resonant SSTC — spíše v sérii s primární cívkou) či kapacitně, prostřednictvím vodiče umístěného v blízkosti sekundáru. Mezi nejjednodušší zapojení patří obvod označovaný jako Slayer exciter, kde je zpětná vazba získávána přímo ze spodního konce sekundární cívky. V tomto uspořádání je tranzistor namáhán proudovými špičkami z primární cívky při rozepnutí, což vede k relativně nízké účinnosti.
-
Schéma Teslova transformátoru s IGBT tranzistorem -
Zapojení Teslova transformátoru zvané Slayer exciter
Elektronkový Teslův transformátor
Zdravotní rizika

Vysokonapěťové výboje o vysoké frekvenci, které vycházejí z výstupní elektrody Teslova transformátoru, představují specifické nebezpečí, které se u jiných vysokonapěťových zařízení nevyskytuje, a to, že při průchodu tělem často nezpůsobují bolestivý pocit a svalovou kontrakci vlivem elektrošoku, jako se to děje v případě úrazu stejnosměrným nebo nízkofrekvenčním střídavým proudem.[10][13] Nervový systém je necitlivý na proudy s frekvencemi nad 10–20 kHz. Předpokládá se, že důvodem je to, že aby se nervová buňka depolarizovala a přenesla impuls, musí projít přes membránu nervové buňky určitý minimální počet iontů vlivem přiloženého napětí. Pří frekvencích na úrovni rádiového spektra není během půlvlny dostatek času na to, aby dostatečné množství iontů prošlo membránou, než se polarita napětí obrátí.[14] Experimentátoři předvádějící Teslovy transformátory často zapůsobí na své publikum tím, že se dotknou vysokonapěťové elektrody nebo nechávají výboje procházet jejich těly.[15][16] Nebezpečí spočívá v tom, že přestože není pociťována žádná bolest, neznamená to, že proudy jsou neškodné. Pokud výboje narazí na holou kůži, mohou způsobit hluboko uložené popáleniny (tzv. RF popáleniny).[17]
Chybným vysvětlením této necitlivosti je to, že vlivem působení povrchového jevu (tzv. skin efektu) prochází proud pouze povrchem těla a nezasahuje nervy a vnitřní orgány. [4][10][18][19] Tato teorie je však mylná.[20][21][22][23] Vysokofrekvenční proud sice má tendenci téci po povrchu vodičů, ale hloubka, do které proniká, nazývaná hloubka vniku, závisí nejen na frekvenci, ale i na rezistivitě a permeabilitě. U kovových vodičů tak skin efekt dokáže omezit velikost proudu ve středu vodiče, nicméně hloubka vniku v tělesné tkáni je mnohem vyšší díky jejímu vyššímu odporu. Pro frekvence v řádu stovek kHz je hloubka vniku v řádu desítek centimetrů. Jelikož i nejhlubší tkáně jsou blíže k povrchu, má skinefekt pouze malý vliv na cestu proudu tělem.[24][25]
Odkazy
Reference
- ↑ Zvukem modulovaný elektronkový teslák. danyk.cz [online]. [cit. 2025-04-17]. Dostupné online.
- ↑ a b c d ŠTEFANEC, František. Polovodičově řízený Teslův transformátor. Praha, 2020 [cit. 2025-01-06]. Bakalářská práce. České vysoké učení technické v Praze – Fakulta elektrotechnická. Vedoucí práce Ing. Martin Kněnický. Dostupné online.
- ↑ a b ERET, Daniel. Teslův transformátor ve školské fyzice. Plzeň, 2022 [cit. 2025-01-06]. Bakalářská práce. Západočeská univerzita v Plzni – Fakulta pedagogická. Vedoucí práce PhDr. Pavel Kratochvíl, Ph.D.. Dostupné online.
- ↑ a b TILBURY, Mitch. The ULTIMATE Tesla Coil Design and Construction Guide. [s.l.]: McGraw Hill Professional 443 s. Dostupné online. ISBN 978-0-07-159589-6. (anglicky) Google-Books-ID: o39HRjMqTuwC.
- ↑ PLESCH, P. H. High Vacuum Techniques for Chemical Syntheses and Measurements. [s.l.]: Cambridge University Press 185 s. Dostupné online. ISBN 978-0-521-25756-5. (anglicky) Google-Books-ID: EXFeF62iL64C.
- ↑ a b c d e SUIDA, Petr. Návrh Teslova transformátoru pro VN jiskrový zdroj. Brno, 2014 [cit. 2025-01-06]. Bakalářská práce. Vysoké učení technické v Brně – Fakulta elektrotechniky a komunikačních technologií. Vedoucí práce Ing. Petr Dohnal, Ph.D.. Dostupné online.
- ↑ CVETIĆ, Jovan M. Tesla’s high voltage and high frequency generators with oscillatory circuits. Serbian Journal of Electrical Engineering. 2016, roč. 13, čís. 3, s. 301–333. Dostupné online [cit. 2025-01-07]. doi:10.2298/sjee1603301c.
- ↑ a b DENICOLAI, Marco. Tesla Transformer for Experimentation and Research. Helsinki, 2001 [cit. 2025-01-06]. Licenciátní práce. Helsinská technická univerzita – Fakulta elektrotechniky a komunikačních technologií. Vedoucí práce Prof. Tapani Jokinen. Dostupné online. (anglicky)
- ↑ Tesla coil [online]. Université Libre de Bruxelles [cit. 2025-01-07]. Dostupné v archivu pořízeném z originálu dne 2013-01-24.
- ↑ a b c SPROTT, Julien C. Physics Demonstrations: A Sourcebook for Teachers of Physics. [s.l.]: Univ of Wisconsin Press 312 s. Dostupné online. ISBN 978-0-299-21580-4. (anglicky) Google-Books-ID: 9wmgYl49YQ0C.
- ↑ ANDERSON, Barton B. The Classic Tesla Coil A Dual-Tuned Resonant Transformer [online]. [cit. 2025-01-07]. Dostupné online.
- ↑ a b BLAHÁK, Adam. Objevy a experimenty Nikoly Tesly. Brno, 2019 [cit. 2025-01-06]. Bakalářská práce. Masarykova univerzita – Pedagogická fakulta. Vedoucí práce Mgr. Lukáš Pawera. Dostupné online.
- ↑ MIENY, C. J. Principles of Surgical Patient. [s.l.]: New Africa Books 1124 s. Dostupné online. ISBN 978-1-86928-005-5. (anglicky) Google-Books-ID: TSxQ6ZzovgkC.
- ↑ KALSI, Aman; BALANI, Nikhail. Physics for the anaesthetic viva. Cambridge, United Kingdom: Cambridge University Press 118 s. ISBN 978-1-107-49833-4.
- ↑ CURTIS, Thomas Stanley. High Frequency Apparatus: Its Construction and Practical Application. [s.l.]: Everyday Mechanics Company 276 s. Dostupné online. (anglicky) Google-Books-ID: GKA3AAAAMAAJ.
- ↑ MARSHALL, Tom. Science teacher arrested after allegedly using Tesla coil to 'brand'. The Standard [online]. 2015-05-07 [cit. 2025-01-14]. Dostupné online. (anglicky)
- ↑ JONES, Graham A.; LAYER, David H.; OSENKOWSKY, Thomas G. National Association of Broadcasters Engineering Handbook: NAB Engineering Handbook. [s.l.]: Taylor & Francis 2053 s. Dostupné online. ISBN 978-1-136-03409-1. (anglicky) Google-Books-ID: l74LCw1TVrIC.
- ↑ Popular Science. [s.l.]: Bonnier Corporation 262 s. Dostupné online. (anglicky) Google-Books-ID: ziADAAAAMBAJ.
- ↑ SARWATE, V. V. Electromagnetic fields and waves. 1. publ. vyd. New York: John Wiley 457 s. ISBN 978-81-224-0468-5, ISBN 978-0-470-21874-7.
- ↑ SABERTON, Claude William Scott. Diathermy in Medical and Surgical Practice. [s.l.]: Cassell, Limited 168 s. Dostupné online. (anglicky) Google-Books-ID: swI1AQAAMAAJ.
- ↑ STRONG, Frederick Finch. High-frequency Currents. [s.l.]: Rebman 320 s. Dostupné online. (anglicky) Google-Books-ID: 2S05vCsoKbkC.
- ↑ COOPER, William Fordham; DOLBEY JONES, D. A. Electrical safety engineering. Third edition. vyd. Oxford Boston: Butterworth-Heinemann, 1993. 1 s. Dostupné online. ISBN 978-1-4831-6149-5.
- ↑ COOPER, William Fordham; DOLBEY JONES, D. A. Electrical safety engineering. Third edition. vyd. Oxford Boston: Butterworth-Heinemann, 1993. 1 s. Dostupné online. ISBN 978-1-4831-6149-5.
- ↑ SASLOW, Wayne M. Electricity, magnetism, and light. Australia: Brooks/Cole Thomson Learning 1 s. ISBN 978-0-08-050521-3.
- ↑ ELDER, Joe Allen; CAHILL, Daniel F. Biological Effects of Radiofrequency Radiation. [s.l.]: Health Effects Research Laboratory, Office of Research and Development, U.S. Environmental Protection Agency 284 s. Dostupné online. (anglicky) Google-Books-ID: TKIKAQAAMAAJ.
Externí odkazy
Obrázky, zvuky či videa k tématu Teslův transformátor na Wikimedia Commons
Encyklopedické heslo Teslův transformátor v Ottově slovníku naučném ve Wikizdrojích- Návod na stavbu Teslova transformátoru.
- Návod na stavbu Teslova transformátoru.
- Popis a stavba SSTC
- Popis, stavba a prezentace DRSSTC, www.blesky.eu.