Superreakční přijímač



Superreakční přijímač, někdy nazývaný superregenerační přijímač, je radiopřijímač který využívá tzv. superreakci k odtlumení rezonančního obvodu a zvýšení citlivosti. Tranzistor (popř. elektronka) ve vstupním obvodu přijímače relaxačně kmitá, čímž přijímač dosahuje velkého zesílení. [1]
Historie
Superreakční obvod popsal Edwin Armstrong roku 1922. Některé vlastnosti obvodu, jako je zkreslení a malá selektivita, byly zpočátku příčinami malého zájmu o tento obvod. Později se uplatnění obvodu rozšířilo. Používali jej radioamatéři při konstrukci levných krátkovlnných přijímačů. Přijímače na principu superreakce byly obsaženy též v některých vojenských radiostanicích. Používala je např. armáda USA během druhé světové války. [2]
Teoretický úvod
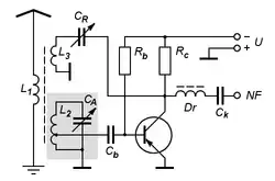
Citlivost rádiopřijímače s jedním tranzistorem a jedním rezonančním obvodem je velmi malá. Jeho vlastnosti se však dají zlepšit i bez doplnění dalších stupňů použitím kladné zpětné vazby, např. podle obr. 2. Kladná zpětná vazba je zde zavedena z kolektoru tranzistoru prostřednictvím kondenzátoru CR a vazebního vinutí L3. Tím se kompenzují ztráty v rezonančním obvodu a zvětší se jeho jakost. Vyšší jakost rezonančního obvodu vede mj. k lepší citlivosti přijímače.
Pro výpočet rezonančního obvodu platí: jakost rezonančního obvodu = rezonanční odpor/ztrátový odpor, tj. .
Kladná zpětná vazba, kompenzující ztráty, zavádí negativní odpor: .
Činitel zpětné vazby: .
Z uvedeného je patrno, že jakost rezonančního obvodu může být teoreticky nekonečně velká. Ve skutečnosti je však omezena stabilitou systému. Popsaný přijímač s kladnou zpětnou vazbou je zapojen podobně jako vysokofrekvenční oscilátor, ale musí být provozován ve stabilní oblasti. Tuto podmínku není jednoduché splnit, když požadujeme, aby přijímač kvůli co nejvyšší jakosti rezonančního obvodu pracoval těsně před nasazením oscilací. Jedním z možných řešení je použití klíčovacího oscilátoru, který bude opakovaně spouštět a zastavovat oscilace vysokofrekvenčního oscilátoru. Takovou úpravou zapojení vznikne superreakční přijímač. Přitom není nutné použít další tranzistor pro klíčovací oscilátor, ale lze zapojit obvod tak, aby plnil funkci vysokofrekvenčního oscilátoru s vlastním klíčováním. [3]
Blokové schéma a příklad zapojení
Blokové schéma superreakčního přijímače je nakresleno na obr. 1. Základ tvoří vždy vysokofrekvenční oscilátor, který má buď vlastní klíčování nebo je klíčován jiným oscilátorem. Klíčovací kmitočet leží v oblasti nad akustickým pásmem a obvykle bývá několik desítek kilohertzů. Superreakční přijímač dále obsahuje dolní propust, jejímž úkolem je odfiltrovat klíčovací signál a vysokofrekvenční složky. Za dolní propustí obvykle následuje nízkofrekvenční zesilovač, na jehož výstupu bývá reproduktor (pokud je přijímač určen k poslechu).
Zapojení superreakčního přijímače může být velmi jednoduché. Tranzistor na obr. 3 má v kolektoru zapojen rezonanční obvod a pracuje jako vysokofrekvenční oscilátor (kladná zpětná vazba je zavedena kondenzátorem C4). Při vhodném nastavení pracovního bodu tranzistor současně funguje také jako zdroj klíčovacího kmitočtu pro superreakci. Nízkofrekvenční signál se odebírá po průchodu dolní propustí, tvořenou součástkami R3, C5, C6. Dále bude přes kondenzátor C7 postupovat na nízkofrekvenční zesilovač (na obrázku není zakreslen). V závislosti na tom, pro jaké účely byl superreakční přijímač navržen, může zapojení obsahovat i šumovou bránu nebo další obvody.
Vlastnosti superreakčního přijímače
- Poměrně vysoká citlivost,
- jednoduchost a nízká cena (oproti superhetu),
- schopnost zpracovat amplitudově i kmitočtově modulované signály,
- superreakční šum na výstupu přijímače,
- rušivé vyzařování do antény.
Uplatnění
Přijímače tohoto typu se kvůli své jednoduchosti dříve používaly na příjem rozhlasového vysílání, popř. byly součástí vojenských a civilních radiostanic. V bývalém Československu se superreakční přijímač objevil např. v elektronkové vojenské polní radiostanici krátkého dosahu TESLA RF-11 a v tranzistorové občanské radiostanici TESLA VKP 050 určené pro pásmo 27 MHz. [4] [5] [6]
Superreakční přijímače bývají též předmětem radioamatérských konstrukcí. [7] [8] Lze je dobře využít v zařízeních pro dálkové ovládání zámků, elektrických spotřebičů, modelů, apod.). Pro tyto účely existují speciální hybridní integrované obvody obsahující superreakční přijímač, jako např. AM-HRR11. [9]
Reference
- ↑ Funkční bloky rádiových systémů – Superreakční přijímače, Doc. Dr. Ing. Pavel Kovář, ČVUT FEL, str. 41
- ↑ Super-regenerative Receivers, John Rennie Whitehead, CUP Archive, 1950, str. 131
- ↑ Kurs polovodičové techniky, Ing. Jindřich Čermák, CSc., SNTL 1976, str. 218
- ↑ Popis a návod k obsluze pro soupravu RF 11a (RF11a-K)
- ↑ Naše první občanské radiostanice, Amatérské rádio 4/1966, str. 16
- ↑ Občanská radiostanice TESLA VKP-50. www.veteranskoda.cz [online]. [cit. 2012-12-27]. Dostupné v archivu pořízeném dne 2015-04-15.
- ↑ Jednoduchý superreakčný prijímač, Amatérské rádio, 1/1973, str. 9
- ↑ Superreakční přijímač pro 20 až 80 MHz, Amatérské rádio, 4/1974, str. 134
- ↑ Datasheet AM-HRR11-XXX
Externí odkazy
Obrázky, zvuky či videa k tématu superreakční přijímač na Wikimedia Commons - Super Regenerative FM Receiver using One transistor (BF494)
- Superreakční přijímače, Ing. Miroslav Petr, Naše vojsko 1957