Styren-butadienový kaučuk
| Styren-butadienový kaučuk | |
|---|---|
![]() | |
| Identifikace | |
| Registrační číslo CAS | 9003-55-8 |
| Bezpečnost | |
![]() GHS07 Varování[1] | |
Některá data mohou pocházet z datové položky. | |
Styren-butadienový kaučuk (SBR) je syntetický kaučuk složený z monomerů ethenylbenzenu (styren) a buta-1,3-dienu (butadien). Jedná se o jeden z nejpoužívanějších kaučuků. Ročně se jej vyrobí 8,67 milionů tun (2018)[2] a každým rokem se množství zvyšuje. Kolem 80 % z tohoto množství je využito na výrobu pneumatik[3]. Tento materiál má vysokou odolnost vůči oděru, dokonalou rázovou pevnost a vysokou pevnost v tahu. Tyto vlastnosti jsou ovlivněny poměrem obsahu komonomerů styrenu/butadienu. S rostoucím množstvím styrenu kaučuk tvrdne a je méně ohebný.
Historie SBR
Styren-butadienový kaučuk je syntetický kaučuk poprvé syntetizován mezi první a druhou světovou válkou. Byl syntetizován v roce 1929 německými vědci Waltrem Bockem a Eduardem Tschunkurem. Syntézu provedli v německé společnosti IG Farben (Interessen-Gemeinschaft Farbenindustrie AG). Tento kaučuk byl poté v roce 1933 patentován a materiál byl nazván Buna-S[4]. Název byl odvozen od Bu pro butadien, jakožto jeden z monomerů, Na pro sodík (lat. natrium), který byl katalyzátor reakce, a S pro styren, což byl druhý monomer.
Také Spojené státy připravovaly během 2. světové války řadu syntetických materiálů včetně kopolymeru butadienu a styrenu. Bylo to hlavně z důvodu, že jejich dodávky přírodního kaučuku (NR) ze zemí jihovýchodní Asie byly pozastaveny z důvodu okupace území japonskou armádou. Američané dali materiálu válečné označení GR-S (Government Rubber-Styren)[4].
Příprava SBR
Mezi nejčastější druhy polymerací SBR patří radikálová a aniontová polymerace monomerů butadienu a styrenu.

Radikálová polymerace
Nejčastěji je prováděna v emulzi, kde disperzní prostředí je voda, lze i provést roztokovou metodou. Emulzní radikálovou polymerací vzniká emulzní styren-butadienový kaučuk (E-SBR). Podle teploty reakce můžeme rozlišit výsledný produkt E-SBR na „teplý kaučuk“ a „studený kaučuk“[6].
Příprava E-SBR je přibližně stejná u obou typů, liší se pouze reakční podmínky polymerace. Teplý E-SBR vzniká polymerací při reakční teplotě 50–60 °C[6] a reakční době 10–20 hod., kdežto polymerace studeného E-SBR probíhá při teplotě 5 °C, pH emulze 8–10 a za zvýšeného tlaku. Polymerace je iniciována volnými radikály, nejčastěji hydroxyperoxidy s železnatou solí, které atakují jednotlivé monomery v místech dvojné vazby (radikálová adice). Dojde k vytvoření radikálu na monomeru, jenž dále atakuje další monomer (propagace). Do reakční směsi se přidávají emulgátory v množství až 7 % reakční směsi. Jedná se o upravená mýdla[5]. Během reakce můžeme řídit molární hmotnost polymeru, tedy i viskozitu výsledného produktu za pomocí thiolů (merkaptanů), např.: 2,3,3,4,4,5-hexamethylhaxan-2-thiol[7]. Polymerace se ukončuje při dosažení konverze okolo 60 %, kdy se přidají do reakční směsi inhibitory, případně u studeného E-SBR stabilizátory. Vzniklý produkt ve formě latexu se vysráží pomocí systému sůl–kyselina. Zároveň se během koagulace upravené mýdlo rozpadá na mastné a pryskyřičné kyseliny[6]. U teplého E-SBR vzniká rozvětvenější struktura oproti studenému E-SBR, což je důsledek vyšší reakční teploty.
Aniontová polymerace
Tato rychlá reakce probíhá v roztoku a odtud je pojmenován výsledný produkt polymerace jako roztokový styren-butadienový kaučuk (solution SBR, S-SBR). Nemůže probíhat v emulzi, jelikož anionty vznikají jen ve vhodném rozpouštědle, ve kterém jsou zároveň rozpuštěny monomery, čehož u emulzní polymerace nelze dosáhnout. Aniontová polymerace styrenu a butadienu probíhá v alifatickém rozpouštědle, nejčastěji hexanu nebo cyklohexanu, voda se do reakce nepřidává[7]. Iniciátory reakce jsou alkyllithiové katalyzátory. Katalyzátor (nukleofil) atakuje monomer za vzniku karbaniontu, který dále atakuje další monomerní jednotku, dochází k přenosu náboje na polymerním řetězci, a tedy i k jeho růstu. Reakce je citlivá na nečistoty a může ji přerušit přítomnost např. vody, O2 nebo epoxidu, čehož se může využít i účelově na terminaci reakce.
Výroba SBR
SBR představuje asi 60 % celosvětové výroby syntetických kaučuků[6]. Celosvětově se vyrobí okolo 5,300 ktun[8], přičemž v současnosti se nejhojněji vyrábí E-SBR, asi 85 % z celosvětové výroby SBR. V USA je hlavním producentem Bridgestone/Firestone (25 % světové výroby) a Goodyear (3 % světové výroby). V Evropě jsou nejdůležitější společnosti Repsol Quimica SA (10 %), Shell (5 %), Michelin (5 %), Petrochim NV (3 %), Bayer (3 %) a EniChem (2 %). V Japonsku jsou hlavními producenty Asahi Chemical (10 %), Japan Synthetic Rubber (2 %). Tato celosvětová výroba se vztahuje k roku 2001[8]. Teplý E-SBR se vyráběl v období 2. světové války a po ní. Jeho výroba je rychlejší a efektivnější, avšak je postupně vytlačován výrobou Studeného E-SBR díky jeho horší odolnosti proti oděru a horším dynamickým vlastnostem. Při výrobě teplého E-SBR obsahoval výsledný kaučuk 70–78 % butadienu a 22–30 % styrenu, přičemž polymerace probíhala při 50 °C. Dlouhou dobu se považoval pro dosažení optimálních pevnostních charakteristik 23% obsah styrenu v kaučuku. Dnes se však přiklání k názoru, že je optimální obsah 18 % styrenu[6].
Studený E-SBR
Výroba se zavedla na konci 2. světové války. Vyrábí se za reakční teploty 5 °C pomocí redoxního iniciačního systému, který se skládá z α-kumenyl-hydroperoxidu nebo diisopropylbenzenhydroperoxidu s formaldehydsulfoxylátem sodným a se síranem železnatým komplexně vázaným kyselinou ethylendiamintetraoctovou[6]. Podrobný obsah látek pro výrobu studeného E-SBR lze vidět níže v Tabulce 1.
| Látka | Role v reakci | Obsah v hmot. dílech |
| Butadien | Monomer | 72 |
| Styren | Monomer | 28 |
| Voda | Disperzní prostředí | 200 |
| Draselné mýdlo disproporc. kalafuny | Emulgátor | 4,4 |
| Kondenzát naftalensulfonanu sodného s formaldehydem | Emulgátor | 0,2 |
| NaCl | Koagulátor | 0,5 |
| diisopropylbenzenhydroperoxid | Iniciátor | 0,1 |
| Síran železnatý v komplexu s kyselinou ethylendiamintetraoctovou | Redukovadlo | 0,01 |
| Formaldehydsulfoxylát sodný | Redukovadlo | 0,07 |
| 2,3,3,4,4,5-hexamethylhaxan-2-thiol | Regulátor | 0,2 |
| Dimethyldithiokarbaman sodný | Inhibitor | 0,15 |

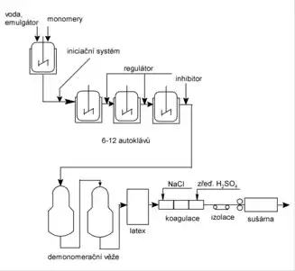
Samotná výroba probíhá v 6–12 autoklávech z nerezové oceli o obsahu 10–30 m3 pod zvýšeným tlakem kontinuálně. Jako emulgátory slouží draselné mýdlo disproporciované kalafuny a kondenzát naftalensulfonanu s folmaldehydem (Tab. 1). Do druhého autoklávu se přidává regulátor. Polymerace běží do 60–70% konverze, kdy se inhibuje přídavkem dimethyldithiokarbamanu sodného, popřípadě i stabilizátoru (fenyl-β-naftylamin), v Tabulce 1 není uveden. Po zakončení polymerace následuje odstranění nezreagovaných monomerů. Nejdříve uvolněním tlaku na 0,35 MPa se odstraní butadien, při následném snížení tlaku na 6,6 kPa a při zvýšení teploty na 60 °C se odstraní styren párou v demonomeračních věžích nebo tancích. Výsledný latex obsahuje okolo 24 % kaučuku. Latex se poté stabilizuje antioxidanty nebo se mísí s oleji. Koagulace latexu se vyvolá systémem sůl–kyselina, v tomto případě NaCl – zředěná H2SO4. Nejdříve po přídavku roztoku NaCl dojde k tzv. krémování a poté po přídavku zřeď. H2SO4 latex koaguluje zcela. Zároveň zde dochází k rozkladu přebytečných mýdel na mastné a pryskyřičné kyseliny, uvolněná disproporciovaná kalafuna zůstává v kaučuku a pozitivně ovlivňuje jeho zpracovatelské vlastnosti. Tento proces probíhá v kaskádě nádrží, které jsou intenzivně promíchávány. Na ně navazují vibrační síta (propírání), šnekové lisy (částečné odvodnění), dezintegrátory (drcení) a pásové sušárny (vysušení kaučuku)[6].
Pokud se SBR latexy nekoagulují, využívají se na speciální lepidla.
Při nízkých teplotách kopolymerace má výsledný E-SBR jednotnější strukturu (Tab. 2) a lepší fyzikální vlastnosti[6].
E-SBR se v České republice vyráběl do roku 2023[9] ve firmě SYNTHOS Kralupy a.s. (dříve KAUČUK a.s.) v Kralupech nad Vltavou pod názvem Kralex. V roce 1998 vyrobili 2 miliony tun Kralexu.
| Teplota [°C] | Obsah jednotlivých typů jednotek [%] | ||
| (vinylové) 1,2- | Trans-1,4- | Cis-1,4 | |
| 97 | 21 | 52 | 27 |
| 65 | 22 | 58 | 20 |
| 50 | 23 | 63 | 14 |
| 5 | 21 | 72 | 7 |
| −10 | 20 | 77 | 3 |
S-SBR

Výroba probíhá aniontovou roztokovou polymerací pomocí alkyllithiových katalyzátorů, nejčastěji butyllithium. Pro získání statistických kopolymerů se přidávají tzv. randomizéry, nebo se používají speciální postupy polymerace. Lithiové katalyzátory řídí obsah buta-1,4-dienových, buta-1,2-dienových a styrenových jednotek v kaučuku (Tab. 3)[6].
| Kaučuk | Obsah butadienové jednotky [%] | Obsah styrenu [%] | Teplota skelného přechodu [°C] | ||
| Cis-1,4- | Trans-1,4- | 1,2- (vinylová) | |||
| S-SBR, typ A | 30 | 42 | 9 | 19 | −70 |
| S-SBR, typ B | 24 | 32 | 19 | 25 | −47 |
| E-SBR | 5,5 | 55 | 16 | 23,5 | −50 |
V celosvětovém měřítku je S-SBR využívaný hned po E-SBR. Vlastnosti S-SBR kaučuku jsou vhodnější pro některé aplikace, např. u pneumatik, což může vést k jeho budoucí hojnější výrobě. Od roku 1960 začal konkurovat E-SBR v automobilovém pneumatikářském průmyslu. Roku 1997 měl S-SBR až 20% zastoupení v celosvětové výrobě SBR[8]. Představuje asi 5–6 % světové výroby kaučuků[6]. V České republice je rovněž vyráběn firmou SYNTHOS Kralupy a.s.
Typy SBR
E-SBR
Neboli emulzní styren-butadienový kaučuk. Reakce probíhá radikálovou polymerací butadienu a styrenu v emulzi. Rozlišujeme teplý kaučuk a studený kaučuk[5].
1) Teplý kaučuk
Je to starší typ výroby E-SBR. Tento typ SBR má více větvenou strukturu než studený kaučuk. Teplý kaučuk se připravuje při teplotách mezi 50–60 °C[5]. Tento typ SBR má dobré zpracovatelské charakteristiky (vhodný například na vytlačování), nízký stupeň smrštění a dobrou rozměrovou stabilitu[5].
2) Studený kaučuk
Jedná se o novější typ E-SBR. Připravuje se kontinuální vodní emulzní polymerací při 5°C. Tento typ E-SBR má lepší mechanické vlastnosti, odolnost proti oděru a lepší dynamické vlastnosti v porovnání s teplým typem E-SBR[5].
S-SBR
Neboli roztokový styren-butadienový kaučuk. Jeho příprava probíhá procesem roztokové aniontové polymerace butadienu a styrenu. Vznikají poté statistické kopolymery, kdy střídání monomerů je řízeno statistikou neboli pravděpodobností[10]. Materiál má poté dobrou pevnost v tahu a velkou odolnost vůči oděru a únavě.
XSBR
Jedná se o karboxylovaný styren-butadienový kaučukový latex. Příprava probíhá emulzní polymerací. Jako základní složky směsi se využívá butadien, styren a nenasycené karboxylové kyseliny, např. kyselina akrylová, metakrylová či maleinová. Zavedením karboxylu do směsi zavedeme do směsi polární skupinu, která zajišťuje afinitu a interakci s většinou minerálních plniv a jejich nano-modifikací. Nevýhodou přídavku polární skupiny je následná vyšší adsorpce vody[11].
OE-SBR
Olejem nastavený SBR (angl. oil extended SBR) může vzniknout společnou koagulací E-SBR s olejem a případně plniv. V tomto případě jsou velmi dobře částice E-SBR dispergovány v oleji, kdy se tato disperze přidá do reakční směsi. Olej se přidává ke snížení ceny a ke zlepšení zpracovatelnosti materiálu[10].
Vysokostyrenový SBR
Vyrábějí se roztokovou kopolymerací
1) Samoztužené elastomery
Monomer styrenu je v tomto případě ve směsi mezi 40–55 %. Používá se jako základní elastomer v kaučukové směsi[12]
2) Styren-butadienové pryskyřice
U tohoto typu je styrenu ve směsi 70–79 %. Používají se ve směsích s styren-butadienovým (SBR), přírodním (NR), chloroprenovým (CR) nebo nitril kaučukem (NBR). Do kaučukových směsí se přidávají ve formě ztužujících organických plniv o malé hustotě. Obecně se používají hlavně v obuvnictví na podešve bot[12].
YSBR
Jsou termoplastické SBR kaučuky[12]. Při pokojové teplotě má tento materiál vlastnosti elastomeru, ale zpracovává se jako termoplast. Připravuje se aniontovou kopolymerací butadienu a styrenu v alifatickém rozpouštědle. Konkrétním zástupcem YSBR může být styren-butadien-styren (SBS). Je to blokový kopolymer styren, butadien, styren[12]. Z pohledu vnitřní stavby obsahuje tuhé, tvrdé styrenové bloky a pružné, elastické butadienové bloky[13]. Zpracovává se jako standardní termoplasty. U SBS nedochází k vulkanizaci kaučuku a při běžné teplotě má elastomerní vlastnosti. Při zvýšené teplotě přechází do plastického stavu, proto se nemůže používat při zvýšených teplotách na teplu vzdorné materiály[12].
Vulkanizace SBR kaučuku
Vulkanizace SBR se provádí pomocí stejných vulkanizačních činidel jako přírodní kaučuk. Používá se sirný i peroxidový vulkanizační systém . Při vulkanizaci pomocí síry se přidává poměrově menší množství než u přírodního kaučuku.
Sirný vulkanizační systém
Sirný vulkanizační systém dokáže síťovat pouze na místě dvojné vazby. Vytvořená vazba má tvar C‑Sx‑C. U SBR může tedy vazba vznikat na dvou místech.

Peroxidový vulkanizační systém
Peroxidové vulkanizační činidlo nepotřebuje k síťování dvojnou vazbu. Vazba se vytváří přímo mezi dvěma uhlíky sousedních řetězců.

Využití SBR kaučuků
Hlavním produktem vyráběným z SBR jsou pneumatiky, převážně pro automobily, ale i pro lehká vozidla. SBR poskytuje nízký valivý odpor, vysokou trakci při brzdění a nízký oděr, což jsou vlastnosti, které jsou pro tuto aplikaci požadovány. Není vhodný pro výrobu běhounů pneumatik nákladních vozidel. S-SBR má vyšší teplotu skelného přechodu (Tg) a díky tomu se využívá i pro běhouny motocyklů[14].
Mezi další aplikace SBR patří různé druhy pevných kol, rolovacích krytů, potažení textilních materiálů a elektrická izolace.
SBR s příměsemi jsou vhodné pro podlahové krytiny a především na spodkové materiály v obuvnictví. Kaučuky mají mnoho obchodních názvů mezi nimi jsou také Syntion®, KER® a KRALEX® vyráběné ve společnosti Synthos, a.s. v Kralupech nad Vltavou.
Reference
- ↑ a b Benzene, ethenyl-, polymer with 1,3-butadiene, hydrogenated. pubchem.ncbi.nlm.nih.gov [online]. PubChem [cit. 2021-05-24]. Dostupné online. (anglicky)
- ↑ SBR annual production capacity globally 2023. Statista [online]. [cit. 2021-05-05]. Dostupné online. (anglicky)
- ↑ Solution Styrene Butadiene Rubber (S-SBR) Market Report, 2018-2025. www.grandviewresearch.com [online]. [cit. 2021-05-05]. Dostupné online. (anglicky)
- ↑ a b Styrene-butadiene rubber | chemical compound. Encyclopedia Britannica [online]. [cit. 2021-05-05]. Dostupné online. (anglicky)
- ↑ a b c d e f Styrene-Butadiene (SBR) Rubber: Uses, Structure & Material Properties. omnexus.specialchem.com [online]. [cit. 2021-05-05]. Dostupné online. (anglicky)
- ↑ a b c d e f g h i j k l m MLEZIVA, Josef. Polymery - výroba, struktura, vlastnosti a použití. Praha: Sobotáles, 1993. ISBN 80-901-5704-1.
- ↑ a b OBRECHT, Werner; LAMBERT, Jean-Pierre; HAPP, Michael. Ullmann's Encyclopedia of Industrial Chemistry, Rubber, 4. Emulsion Rubbers. [s.l.]: American Cancer Society Dostupné online. ISBN 978-3-527-30673-2. doi:10.1002/14356007.o23_o01. (anglicky) DOI: 10.1002/14356007.o23_o01.
- ↑ a b c WHITE, J.R.; DE, S.K. Rubber technologist's handbook. United Kingdom of Great Britain and Northern Ireland: Shawbury, Shrewsbury, Shropshire: Rapra Technology Ltd., 2001. ISBN 1-85957-440-8.
- ↑ ZENKNER, Petr. Ceny energií drtí chemičky. Synthos v Kralupech zavře jednotku na výrobu kaučuku. Hospodářské noviny (HN.cz) [online]. 2023-03-06 [cit. 2025-01-17]. Dostupné online.
- ↑ a b NAVRATILOVA, Jana. MAKROMOLEKULÁRNÍ CHEMIE II: ELASTOMERY. Zlín, 2018. Výukový materiál. UTB Zlín.
- ↑ ALIMARDANI, Mohammad; ABBASSI-SOURKI, Foroud; BAKHSHANDEH, Gholam Reza. Preparation and characterization of carboxylated styrene butadiene rubber (XSBR)/multiwall carbon nanotubes (MWCNTs) nanocomposites. Iranian Polymer Journal. 2012-11-XX, roč. 21, čís. 11, s. 809–820. Dostupné online [cit. 2021-05-05]. ISSN 1026-1265. doi:10.1007/s13726-012-0087-1. (anglicky)
- ↑ a b c d e DUCHÁČEK, Vratislav. Polymery: výroba, vlastnosti, zpracování, použití. 2. vyd. Praha: Vydavatelství VŠCHT, 2006. ISBN 80-708-0617-6.
- ↑ Polymery. publi.cz [online]. [cit. 2021-05-05]. Dostupné online.
- ↑ Styrene-Butadiene (SBR) Rubber: Uses, Structure & Material Properties. omnexus.specialchem.com [online]. [cit. 2021-05-05]. Dostupné online. (anglicky)
Externí odkazy
Obrázky, zvuky či videa k tématu Styren-butadienový kaučuk na Wikimedia Commons

