Standardizovaná lišta NATO


Standardizovaná lišta NATO je montážní systém používaný na ručních střelných zbraních pro montáž optických zaměřovačů a dalšího příslušenství. Systém je standardizován normou STANAG 4694 (zkratka z NATO Standardization Agreement, česky Standardizační dohoda NATO). [1] Standard byl přejat od roku 2012 do ČOS 100010 (Český obranný standard).[2]
Historie
Předchůdcem standardizované lišty NATO je lišta Picatinny (norma MIL-STD-1913. ČOS 100010 standard MIL-STD-1913 nenahrazuje, ale uvádí jej mezi souvisejícími dokumenty. Dále uvádí, že nový standard je zpětně kompatibilní s příslušenstvím vytvořeným pro lištu podle MIL-STD-1913.

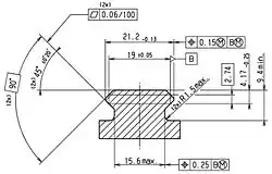
Vybrané významné změny doplněné standardem
- metrické míry
- změna doporučených kontaktních ploch
- stanovení více rozměrů
Seznam dalších montážních systémů
Mimo uvedený standard existuje více montážních systémů pro montáž zaměřovačů případně i dalšího příslušenství. Následný seznam montážních systémů není úplným výčtem. Některé z uvedených systémů jsou používány jen pro krátké zbraně.
- Weaver
- Picatinny
- RIS
- UIT
- KeyMod
- M-LOK
Odkazy
Reference
- ↑ ČERNÝ, Pavel; DUŠEK, Václav; VINDUŠKA, Ondřej. Manuál obranné střelby II. Praha: Grada, 2013. 320 s. ISBN 978-80-247-4427-8.
- ↑ KUČERA, VOP-026 ŠTERNBERK, Lumír,. STANDARDIZOVANÁ LIŠTA NATO PRO PŘÍSLUŠENSTVÍ [online]. 2012 [cit. 2017-09-10]. Dostupné v archivu pořízeném dne 2019-07-15.
Související články
Externí odkazy
Obrázky, zvuky či videa k tématu Standardizovaná lišta NATO na Wikimedia Commons