Povrchová montáž


SMT (anglicky surface-mount technology), česky povrchová montáž je postup, kdy se elektronické součástky pájením osazují přímo na povrch plošného spoje. Plošný spoj může být vícevrstvý, běžně bývají využívány čtyři vrstvy mědi, přičemž součástky jsou osazeny z vnějších stran, tedy na horní a spodní vrstvu. Součástky určené pro povrchovou montáž jsou označovány jako SMD (surface-mount device). Povrchová montáž se rozšířila především díky miniaturizaci elektroniky v průběhu 80. let 20. století. V současnosti se používá v téměř každém sériově vyráběném elektronickém přístroji.
Velikosti SMD součástek
Součástky SMD jsou dodávány v různých velikostech. Tyto jsou dány buď typem pouzdra, nebo čtyřčíselným označením velikosti, využívaným u pouzder typu Flat chip (pouzdro ve tvaru kvádru, využívané u rezistorů nebo kondenzátorů). Jelikož je zmíněné označení odvozeno od existujících měrových systémů, můžeme se setkat s označeními odvozenými jak od rozměrů délky a šířky uvedených v setinách palce, tak od jednotek v desetinách milimetru, přičemž druhý uvedený způsob je v některých případech možno odlišit podle písmene "M" uvedeného na konci. Nicméně jelikož lze toto označení často nalézt bez jakéhokoliv rozlišení, je jediným jistým způsobem určení jednotek, ve kterých je označení uvedeno, zařazení čtyřciferného čísla podle jeho typizované velikosti viz tabulka.
| Kód | Délka (d) | Šířka (š) | Výška (v) | Výkon | ||||
|---|---|---|---|---|---|---|---|---|
| Imperiální | Metrické | Palce | Milimetry | Palce | Milimetry | Palce | Milimetry | Watty |
| 01005 | 0402 | 0,016 | 0,406 | 0,008 | 0,203 | 0,005 | 0,127 | 1/32 (0,03) |
| 0201 | 0603 | 0,024 | 0,6 | 0,012 | 0,3 | 0,01 | 0.25 | 1/20 (0,05) |
| 0402 | 1005 | 0,04 | 1,0 | 0,02 | 0,5 | 0,014 | 0,35 | 1/16 (0,062) |
| 0603 | 1608 | 0,06 | 1,55 | 0,03 | 0,85 | 0,018 | 0,45 | 1/10 (0,10) |
| 0805 | 2012 | 0,08 | 2,0 | 0,05 | 1,2 | 0,018 | 0,45 | 1/8 (0,125) |
| 1206 | 3216 | 0,12 | 3,2 | 0,06 | 1,6 | 0,022 | 0,55 | 1/4 (0,25) |
| 1210 | 3225 | 0,12 | 3,2 | 0,10 | 2,5 | 0,022 | 0,55 | 1/2 (0,50) |
| 1218 | 3246 | 0,12 | 3,2 | 0,18 | 4,6 | 0,022 | 0,55 | 1 |
| 2010 | 5025 | 0,20 | 5,0 | 0,10 | 2,5 | 0,024 | 0,6 | 3/4 (0,75) |
| 2512 | 6332 | 0,25 | 6,3 | 0,12 | 3,2 | 0,024 | 0,6 | 1 |

U tranzistorů (případně také diod), které nejsou zapouzdřeny jako Flat chip, se velikost součástky určuje podle typu pouzdra, kdy musíme znát jeho typizované velikosti. Zde se můžeme setkat s různými pouzdry typu SOT (SOT23, SOT 143), DPAK či D2 PAK (vytvořeny společností Motorola), či pouzdrem Mini SOT (vyvinuto v Japonsku). Dále se můžeme setkat s pouzdry typu MELF, které je využíváno pro diody, kondenzátory a rezistory. Rezistory a kondenzátory umístěné v tomto pouzdře mají velikosti 0805, 1206, 1406 a 2308, pro diody jsou využívány pouzdra SOD 80 Mini-MELF o rozměrech 1,6mm x 3,5mm a SM1 MELF s velikostí 2,5mm x 5mm. Zvláštní kapitolou jsou v tomto ohledu tvářené tantalové kondenzátory. Jejich velikost je rozlišena metrickými kódy a řadou písmen A-D, která jsou k nim přiřazená.
U integrovaných obvodů záleží rozměry na typu pouzdra a z něj plynoucí rozteči vývodů. Rovněž záleží na jejich tvaru a umístění. Základní typy pouzder jsou SO, LCC, Flat pack, Quad flat pack, PGA, BGA a TSOP, přičemž jsou tyto kategorie rozlišeny dalšími podkategoriemi podle jejich dalších parametrů, případně vzniklých jejich dalším vývojem a z něj vyplývající miniaturizací.
Přes jednoznačné výhody strojového pájení (vyšší kvalita, rychlost, přesnost) je možno některé SMD součástky pájet ručně. Větší součástky lze přiletovat pomocí odporové páječky, se zmenšujícími rozměry je ale vhodné využít horkovzdušné pájecí stanice. Je-li ale potřeba využít určité komponenty, např. pouzdro typu BGA, je nutno použít speciální stroj (využívající pájení pomocí infračerveného záření), protože při pájení ručně hrozí poškození a nedostatečné připájení součástky.
U starší technologie osazování desek s plošnými spoji byly pro součástky vrtány otvory, do kterých byly tyto osazeny a vývody byly pájeny z druhé strany.
Typy pouzder SMD součástek

Jak bylo řečeno výše, součástky využívané při výrobě pomocí SMT technologie se nazývají SMD. Maximální snaha různých výrobců o miniaturizaci a jejich různé přístupy k jejímu řešení vedly k postupnému vývoji mnoha různých pouzder, které se liší podle mnoha parametrů. Některé z nich budou postupně představeny níže. Podrobné informace o pouzdru konkrétní součástky jsou zpravidla k dispozici v datasheetech výrobce, kde nalezneme přesné nejen přesné rozměry součástky, ale také velikosti plošek, využitých k přiletování součástky, rozdělené podle jednotlivých druhů pájení.
Flat chip
Jedná se asi o nejznámější pouzdro technologie SMT a je využíváno pro drtivou většinu jednobranů, jako jsou rezistory a kondenzátory, ale také se běžně můžeme setkat s takto zapouzdřenými tlumivkami, diodami, teplotními čidly (pt 100), případně dalšími komponentami využívanými v elektrotechnice. Součástky zapouzdřené do tohoto pouzdra mají obvykle tvar kvádru, jehož protilehlé hrany tvoří elektrody (angl. terminations – česky zakončení) z materiálů jako mosaz, hliník, nikl, chrom či měď, které bývají ze strany pouzdra (vnitřní strana) postříbřené (stříbro s přídavkem palladia), nebo pozlacené. Z druhé strany bývá nanesena tenká vrstva cínu. Velikost těchto elektrod závisí na výrobci. Nosným prvkem je zpravidla oxid hlinitý (keramika) nebo oxid křemičitý, přičemž jejich rozložení záleží na typu a konstrukci konkrétní součástky. Její povrch s vytištěnou hodnotou může být u některých komponent ze skla či pryskyřice, u jiných je využit materiál nosného prvku. Velikost součástky je udávána zpravidla čtyřmístným číslem, které označuje velikost délky a šířky v palcích, jak můžete vidět v tabulce výše. Přesto se ale můžeme setkat také u výkonových součástek s odlišnými rozměry, které jsou zpravidla odvozeny od klasických rozměrů záměnou délky a šířky součástky. Jsou-li v tomto pouzdře zapouzdřeny LED diody, bývá katoda označena barevnou tečkou, případně pruhem u příslušného kontaktu.
MELF
Pouzdra tohoto typu jsou využívány častěji v Evropě a Japonsku, než ve Spojených státech amerických. Sestávají z pocínovaných zakončení, umístěných na protilehlých kruhových stěnách, a obalu vlastní součástky ze skla či pryskyřice. Přestože jsou zpravidla válcového tvaru, můžeme se setkat také s průřezem, jenž se podobá čtverci se zaoblenými rohy. K označení parametrů součástky je využíván čárový kód u rezistorů, případně potisk u diod (označení napětí u Zenerovy diody). U diod bývá katoda odlišena pruhem u odpovídajícího vývodu. Výhodou tohoto typu pouzdra je především jeho cena. Nevýhodou naopak je, že při pájení díky válcovému tvaru častěji dochází k pohybu součástky, což se projeví především při strojové výrobě.
Pouzdra se vyskytují v několika velikostech. Rezistory a kondenzátory můžeme vidět ve velikostech 0805, 1206, 1406 a 2308. U diod narazíme na varianty tohoto pouzdra s názvy MicroMELF (1,2mm x 2mm), SOD 80 MiniMELF (1,6mm x 3,5mm) a SM1 MELF (2,5mm x 5mm).
SMA (DO-214AC), SMB (DO-214AA), SMC (DO-214AB)
Jedná se o typ pouzder, díky kterému je možné pomocí SMT osadit diody s vyšším výkonem než např. u MELF. Pouzdro je tvarem velmi podobné tantalovým kondenzátorům, určeným pro povrchovou montáž. Mohou se lišit způsobem zahnutí kontaktů, označením polarity, případně dalšími drobnými detaily. Jedná se zpravidla o černý kvádr s dvojicí kontaktů na jeho protilehlých hranách. Kontakt katody bývá označen zpravidla světlým (bílým či šedým) pruhem na horní stěně pouzdra. Na zbytku stěny může být vytištěn název diody, případně další informace. Kontakty bývají zahnuté podél bočních stěn pod diodu.
| Půdorys a bokorys součástky | Označení rozměru | Rozměry pouzdra [mm]
min. – max. |
Volný pohled | ||
|---|---|---|---|---|---|
| SMA | SMB | SMC | |||
![]() ![]() |
A | 2,29 – 2,92 | 3,30 – 3,94 | 5,59 – 6,22 | ![]() ![]() |
| B | 4,00 – 4,60 | 4,06 – 4,57 | 6,60 – 7,11 | ||
| C | 1,27 – 1,63 | 1,96 – 2,21 | 2,75 – 3,18 | ||
| D | 0,15 – 0,31 | 0,15 – 0,31 | 0,15 – 0,31 | ||
| E | 4,80 – 5,59 | 5,00 – 5,59 | 7,75 – 8,13 | ||
| G | 0,05 – 0,20 | 005 – 0,20 | 0,10 – 0,20 | ||
| H | 0,76 – 1,52 | 0,76 – 1,52 | 0,76 – 1,52 | ||
| J | 1,96 – 2,40 | 2,00 – 2,50 | 2,00 – 2,50 | ||
SOD 123, SOD 323
Pouzdro využívané pro výkonnější diody, než např. MELF. Na rozdíl od předchozího pouzdra má vývody zahnuté vně pouzdra, tvar se může vzdáleně jevit podobný zavřené rakvi. Katoda je zpravidla označena světlým pruhem u příslušného kontaktu. Jejich výhodou může být lepší přístup ke kontaktům při pájení v amatérských podmínkách.
| Půdorys a bokorys součástky | Označení rozměru | Rozměry pouzdra [mm]
min. – max. |
Volný pohled | |
|---|---|---|---|---|
| SOD 123 | SOD 323 | |||
![]() ![]() |
A | 0,55 typ | 0,25 – 0,35 | ![]() |
| B | 1,40 – 1,70 | 1,20 – 1,40 | ||
| C | 3,55 – 3,85 | 2,30 – 2,70 | ||
| H | 2,55 – 2,85 | 1,60 – 1,80 | ||
| J | 0,00 – 0,10 | 0,00 – 0,10 | ||
| K | 1,00 – 1,35 | 1,00 – 1,10 | ||
| L | 0,25 – 0,40 | 0,20 – 0,40 | ||
| M | 0,10 – 0,15 | 0,10 – 0,15 | ||
| α | 0° – 8° | 0° – 8° | ||
SMAF
Méně známé pouzdro určené pro diody. Lze jej vzdáleně přirovnat k jehlanu s obdélníkovou základnou s useknutou špičkou, přestože je tvar lehce podobný velice nízkému kvádru, jako u mnoha pouzder SMD. Kontakty jsou obdélníkového tvaru a jsou umístěny ze spodní strany pouzdra na jeho protilehlých stranách, přičemž jej částečně přesahují.
| Půdorys a bokorys součástky | Označení rozměru | Hodnota rozměru [mm]
min. – max. |
Volný pohled na součástku |
|---|---|---|---|
![]() ![]() ![]() |
A | 2,25 – 2,95 | ![]() ![]() |
| C | 1,25 – 1,65 | ||
| D | 0,10 – 0,40 | ||
| E | 3,95 – 4,60 | ||
| F | 4,80 – 5,60 | ||
| J | 0,90 – 1,10 | ||
| L | 0,50 – 1,50 |
SOD 106 (DO-214AC)
Méně známé pouzdro pro diody většího výkonu. Pouzdro je podobné vzhledu SMA, ale je mnohem členitější. Katoda bývá označena světlým, nejčastěji bílým proužkem poblíž příslušného kontaktu.
| Půdorys a bokorys součástky | Označení rozměru | Rozměry pouzdra [mm]
min. – max. |
Volný pohled |
|---|---|---|---|
![]() ![]() |
A | 2,0 – 2,3 | ![]() ![]() |
| A1 | 0,05 | ||
| b | 1,4 – 1,6 | ||
| c | 0,2 | ||
| D | 4,3 – 4,5 | ||
| E | 2,4 – 2,8 | ||
| H | 5,1 – 5,5 | ||
| Q | 2,7 – 3,3 |
SOD 110
Méně známé pouzdro využívané především pro diody. Kontakty jsou na jeho protilehlých stranách, z horní části je zalito zalévací hmotou. Polarita je označena proužkem na jeho horní části.
| Půdorys a bokorys součástky | Označení rozměru | Hodnota rozměru [mm]
min. – max. |
Volný pohled na součástku |
|---|---|---|---|
![]() ![]() |
A | 1,60 max. | ![]() ![]() |
| B | 0,75 – 1,10 | ||
| D | 1,90 – 2,10 | ||
| E | 1,10 – 1,40 | ||
| L | 0,25 – 0,65 | ||
| Y | 0,1 |
Pouzdra tantalových kondenzátorů

Mají specifický tvar kvádru, vzdáleně podobný tvaru pouzdra typu Flat chip. Od tohoto se odlišují především svými rozměry, tvarem kontaktů a případným zkosením nad kontaktem s kladnou polaritou, což bývá jedno z jeho označení. Kladný pól kondenzátoru lze rovněž poznat podle pruhu, který je poblíž odpovídajícího vývodu na horní stěně součástky. Pod tímto pruhem bývají uvedeny další parametry, především kapacita a napětí kondenzátoru. Velikost součástky je označena písmenem příslušným odpovídajícímu standardu EIA. Tyto písmenné kódy se mohou v různých katalozích mírně lišit. Pouzdra kondenzátorů existují ve dvou základních variantách – standardní a nízkoprofilové. Hlavní rozdíl mezi nimi spočívá především v provedení kontaktů, kdy nízkoprofilová varianta mívá kontakty pouze na stěně, kterou se stýká s deskou plošných spojů (což neplatí u všech výrobců), v absenci zešikmení, označujícího polaritu a samozřejmě v nižší výšce. Informace o rozměrech kondenzátorů dle katalogů výrobců jsou uvedeny v tabulce níže. SMD kondenzátory jsou dodávány také v pouzdrech typu Flat chip. Zde poznáme polaritu podle tvaru kontaktů, kdy z kontaktu kladné polarity může vyčnívat kratičký hrot podobný tenkému drátku. Jedná-li se o dvouanodový kondenzátor, nalezneme zde dva hroty nad sebou.
| Označení velikosti | Rozměry pouzdra [mm] | Rozměry kontaktů [mm] | |||||
|---|---|---|---|---|---|---|---|
| Znak | Kód EIA | Délka (D) | Šířka (Š) | Výška (V) | Šířka (A) | Délka (B) | Výška (C) |
| A | 3216-18 | 3,2 ±0,2 | 1,6 ±0,2 | 1,6 ±0,2 | 1,2 | 0,8 | 0,4 |
| B | 3528-21 | 3,5 ±0,2 | 2,8 ±0,2 | 1,9 ±0,2 | 2,2 | 0,8 | 0,5 |
| C | 6032-28 | 6,0 ±0,3 | 3,2 ±0,3 | 2,5 ±0,3 | 2,2 | 1,3 | 0,9 |
| D | 7343-31 | 7,3 ±0,3 | 4,3 ±0,3 | 2,8 ±0,3 | 2,4 | 1,3 | 0,9 |
| X | 7343-43 | 7,3 ±0,3 | 4,3 ±0,3 | 4,0 ±0,3 | 2,4 | 1,3 | 1,7 |
| E | 7260-38 | 7,3 ±0,3 | 6,0 ±0,3 | 3,6 ±0,2 | 4,1 | 1,3 | 0,9 |
| R | 2012-12 | 2,0 ±0,2 | 1,3 ±0,2 | 1,2 | 0,9 | 0,5 | * |
| S | 3216-12 | 3,2 ±0,2 | 1,6 ±0,2 | 1,2 | 1,2 | 0,8 | * |
| T | 3528-12 | 3,5 ±0,2 | 2,8 ±0,2 | 1,2 | 2,2 | 0,8 | * |
| U | 6032-15 | 6,0 ±0,3 | 3,2 ±0,3 | 1,5 | 2,2 | 1,3 | * |
| V | 7343-20 | 7,3 ±0,3 | 4,3 ±0,3 | 2,0 | 2,4 | 1,3 | * |
*) Jedná se o nízkoprofilové kondenzátory bez zalomených kontaktů, výška kontaktu pro ně tedy není udávána.
SOT
Zkratka tohoto typu pouzdra je odvozena od anglického názvu small-outline transistor a označuje množství různých pouzder určených pro povrchovou montáž. Je možné se také setkat s japonským označením součástky SC spolu s příslušným kódem. Pouzdra typu SOT mají tvar podobný plochému (zpravidla černému plastovému) kvádru, na jehož delších protilehlých stěnách jsou vyvedeny kontakty v počtech od třech do osmi. Je využíváno nejen pro zapouzdření bipolárních a unipolárních tranzistorů, případně diod, (kdy v případě zapouzdření diody jeden kontakt zůstává nevyužit), ale také různých stabilizátorů, klopných obvodů a podobně. Níže jsou popsány orientační rozměry jednotlivých pouzder. Pro přesnou informaci je vhodné vyhledat vhodný výkres pro konkrétní součástku.
| Hodnoty rozměrů pro jednotlivá pouzdra v milimetrech
min. – max. |
||||||
|---|---|---|---|---|---|---|
| Půdorys a bokorys součástky | Označení rozměru | SOT 23 |
SOT 346 |
SOT 323 |
SOT 416 |
Volný pohled |
![]() ![]() |
A | 2,8 – 3,4 | 2,7 – 3,1 | 1,8 – 2,2 | 1,4 -1,8 | ![]() |
| B | 1,2 – 1,4 | 1,3 – 1,7 | 1,15 – 1,35 | 0,7 – 0,8 | ||
| C | 0,89 – 1,11 | 1,0 – 1,3 | 0,8 – 1,1 | 0,6 – 0,9 | ||
| D | 0,37 – 0,5 | 0,35 – 0,5 | 0,1 – 0,3 | 0,15 – 0,3 | ||
| G | 1,78 – 2,04 | 1,7 – 2,1 | - | 1,0 | ||
| H | 0,013 – 0,01 | 0,013 – 0,1 | 0,013 – 0,1 | 0 – 0,1 | ||
| J | 0,086 – 0,177 | 0,09 – 0,18 | 0,1 – 0,25 | 0,1 – 0,25 | ||
| K | 0,45 – 0,6 | 0,1 – 0,3 | 0,1 – 0,425 | 0,2 – 0,3 | ||
| L | 0,89 – 1,02 | - | 0,65 | - | ||
| L+V | - | 1,25 – 1,65 | - | 0,7 – 0,9 | ||
| S | 2,11 – 2,48 | 2,5 – 3,0 | 2,11 – 2,48 | 1,45 – 1,75 | ||
| V | - | - | 0,45 – 0,6 | - | ||
| Hodnoty rozměrů pro jednotlivá pouzdra v milimetrech
min. – max. |
||||
|---|---|---|---|---|
| Půdorys a bokorys součástky | Označení rozměru | SOT 143 |
SOT 343 |
Volný pohled |
![]() ![]() |
A | 2,8 – 3,04 | 1,8 – 2,2 | ![]() |
| B | 1,2 – 1,39 | 1,15 – 1,35 | ||
| C | 0,89 -1,14 | 0,7 – 1,0 | ||
| D | 0,39 – 0,50 | 0,3 – 0,4 | ||
| F | 0,79 – 0,93 | 0,5 – 0,7 | ||
| G | 1,78 – 2,03 | 1,2 – 1,4 | ||
| H | 0,013 – 0,1 | 0,10 | ||
| J | 0,08 – 0,15 | 0,1 – 0,25 | ||
| K | 0,46 – 0,6 | 0,15 – 0,45 | ||
| L | 0,445 – 0,6 | 0,35 | ||
| R | 0,72 -0,83 | 0,7 – 0,8 | ||
| S | 2,11 – 2,48 | 2,0 – 2,2 | ||
| Půdorys a bokorys součástky | Označení rozměru | Rozměry SOT 223-4 v milimetrech | Volný pohled |
|---|---|---|---|
![]() ![]() |
A | 6,3 – 6,7 | ![]() |
| B | 3,3 – 3,7 | ||
| C | 1,5 – 1,75 | ||
| D | 0,6 – 0,89 | ||
| F | 2,9 – 3,2 | ||
| G | 2,2 – 2,4 | ||
| H | 0,02 – 0,10 | ||
| J | 0,24 – 0,35 | ||
| K | 1,5 – 2,0 | ||
| L | 0,85 – 1,05 | ||
| S | 6,7 – 7,3 |
| Půdorys a bokorys součástky | Označení rozměru | Rozměry SOT 223-5 v milimetrech | Volný pohled |
|---|---|---|---|
![]() ![]() |
A | 6,5 ±0,2 | ![]() |
| B | 3,56 +0,15 −0,25 | ||
| C | 1,55 – 1,8 | ||
| D | 0,74 +0,05 −0,08 | ||
| F | 3,0 ±0,1 | ||
| G | 1,5 | ||
| H | 0,025 – 0,1 | ||
| J | 0,3 +0,03 −0,07 | ||
| K | 1,7 | ||
| L | - | ||
| S | 6,96 +0,33 −0,25 |
| Půdorys a bokorys součástky | Označení rozměru | Rozměry SOT 353 v milimetrech | Volný pohled |
|---|---|---|---|
![]() ![]() |
A | 1,8 – 2,2 | ![]() |
| B | 1,15 – 1,35 | ||
| C | 0,8 – 1,1 | ||
| D | 0,1 – 0,3 | ||
| G | 0,65 | ||
| H | 0,013 – 0,1 | ||
| J | 0,1 – 0,25 | ||
| K | 0,1 – 0,3 | ||
| S | 2,0 – 2,2 | ||
| V | 0,3 – 0,4 |
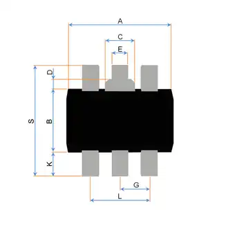
| Hodnoty rozměrů pro jednotlivá pouzdra v milimetrech | |||||
|---|---|---|---|---|---|
| Půdorys a bokorys součástky | Označení rozměru | SOT 23-6 | SOT 363 | SOT 457 | Volný pohled |
![]() ![]() |
A | 2,9 ±0,2 | 1,8 – 2,2 | 2,7 – 3,1 | ![]() |
| B | 1,6 −0,1 |
1,15 – 1,35 | 1,3 – 1,7 | ||
| C | 1,1 +0,2 −0,1 |
0,8 – 1,1 | 0,9 – 1,1 | ||
| D | 0,4 +0,1 −0,2 |
0,1 – 0,3 | 0,25 – 0,40 | ||
| G | 0,95 | 0,65 | 0,95 | ||
| H | 0 – 0,1 | 0,013 – 0,1 | 0,013 – 0,1 | ||
| J | 0,15 +0,1 −0,05 |
0,1 – 0,25 | 0,1 – 0,26 | ||
| K | - | 0,1 – 0,3 | 0,2 – 0,6 | ||
| S | 2,8 ±0,3 | 2,0 – 2,2 | 2,5 – 3,0 | ||
| V | - | 0,3 – 0,4 | - | ||
| Půdorys a bokorys součástky | Označení rozměru | Rozměry SOT 28 v milimetrech
min. – max. |
Volný pohled |
|---|---|---|---|
![]() ![]() |
A | 2,8 – 3,0 | ![]() |
| B | 1,5 – 1,75 | ||
| C | 0,9 – 1,45 | ||
| D | 0,22 – 0,38 | ||
| G | 0,65 | ||
| H | 0 – 0,15 | ||
| J | 0,09 – 0,2 | ||
| K | 0,35 – 0,55 | ||
| S | 2,6 – 3,0 | ||
| L | 0,425 |
| Půdorys a bokorys součástky | Označení rozměru | Rozměry SOT 490 v milimetrech
min. – max. |
Volný pohled |
|---|---|---|---|
![]() ![]() |
A | 1,5 – 1,7 | ![]() |
| B | 0,75 – 0,95 | ||
| C | 0,6 – 0,8 | ||
| D | 0,23 – 0,33 | ||
| G | 0,5 | ||
| J | 0,1 – 0,2 | ||
| K | 0,45 – 0,55 | ||
| S | 4,45 – 5,46 | ||
| L | 1,0 |
| Půdorys a bokorys součástky | Označení rozměru | Rozměry SOT 89-3 v milimetrech | Volný pohled |
|---|---|---|---|
![]() ![]() |
A | 4,4 – 4,6 | ![]() |
| B | 2,29 – 2,6 | ||
| C | 1,4 – 1,6 | ||
| D | 0,36 – 0,48 | ||
| E | 1,62 – 1,8 | ||
| F | 0,44 – 0,53 | ||
| G | 1,5 | ||
| J | 0,35 – 0,44 | ||
| K | 0,8 – 1,04 | ||
| S | 3,94 – 4,25 | ||
| L | 3,0 |
| Půdorys a bokorys součástky | Označení rozměru | Rozměry SOT 89-5 v milimetrech | Volný pohled |
|---|---|---|---|
![]() ![]() |
A | 4,5 ±0,3 | ![]() ![]() |
| B | 2,5 ±0,3 | ||
| C | 1,6 | ||
| D | 0,4 | ||
| E | 0,47 | ||
| F | 0,47 | ||
| G | 1,5 | ||
| H | 1,5 ±0,3 | ||
| J | 0,4 | ||
| K | 1,0 | ||
| S | 4,5 +0,5 −0,3 | ||
| L | 3,0 |
DPAK (TO-252AA), D2PAK (TO-263) , D3PAK (TO-268)
Jelikož mezi součástkami SMT bylo potřeba vytvořit pouzdro využitelné pro spínání větších výkonů, vyvinula společnost Motorola pouzdro typu DPAK, které mělo tento nedostatek odstranit. Později byli navrženi jeho následovníci – D2PAK jako SMD náhrada pouzdra pro klasickou montáž TO220 a D3PAK pro situace, které překračovaly limity jeho předchůdců. Tato pouzdra sestávají z plastového kvádru zpravidla černé barvy a odpovídajících vývodů. Tato mají na jedné straně zpravidla tři vývody, přičemž jeden je zpravidla zkrácen a tedy nevyužíván, u pouzdra typu DPAK může chybět. Na spodní části vede směrem k protilehlé straně těchto vývodů chladič, sloužící jako další kontakt, jenž je pájen celou svou plochou k desce plošných spojů. Tento typ pouzdra je využíván například pro výkonové tranzistory, diody, tyristory, případně další součástky. Orientační rozměry součástek jsou uvedeny v tabulce níže.
| Půdorys a bokorys součástky | Označení rozměru | Velikost rozměru v milimetrech
min. – max. |
Volný pohled na součástku | ||
|---|---|---|---|---|---|
| DPAK | D2PAK | D3PAK | |||
![]() ![]() |
A | 6,35 – 6,73 | 9,65 – 10,67 | 15,8 – 16,0 | ![]() ![]() |
| B | 9,40 – 10,41 | 14,61 – 15,88 | - | ||
| C | 4,95 – 5,46 | 9,65 – 10,67 | 15,8 – 16,0 | ||
| D | - | - | 14,8 – 15,1 | ||
| E | 5,97 – 6,22 | 8,51 – 9,65 | - | ||
| F | 2,74 | 4,78 – 5,28 | 3,9 – 3,95 | ||
| G | 0 – 1,02 | 1,27 – 1,78 | 1,2 – 1,4 | ||
| H | 1,40 – 1,78 | 1,78 – 2,79 | 2,4 – 2,7 | ||
| I | 2,29 | 2,54 | 5,45 | ||
| J | 0,64 – 0,89 | 0,51 – 0,99 | 1,15 – 1,45 | ||
| K | 0,46 – 0,61 | 0,38 – 0,74 | 0,4 – 0,65 | ||
| L | 0,46 – 0,89 | 1,14 – 1,65 | 1,45 – 1,6 | ||
| M | 2,18 – 2,39 | 4,06 – 4,83 | 4,9 – 5,1 | ||
Výhody
- obvod je menší a kompaktnější
- jednodušší a levnější výroba v průmyslu, méně vrtání
- součástky lze umístit po obou stranách desky s plošnými spoji
Nevýhody
- obtížnější ruční pájení jemných kontaktů (pro amatéry nebo opraváře), zejména u integrovaných obvodů, nebo u miniaturních rezistorů a kondenzátorů.
- obtížná, či dokonce nemožná výměna součástek v amatérských podmínkách
- nevhodné pro výkonové součástky
- horší odvod tepla
Externí odkazy
Obrázky, zvuky či videa k tématu SMT na Wikimedia Commons - (anglicky) Popis jednotlivých pouzder součástek SMD a technologie SMT
- (anglicky) Informace o značení velikosti rezistorů
- (anglicky) Informace o nové velikosti rezistorů 01005
- (anglicky) Odkaz na velikost pouzdra typu MicroMELF - datasheet diody BAS381
- (anglicky) Americký patent US 6703683 B Chip resistor and method for manufacturing the same
- (anglicky) Katalogové listy tantalových kondenzátorů spol. Kemet
- (anglicky) Katalogové listy tantalových kondenzátorů spol. AVX
- (rusky/anglicky) Přehled rozměrů součástek typu SOT, SOD, MELF, miniMELF a dalších
- (anglicky) Výkres pouzdra SOT 223-5
- (anglicky) Výkres pouzdra SOT 28
- (anglicky) Výkres pouzdra SOT 89-5 Archivováno 18. 1. 2015 na Wayback Machine.
- (anglicky) Výkres pouzdra SOT 23-6 Archivováno 9. 8. 2017 na Wayback Machine.
- (anglicky) Výkres pouzdra DPAK
- (anglicky) Výkres pouzdra D2PAK
- (anglicky) Výkres pouzdra D3PAK
- (anglicky) Katalog různých součástek spol. Diodes incorporated Archivováno 14. 8. 2015 na Wayback Machine.
- (anglicky) Přehled pouzder různých typů spolu s jejich zobrazením a alternativními názvy
- (anglicky) Výkres pouzdra SOD 110
- (anglicky) Výkres pouzdra SOD 106






















































