p-V diagram

p-V diagram, (též pV-diagram, diagram tlak–objem[1]) je stavový diagram zobrazující závislost tlaku plynu na jeho objemu. Na vodorovnou osu se vynáší objem, na svislou osu tlak. Používá se pro vizualizaci termodynamických dějů a termodynamických cyklů v uzavřených systémech, ale také například v medicíně – v kardiovaskulární fyziologii a respirační fyziologii.
Popis
Body v p-V diagramu
Každý bod v p-V diagramu určuje jednoznačně stav zkoumaného plynu. Při známém množství zkoumaného plynu na základě znalosti tlaku a objemu je možné vypočítat teplotu podle stavové rovnice. Například pro ideální plyn ze stavové rovnice ideálního plynu vyplývá:
kde
- – teplota plynu
- – tlak plynu
- – objem plynu
- – počet molů plynu
- – molární plynová konstanta
Čáry v p-V diagramu

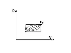
Spojité čáry v p-V diagramu zobrazují různé termodynamické děje nebo jejich postupnost, jimiž se zkoumaný plyn dostane z jednoho stavu do druhého. Základní termodynamické děje mají charakteristický průběh čar. Je možné je vyjádřit rovnicí obecné polytropy s exponentem n: p.vn = const. (viz obrázek):
- izobara – čára je rovnoběžná s vodorovnou osou (n=0)
- izochora – čára je rovnoběžná se svislou osou (n= )
- izoterma – pro ideální plyn je čára hyperbola (n=1)
- adiabata – pro ideální plyn je čára exponenciální křivka s exponentem rovným Poissonově konstantě (n=k)
- polytropa – obecná křivka probíhající ve výseku mezi izotermou a adiabatou
Plochy v p-V diagramu

Plošný obsah uzavřené plochy v p-V diagramu je úměrný objemové (mechanické) práci. Toto vyplývá ze vztahu pro práci, co je v daném případě i vztah pro výpočet plochy v daných souřadnicích diagramu:
kde
- – je objemová práce (J)
- – je funkce průběhu tlaku plynu při ději z bodu 1 do bodu 2 (Pa)
- – je funkce průběhu tlaku plynu při ději z bodu 2 do bodu 1 (Pa)
- – je nejmenší objem během cyklu (m3)
- – je nejmenší objem během cyklu (m3)
- – je diferenciál objemu (m3)
Pokud termodynamické děje probíhají okolo ohraničené plochy v směru hodinových ručiček, tato práce se z pracovního oběhu získává, diagram tedy odpovídá tepelnému motoru. Pokud termodynamické děje probíhají okolo ohraničené plochy proti směru hodinových ručiček, tato práce se v pracovním oběhu spotřebovává, diagram tedy odpovídá pracovnímu stroji.
Zobrazení základních tepelných oběhů v p-V diagramu

p–V diagram zobrazuje závislost změny tlaku p na objemu V pro určitý termodynamický děj nebo více dějů. Sada dějů v termodynamice typicky tvoří termodynamický cyklus, u něhož se systém vrací do výchozího stavu, s původním tlakem a objemem.[zdroj?]
Na obrázku vpravo je idealizovaný p–V diagram. Významné stavy jsou označeny čísly 1 až 4. Trajektorie mezi dvěma stavy znázorňuje určitý termodynamický děj (označený písmeny A až D), při kterém se mění tlak nebo objem systému (nebo obojí). Význam diagramu je v tom, že znázorňuje množství energie vynaložené nebo přijaté systémem ve formě práce, protože čistá práce je reprezentována plochou uzavřenou čtyřmi úsečkami. Procesy 1-2-3 na obrázku produkují pracovní výstup, zatímco procesy 3-4-1 vyžadují dodání energie pro návrat do výchozího stavu; čistá práce je jejich rozdílem. Tento obrázek je značně idealizovaný, protože všechny přechody mezi stavy jsou znázorněny úsečkami a rohy jsou tvořeny pravými úhly. Pracovní cyklus skutečného zařízení má složitější tvar.[zdroj?]
Historie
p–V diagram pod názvem indikátorový diagram vyvinul v roce 1796 James Watt se svým zaměstnancem John Southern.[2][3] Diagram byl zaznamenáván pisátkem, kterým v jednom směru pohybovala deska propojená s pístem a ve směru kolmém indikátor měřiče tlaku.[zdroj?] Watt použil tento diagram pro radikální zlepšení účinnosti parního stroje. V současnosti se indikátorový diagram získává z rychlého snímače tlaku umístěného přímo v pracovním prostoru motoru nebo stroje. Zachycuje tedy skutečný průběh tlaku který se vlivem různých dějů (průtah zapálení, nedokonalost spalování, průstup tepla, ztráty škrcením, apod.) od teoreticky modelovaného odlišuje.
-
Princip získávání Wattova indikátorového diagramu -
Naznačení rozdílů mezi indikátorovým diagramem a teoretickým oběhem v p-V diagramu Ottova cyklu (zážehový motor); opožděné spalování (zeleně), tepelné ztráty stěn (červeně), ztráty při sání (modře)
Aplikace
Technika
Diagram konkrétně znázorňuje závislost tlaku páry na jejím objemu ve válci během celého cyklu pohybu pístu parního stroje. Graf umožňuje výpočet vykonané práce a může tak poskytnout měřítko výkonu produkovaného strojem.[4]
-
Indikátorový diagram parní lokomotivy[5]
Pro přesný výpočet práce vykonané systémem je třeba vypočítat integrál tlaku podle objemu. Z p–V diagramu lze snadno vypočítat práci, která je dána plochou uzavřenou cyklem.[zdroj?]
Někdy se na osu x nevynáší objem, ale specifický objem; v tomto případě bude plocha pod křivkou reprezentovat práci na jednotku hmotnosti pracovního plynu (tj. J/kg).[zdroj?]
Pracovní cykly pístových motorů
-

-

-
Seiligerův cyklus – smíšený -
Cyklus s prodlouženou expanzí
Pracovní cykly turbín
-
Ericssonův–Braytonův cyklus bez regenerace -
Jouleův–Braytonův cyklus s regenerací -

Medicína
V kardiovaskulární fyziologii je diagram často používá znázornění určitých událostí srdečního cyklu v levé srdeční komoře. Analýza smyčky tlak-objem v kardiologii se široce používají v základním výzkumu a preklinickém testování pro charakteristiku výkonnosti nedotčeného srdce v různých situacích (vliv léčiv, nemocí, charakterizace kmenů) myší.[zdroj?]
Každý srdeční cyklus se skládá z následující posloupnost dějů. Levý obrázek ukazuje p–V smyčku z reálného pokusu; písmena se odkazují na body na této křivce.
-
Příklad pV diagramu, který zachycuje poměry levé srdeční komory myši -
Lidské srdce
- A je koncový diastolický bod; to je bod, ve kterém začíná kontrakce. Tlak se začíná zvyšovat, rychle překročí atriální tlak, a mitrální chlopeň se uzavře. Protože tlak je také nižší než aortální tlak, je aortální chlopeň také uzavřena.
- Segment AB odpovídá fázi kontrakce. Protože mitrální i aortální chlopně jsou uzavřené, objem je konstantní. Z tohoto důvodu se tato fáze nazývá izovolumická kontrakce.
- V bodě B tlak překročí tlak aorty a aortální chlopeň se otevře, čímž začíná ejekce.
- BC je ejekční fáze, objem se zmenšuje. Na konci této fáze se tlak opět snižuje a klesá pod aortální tlak. Aortální chlopeň se zavírá.
- Bod C je koncový systolický bod.
- Segment CD je izovolumická relaxace. Během této fáze tlak dále klesá. Mitrální i aortální chlopeň jsou opět uzavřeny, takže objem je konstantní.
- V bodě D tlak klesá pod atriální tlak a mitrální chlopeň se otevře, díky čemuž se komora začne plnit.
- DA je fáze diastolického plnění. Krev proudí z levé síně do levé komory. Plnění komor je ukončeno kontrakcí síní.
Je vidět, že p–V smyčka má přibližně tvar pravoúhelníka a je orientována proti směru hodinových ručiček.
Zkoumáním a analýzou jednotlivých smyček nebo řady smyček lze odvodit velmi užitečné informace, například:
- horizontální vzdálenost mezi levým horním a pravým dolním rohem každé smyčky je systolický objem.[6]
- přímka spojující levý horní roh několika smyček je kontrakční nebo inotropický stav.[7]
V externích odkazech jsou přesnější reprezentace.
Odkazy
Reference
V tomto článku byly použity překlady textů z článků Pressure–volume diagram na anglické Wikipedii a p-V diagram na slovenské Wikipedii.
- ↑ KUNC, Antonín, a kol. Mechanika III. Bratislava: Slovenské vydavateľstvo technickej literatúry, n.p., 1965. 256 s. (slovensky)
- ↑ HUNT, Bruce J., 2010. Pursuing Power and Light. [s.l.]: Johns Hopkins University Press. Dostupné online. ISBN 0-8018-9359-3.
- ↑ WALTER, John, 2008. The Engine Indicator [online]. 2008. S. xxv-xxvi. Dostupné v archivu pořízeném dne 2012-03-10.
- ↑ HILLS, Richard L.; PACEY, A. J., 1972. The measurement of power in early steam-driven textile mills. Technology and Culture. Leden 1972, roč. 13, čís. 1, s. 25–43. Dostupné online.
- ↑ Walter 2008.
- ↑ Diagram at uc.edu [online]. [cit. 2006-12-12]. Dostupné v archivu pořízeném dne 2008-06-22.
- ↑ Systolic dysfunction
Literatura
- ANTAL, Štefan. Termodynamika. Bratislava: Edičné stredisko STU, 1992. 317 s. ISBN 80-227-0495-4. (slovensky)
- CARDWELL, D. S. L., 1971. From Watt to Clausius: The Rise of Thermodynamics in the Early Industrial Age. Heinemann: London. ISBN 0-435-54150-1. S. 79–81.
- MILLER, D. P., 2011. The Mysterious Case of James Watt's '"1785" Steam Indicator': Forgery or Folklore in the History of an Instrument?. International Journal for the History of Engineering & Technology. Roč. 81, s. 129–150. doi:10.1179/175812110x12869022260231. S2CID 109538193.
- PACEY, A. J.; FISHER, S. J., 1967. Daniel Bernoulli and the vis viva of compressed air. The British Journal for the History of Science. Roč. 3, čís. 4, s. 388–392. doi:10.1017/S0007087400002934.
- British Transport Commission. Handbook for Railway Steam Locomotive Enginemen. Londýn: B.T.C., 1957. ISBN 0-7110-0628-8. Kopie publ. Ian Allan (1977).
Související články
- Indikátorový diagram
- T-s diagram
- p-v diagram
- Termodynamický cyklus
- Carnotův cyklus
- Ottův cyklus
- Dieselův cyklus
- Seiligerův cyklus
- Humphreyův cyklus
- Ericssonův–Braytonův cyklus
- Jouleův–Braytonův cyklus
- Wiggersův diagram
- Zdvihový objem
Externí odkazy
Obrázky, zvuky či videa k tématu p-V diagram na Wikimedia Commons - WALTER, John. The Engine Indicator. A collectors' guide to mechanical and optical/mechanical designs, 1800 to date [online]. Canadian Museum of Making. Dostupné online.
- Diagram at cvphysiology.com
- Interactive demonstration at davidson.edu Archivováno 17. 1. 2021 na Wayback Machine.
- Lohff B, 1999. 1899: the first mathematical description of the pressure-volume diagram by Otto Frank (1865-1944). Sudhoffs Arch. Roč. 83, čís. 2, s. 131–51. PMID 10705804.