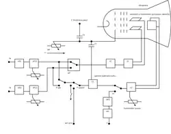
Osciloskop

- Vychylovací destičky
- Elektronové dělo (emitor)
- Svazky elektronů
- Zaostřovací cívky
- Luminoforová vrstva


Osciloskop je elektronický měřicí přístroj s obrazovkou vykreslující časový průběh měřeného napěťového signálu.
Typy osciloskopů
- analogové
- klasické
- paměťové - používají paměťovou obrazovku pro uchování jednorázového nebo neperiodického průběhu
- vzorkovací - pro zachycení velmi rychlého průběhu odebere z každé n-té periody vzorek posunutý oproti předchozímu vzorku. Z těchto vzorků je složen výsledný průběh stejného tvaru n-krát pomalejší
- digitální
- mohou spolupracovat s osobním počítačem nebo plnit funkci paměťových a vzorkovacích osciloskopů
Blokové schéma klasického osciloskopu

- Vstupy:
- YA, YB - vstupní vertikální kanály
- X - horizontální rozmítání v režimu XY
- Z - modulace jasu
- VD1,2 - vstupní dělič
- VPZ1,2 - vstupní předzesilovač s ovládáním vertikální pozice zobrazeného signálu
- EP - elektronický přepínač pro zobrazení dvou průběhů současně
- YZ - koncový vertikální zesilovač pro zobrazení na obrazovce
- ZL - zpožďovací linka
- ČZ - časová základna
- Pext/int - výběr synchronizace časové základny
- HD - horizontální dělič
- HPZ - horizontální předzesilovač
- XY - přepínání signálu na horizontální destičky: časová základna nebo vstup X
- XZ - koncový horizontální zesilovač pro zobrazení na obrazovce s ovládáním posuvu

Časová základna
Časová základna je generátor pilového průběhu, který posunuje pozici aktuálně zobrazovaného bodu na obrazovce zleva doprava. Při návratu doleva (zpětný běh) se obraz zatmí. Pro generování se dříve používala kombinace doutnavky a kondenzátoru.
Synchronizace
Synchronizace spouští časovou základnu.
Režimy synchronizace:
- časová základna běží vlastní rychlostí
- při synchronizačním impulzu se generuje jedna pila
Synchronizace může být:
- interní - synchronizuje se podle měřeného signálu
- externí - synchronizační impulzy se přivádí na samostatný konektor "ext sync"
Elektronický přepínač
Může pracovat v následujících módech:
- Chopper - Vstupy A a B přepíná v kratších úsecích než je doba periody (vlastní nezávislý kmitočet). Průběh by byl zobrazen přerušovaně jen kdyby frekvence přepínání byla celočíselným násobkem frekvence signálu. Jinak se průběhy díky dosvitu obrazovky v jednotlivých periodách překryjí.
- Alternate - Zobrazuje střídavě celé periody kanálů A a B. Díky dosvitu obrazovky jsou vidět oba. Tento režim je vhodný pro vyšší kmitočty.
- Součet obou kanálů
- Rozdíl obou kanálů
- Jeden kanál A nebo B
- Přímé zobrazení průběhu analogového signálu
- Měření napětí Ze stínítka osciloskopu lze odečíst různé parametry analogového signálu (amplitudu, okamžitou hodnotu v daném čase, střední hodnotu napětí,...), avšak ne vždy je použití právě osciloskopu nejpřesnější měřicí metodou.
- Měření VA (volt - ampérových) charakteristik nelineárních prvků Pro toto měření je třeba osciloskop přepnutý do X-Y režimu. Na vstup X přivedeme měřící střídavé napětí. Měřený prvek spojený se vstupem X osciloskopu je sériově spojen se snímacím rezistorem. Mezi měřený prvek a snímací rezistor je připojena zemnící svorka osciloskopu. Druhý vývod rezistoru je připojen na svorku Y a zároveň na druhý pól zdroje měřícího střídavého napětí.
- Měření frekvence signálu
- Odečtením na stínítku a to tak, že změříme či spočítáme délky mezi dvěma po sobě následujícími amplitudami a pomocí nastaveného rozsahu vypočítáme frekvenci.
- Pomocí Lisssajousových obrazců - porovnávání dvou frekvencí.
- Měření fázového posunu
- Měření útlumové charakteristiky
Odkazy
Související články
Externí odkazy
Obrázky, zvuky či videa k tématu osciloskop na Wikimedia Commons
Slovníkové heslo osciloskop ve Wikislovníku- Jak vybrat osciloskop - článek na Elektroraj.cz - česky
- Osciloskop - okno do světa elektroniky - článek na 8bitu.cz - česky