Motor s válci do X

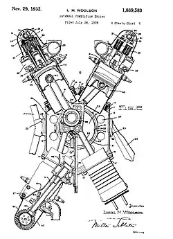
Motor s válci do X nebo křížový motor je typ čtyřválcového nebo čtyřřadého jednohřídelového pístového spalovacího motoru, jehož příčný řez je ve tvaru písmene X. [2] Jde zároveň o speciální případ hvězdicového motoru.
Tyto motory byly často odvozeny z existujících vidlicových motorů. Jejich výskyt však není velmi častý, protože byly příliš komplikované a těžké ve srovnání s jinými hvězdicovými motory. Při stejném počtu válců je konstrukce kompaktnější ve srovnání s vidlicovým motorem s kratším klikovou hřídelí.
Většina motorů s válci do X je z období druhé světové války, navržených jako pohonné jednotky větších vojenských letadel. Většina z nich bylo dvacetičtyřválcových odvozených od dvanáctiválcových vidlicových motorů.
-
Symetrický design
(90°/90°/90°/90°) -
120°/60°/120°/60° -
135°/45°/45°/135°
Reference
V tomto článku byl použit překlad textu z článku Motor s valcami do X na slovenské Wikipedii.
- ↑ https://www.google.co.in/patents/US1889583
- ↑ ČSN 09 0022. Spalovací motory. Názvosloví pístových spalovacích motorů. Druhy motorů. Datum vydání 19.01.1972.
Externí odkazy
Obrázky, zvuky či videa k tématu Motor s válci do X na Wikimedia Commons