Moritz Hermann Jacobi
| Moritz Hermann Jacobi | |
|---|---|
![]() | |
| Narození | 9.jul. / 21. září 1801greg. Postupim |
| Úmrtí | 11. března 1874 (ve věku 72 let) Petrohrad |
| Příčina úmrtí | infarkt myokardu |
| Místo pohřbení | Smolenský luterský hřbitov |
| Bydliště | Prusko (do 1839) Petrohrad (od 1839) |
| Alma mater | Univerzita v Göttingenu Humboldtova univerzita Imperátorská dorpatská univerzita |
| Povolání | fyzik, vynálezce, vysokoškolský učitel a elektrotechnik |
| Zaměstnavatelé | Imperátorská dorpatská univerzita (do 1840) Petrohradská akademie věd Vojenská ženijně-technická univerzita |
| Ocenění | Děmidovova cena (1840) šlechtický titul (1864) Světová výstava 1867 (1867) |
| Děti | Nikolaj Borisovič Jakobi[1] Vladimir Yakobi[1] |
| Rodiče | Simon Jacobi[1] |
| Příbuzní | Carl Gustav Jacob Jacobi[1] (bratr) Petr Nikolajevič Jakobi (vnuk) |
| Podpis | |
| Některá data mohou pocházet z datové položky. | |
Moritz Hermann Jacobi nebo Boris Semjonovič (von) Jacobi (rusky Борис Семёнович Якоби; 21. září 1801, Postupim – 10. března 1874, Petrohrad) byl pruský a ruský carský inženýr a fyzik židovského původu. Pracoval hlavně v Ruském impériu. Je vynálezcem galvanoplastiky a průkopník inženýrského využití elektromagnetismu, elektromotorů a drátové telegrafie.
Roku 1838 předvedl Jacobi ukázky galvanoplastiky pro tiskařské účely. V roce 1839 s finanční pomocí cara Mikuláše I. Pavloviče postavil 28 stop dlouhý elektrický motorový člun poháněný bateriovými články, který přepravoval až 14 cestujících na řece Něvě proti proudu rychlostí tři míle za hodinu. V letech 1842-1845 vybudoval telegrafní linku mezi Petrohradem a Carským Selem.[2]
Život a kariera
Moritz Jacobi se narodil do aškenázské židovské rodiny v roce 1801 v Postupimi. Jeho mladší bratr Carl Gustav Jacob Jacobi se stal slavným německým matematikem.
Zpočátku pracoval jako stavitel v Královci a roku 1835 byl pozván do Tartu jako profesor stavitelství. Od roku 1834 začal studovat magnetické motory. V roce 1835 se přestěhoval do Dorpatu (nyní Tartu v Estonsku), kde přednášel na Dorpatské univerzitě. Roku 1838 se odešel do Petrohradu a v roce 1842 se stal členem ruské carské akademie a později byl povýšen do šlechtického stavu.
Na akademii Jacobi zkoumal využití elektromagnetických sil pro pohyb strojů. Zabýval se sílou elektromagnetu v motorech a generátorech. Testoval výkon motorů stanovením množství zinku spotřebovaného baterií. Při studiu přenosu energie z baterie na elektromotor odvodil zákon maximálního výkonu. Zabýval se také studiem elektrického proudu, jeho měřením a definoval pro ně vlastní jednotky.

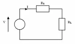
Jacobiho zákon
Jakobiho zákon známý jako věta o maximálním výkonu říká:
- "Maximální výkon je přenášen, když se vnitřní odpor zdroje rovná odporu zátěže, když se vnější odpor může měnit a vnitřní odpor je konstantní."
Galvanoplastika

V roce 1838 Jacobi objevil galvanoplastiku (elektrotypizaci), metodu výroby tiskových desek galvanickým pokovováním. Její fungování je analogické s baterií, ale působí obráceně. Tato technika se používá při reliéfním tisku.
Telegrafie
Jacobi pracoval také na vývoji elektrického drátovém telegrafu. V letech 1842-1845 vybudoval pomocí podzemního kabelu telegrafní linku mezi Petrohradem a Carským Selem. V roce 1867 byl ruským delegátem v Komisi pro měřicí jednotky na Světové výstavě v Paříži. Byl silným zastáncem metrické soustavy
Námořní mina
V roce 1853 vyvinul Jacobi námořní minu, byla přivázána k mořskému dnu kotvou a pomocí kabelu spojena s galvanickým článkem. Síla její výbušné nálože se rovnala 14 kilogramům střelného prachu. Její výroba byla schválena Výborem pro doly Ministerstva války Ruské říše. V roce 1854 bylo v blízkosti pevností Pavel a Alexander (Kronštadt) položeno 60 Jacobiho námořních min.
Související články
Odkazy
Reference
V tomto článku byl použit překlad textu z článku Moritz von Jacobi na anglické Wikipedii.
Literatura
- Ottův slovník naučný, heslo Jacobi, Moritz Hermann. Sv. 12, str. 988
Externí odkazy
Obrázky, zvuky či videa k tématu Moritz Hermann Jacobi na Wikimedia Commons
.jpg)