Monostabilní klopný obvod

Monostabilní klopný obvod (označovaný též jako MKO, nebo monostabilní multivibrátor), je klopný obvod, který má jeden stabilní stav, ze kterého je možné jej přepnout do stavu nestabilního. Obvod se sám po určité době přepne zpět do stabilního stavu. Tento typ obvodu je možné použít například jako zpožďovací prvek. Obvod je možno použít jako generátor impulsu definované délky, dále jako zpožďovač impulsů, dělička impulsů, nebo v čítačích impulsů. MKO se dá realizovat pomocí diskrétních součástek, s použitím dvou tranzistorů, nebo například s využitím časovače 555.
Příklady zapojení

Verze s bipolárními tranzistory
Po připojení napájecího napětí se otevře tranzistor Q2, díky bázovému proudu tekoucímu přes odpor R2. Napětí na kolektoru tohoto tranzistoru klesne k nule a v důsledku vazby se Q1 uzavře (jeho báze je přes odpor R4 připojena k zemi), čímž se obvod dostane do stabilního stavu. Chceme-li tento stav změnit, přivedeme záporný impuls (tj. připojíme k zemi) na bázi Q2, čímž dojde k jeho uzavření a otevření Q1 (do jeho báze teče proud přes R3 a R4) a obvod se překlopí do nestabilního stavu. Díky otevření Q1 se začne nabíjet kondenzátor C1, a napětí na něm roste. Po dosažení dostatečné úrovně dojde k otevření Q2, následkem čehož se Q1 uzavře a obvod se tak vrátí do stabilního stavu.[1] Doba, po kterou obvod setrvává v nestabilním stavu je dána dobou nabíjení kondenzátoru:
Verze s 555

Po vyslání impulzu na pin č. 2 se kondenzátor C začne nabíjet přes rezistor R, protože vybíjecí tranzistor je uzavřen. Jakmile se kondenzátor nabije na 2/3 napájecího napětí, komparátor K1 resetuje KO RS, což způsobí změnu výstupní úrovně a zároveň otevření vybíjecího tranzistoru. Kondenzátor je spojen se zemí a tím se vybije. V tomto stavu obvod setrvává do příchodu dalšího spouštěcího impulzu.[2]
Doba, po kterou obvod setrvává v nestabilním stavu je opět dána dobou nabíjení kondenzátoru:
Pozn.: Pro správnou funkci je nutné připojit tzv. pull-up rezistor (cca 10kΩ) mezi pin č.2 a napájecí napětí a tlačítko mezi pin č. 2 a zem.
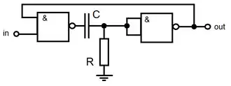
Verze s logickými hradly

Tato verze využívá logická hradla typu NAND. Předpokládejme nyní, že na obou vstupech prvního hradla (na obrázku více vpravo) je nejprve logická jednička, Na jeho výstupu je logická nula a kondenzátor se tudíž nemůže nabíjet. Na výstupu druhého hradla je tedy logická jednička, která se vrací na vstup. Z tohoto stabilního stavu překlopíme obvod do nestabilního přivedením nulového impulsu na vstup, čímž se na výstupu objeví logická jednička a kondenzátor se začne nabíjet. Na rezistoru se objeví plné napájecí napětí, čímž se výstup překlopí do nuly. Ta je přivedena zpět na vstup a zajišťuje, že i poté co je vstupní nulový signál ztracen, na výstupu prvního hradla zůstává logická jednička a kondenzátor se nabíjí. Jak roste napětí na kondenzátoru, tak klesá napětí na rezistoru a až klesne pod určitou mez, výstup se překlopí zpět do logické jedničky a obvod se vrátí do stabilního stavu. Doba, po kterou obvod setrvává v nestabilním stavu je dána dobou nabíjení kondenzátoru:
Pozn.: Pro správnou funkci je nutné připojit tzv. pull-up rezistor (cca 10kΩ) mezi vstup a napájecí napětí a tlačítko mezi vstup a zem.
Odkazy
Reference
- ↑ Klopné obvody [online]. Masarykova univerzita [cit. 2022-05-24]. Dostupné online.
- ↑ HÁJEK, Jan. 2x časovač 555. Praha: BEN - technická literatura, 1998. ISBN 80-86056-27-9. Kapitola 2.3, s. 12.
Literatura
- HÁJEK, J.: 2× ČASOVAČ 555: praktická zapojení, nakladatelství BEN - technická literatura, ISBN 80-86056-27-9.
- MALINA, V.: Digitální technika, nakladatelství KOPP, ISBN 80-85828-70-7
- Mašláň, M., D. Žák : Logické obvody I., PřF UP Olomouc, 1993
- Doc. Ing. Jiří Bayer, CSc; Dr.Ing. Zdeněk Hanzálek; Ing. Richard Šusta: Logické systémy pro řízení, Vydavatelství ČVUT, Fakulta elektrotechnická, Praha, 2000, ISBN 80-01-02147-5
Související články
Externí odkazy
Obrázky, zvuky či videa k tématu Multivibrátory na Wikimedia Commons
Obrázky, zvuky či videa k tématu Bistabilní KO na Wikimedia Commons
- Elektrické parametry logických obvodů, kombinační logické obvody na webu Fakulty strojí ČVUT
- Logické řízení na webu Fakulty elektrotechnické ČVUT
- Logické systémy na webu Fakulty elektrotechnické ČVUT
- Elektronika, Sekvenční logické systémy na webu Matematicko-fyzikální fakulty Univerzity Karlovy
- Tranzistorové klopné obvody: http://maturitanazamku.kvalitne.cz/pdf/ELN5.pdf Archivováno 22. 6. 2019 na Wayback Machine.