Lester Allan Pelton
| Lester Allan Pelton | |
|---|---|
![]() | |
| Narození | 5. září 1829 Ohio |
| Úmrtí | 14. března 1908 (ve věku 78 let) Oakland |
| Povolání | vynálezce a tesař |
| Ocenění | medaile Elliotta Cressona (1895) Národní síň slávy vynálezců (2006) |
| Některá data mohou pocházet z datové položky. | |
.png)
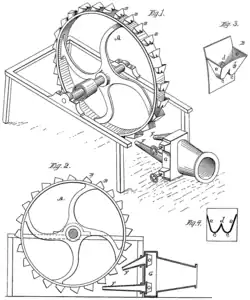
Lester Allan Pelton (5. září 1829 – 14. března 1908) byl americký vynálezce. Jeho největším vynálezem je Peltonova turbína.
Externí odkazy
Obrázky, zvuky či videa k tématu Lester Allan Pelton na Wikimedia Commons
