LM386

LM386 (též JRC386) je integrovaný obvod představující nízkonapěťový zvukový výkonový zesilovač[1]. Je vhodný pro bateriemi napájená zařízení jako rádia, kytarové zesilovače, a amatérské projekty. Většinou je k dostání v provedení DIP-8 a na výstupu může poskytnout 0.5 wattový výkon při použití 9voltového napájení.
Parametry

Existuje několik modelů LM386, které mají lehce odlišné parametry:[1]
| Model | Napájecí napětí [V] | Jmenovitý výkon [W] |
|---|---|---|
| LM386N-1 | 4 - 12 | 0,325 |
| LM386N-3 | 4 - 12 | 0,7 |
| LM386N-4 | 5 - 18 | 1 |
- Klidový odběr: I0 = 4mA
- Vstupní napětí: uIN < ± 0,4 V
- Vstupní impedance: ZIN = 50kΩ
- Impedance zátěže: Z > 4Ω
- Zesílení: 26 - 46 dB (podle použitého tranzistoru)
- Frekvenční rozsah: f = 100 Hz - 300 kHz
Popis zapojení

Vnitřní zapojení
Vnitřní zapojení čipu lze rozčlenit na tři část:[1][2]
- Vstupní část
- Zesilovací část
- Výstupní část
Prvním blokem je emitorový sledovač, tvořený tranzistory Q1 pro invertovaný vstup a Q3 pro neinvertovaný, který společně s vstupními rezistory R1 a R2 určuje vstupní impedanci, a díky předotevření tranzistorů umožňuje zpracování záporného napětí. Dalším členem je rozdílový zesilovač složený z tranzistorů Q2 a Q4, jehož zesílení určují rezistory R4 a R5. Stejný proud na obou stranách rozdílového zesilovače zajišťuje proudové zrcadlo složené z tranzistorů Q5 a Q6. Rezistory R6 a R7 slouží k omezení kolektorového proudu, rezistor R3 pak omezuje proud vstupující do báze tranzistoru Q7, který v zapojení se společným emitorem funguje jako hlavní výkonový zesilovač. Výstupní část zesilovače pak tvoří tzv, push-pull zapojení dvou tranzistorů Q8 a Q9,10 (složen ze dvou tranzistorů Q9 a Q10 v zapojení Sziklai). Diody D1 a D2 slouží ke kompenzaci přechodového zkreslení. Výstupní tranzistory nezačnou vést proud, dokud vstupní signál nepřekročí prahové napětí báze-emitor (cca ± 0,7 V). Pomocí těchto diod je zajištěno, že toto napětí nikdy neklesne pod prahovou hodnotu, tranzistor tak pracuje stále v lineární oblasti.[2]
Použití v obvodu

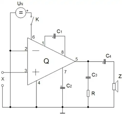
V katalogovém listu výrobce je uvedeno doporučené zapojení, které funguje jako zesilovač ve třídě AB. Pro toto zapojení je uvedeno napěťové zesílení AU = 200 (46 dB), což je nejvyšší hodnota, které obvod LM386 může dosáhnout, k čemuž slouží kondenzátor C1, který vytváří střídavé přemostění vnitřního rezistoru R5 (1,35 kΩ). Kondenzátor C2 zajišťuje filtraci šumu z napájení. Kondenzátor C3 pak spolu s rezistorem R vytváří Boucherotův člen filtrující vyšší frekvence a zabraňující tak rozkmitání. Kondenzátor C4 plní funkci výstupního filtru zadržujícího stejnosměrné napětí.
Doporučené hodnoty součástek:[1]
- Reproduktor:
- jmenovitá impedance ZN = 8Ω
- jmenovitý výkon PN > 0,5 W
- Kondenzátory:
- C1 = 10 μF
- C2 = 10 μF
- C3 = 47 nF
- C4 = 270 μF
- Rezistor: R = 10 Ω
Odkazy
Reference
- ↑ a b c d LM386 Low Voltage Audio Power Amplifier [online]. Texas Instruments [cit. 2022-05-11]. Dostupné online.
- ↑ a b LM386 Audio Amplifier Analysis [online]. ELECTROSMASH [cit. 2022-05-11]. Dostupné online.
Související články
Externí odkazy
Obrázky, zvuky či videa k tématu LM386 na Wikimedia Commons - Článek o LM386 na 8bitu.cz
- Článek o LM386 na radio.qrp.cz