Kl.Fu.Spr.d

Kl.Fu.Spr.d (Kleinfunksprecher d - Dorette) je německá miniaturní radiostanice z doby druhé světové války.
Výroba a rok nasazení
Výroba tohoto přístroje byla zavedena v roce 1944. Operačně byla tato radiostanice nasazena na podzim (v říjnu) téhož roku. Obecně byla určena pro pěchotu, zejména však pro dělostřelectvo (řízení dělostřelecké palby) a pro spolupráci s tanky a pancéřovými granátníky.
Možnosti, které Dorette poskytovala
Kl.Fu.Spr.d je radiostanice s operačním dosahem 1–4 km, podle terénu a umístění v něm. Koncové typové označení „d“ dalo této radiostaničce pojmenování „Dorette“, což je zdrobnělina standardního německého hláskovacího jména „Dora“. Jako Dora totiž už byla označována jiná, dosti velká a těžká pěchotní radiostanice Torn.Fu.d2 - Dora. Frekvenční rozsah Dorette (32–38 MHz) se vhodně překrýval právě s rozsahem oné běžně používané Dory (33,8–38 MHz), která tak pro spojení s „Doretkou“ byla využívána jako pevná základnová stanice. Rozsah „Doretky“ byl navíc rozšířen tak, aby byla možná komunikace i s lehkými pěchotními radiostanicemi Feldfunksprecher f (27,2–33,3 MHz) a standardní tankovou sestavou FU-5 (30,2–33,4 MHz).
Technická data
- Frekvenční rozsah = 32–38 MHz
- Výstupní výkon = 0,2 W
- Napájení = 1,4 V žhavení a 150 V anody
- Provozní doba = 25 hodin (20 % vysílání, 80 % příjem)
- Anténa = 1,6 m / 1,20 m plochá svazková / prut
- Osazení elektronkami = 2× RL1P2 a 1× DDD25
- Rozměry samotné radiostanice = 13 × 7 × 20 cm
- Rozměry bateriové skříňky = 11 × 10 × 17 cm
- Hmotnost radiostanice = 1,6 kg
- Hmotnost bateriové skříňky s bateriemi = 1,5 kg
Provozní problémy
Dorette byla do výzbroje zařazena na podzim 1944. Pro napájení byly použity atypické destičkové suché zinkové články (baterie) v perforovaných papírových obalech. Byl to žhavicí článek (L.S. 1,4) s napětím 1,4 V a anodová baterie (L.S. 150 bp) s napětím 150 V. Použití těchto (velice lacině vypadajících) článků sice značně napomohlo miniaturizaci celé sestavy, na druhou stranu však právě tato konstrukce článků byla i zásadní slabinou jinak velice dobře navržené radiostanice. Doporučená provozní teplota tohoto provedení článků totiž byla +20 °C. Při nižších teplotách jejich kapacita, a tedy i použitelnost, rapidně klesala. To se v nadcházejícím zimním válčení stalo kritickou slabinou, neboť to značně omezovalo použitelnost Doretek v mrazivém zimním období. Nakonec, jako nouzové opatření, bylo vojákům doporučováno nosit bateriový box v teple pod zimním oblečením.
Transportní kufřík
Dorette byla dodávána ve dřevěném kufříku označeném jako „Transportkasten a“, který obsahoval samotnou radiostanici, bateriový box, anodovou a žhavicí baterii, prutovou (páskovou) anténu, sluchátka typu Dfh.f, hrdelní mikrofon typu Kmf.c a přiložen byl i návod k obsluze daný předpisem (Dienstvorschrift D 1037/5).
Další vývoj
Po skončení války se Doretky staly součástí válečné kořisti. Význam těchto trofejních přístrojů byl v tom, že se staly inspirací pro vývoj vlastních československých radiostanic typu RF-11,[1] používaných až do šedesátých let dvacátého století. Samotné originální Doretky se pak postupně stávaly sběratelskou raritou.
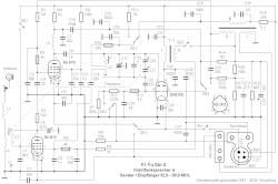
Elektrické schéma přístroje
Zde je překreslené schema Doretky s vepsanými hodnotami součástek:

Galerie
-
Kl.Fu.Spr.d - Dorette, porovnání s velikostí lidského těla -
Kl.Fu.Spr.d - Dorette se zdrojovou skříňkou RF11 -
Kl.Fu.Spr.d - Dorette, boční pohled -
Kl.Fu.Spr.d - Dorette, ladicí kolo se stupnicí -
Kl.Fu.Spr.d - Dorette, pohled dovnitř z boku na destičky se součástkami a elektronku DDD25 -
Kl.Fu.Spr.d - Dorette, kuželový gumový převod a další součástky (po demontáži ladicího kola)
Odkazy
Reference
- ↑ OK1PM. RF11 ≈ Radiostanice ČSLA pro spojení v pěší rotě (1951) [online]. Zelená vlna, 2020-10-22 [cit. 2025-01-18]. Dostupné online.
Literatura
- HORNÍK, Miroslav: Radiotechnika za druhé světové války. Grada 2016.
Externí odkazy
Obrázky, zvuky či videa k tématu Kl.Fu.Spr.d na Wikimedia Commons - https://www.radiomuseum.org/r/mil_kleinfunksprecher_d_dore.html
- https://www.kriegsfunker.com/radios/dorette3.php
- https://feldfunker-la7sna.com/Dorette.htm
- http://www.radiostation.ru/home/museum/08.html
- https://zelenavlna.com/cs-armada/rf11-radiostanice-csla-pro-spojeni-v-pesi-rote/