Kapacitní vazba
Kapacitní vazba je v elektrotechnice přenos energie mezi dvěma vodiči, které spolu nejsou fyzicky spojeny.[1][2][3][4]. Kapacitní vazba může být nežádoucím parazitním jevem (např. v podobě přeslechů mezi kabelovými linkami[5]) nebo naopak žádoucí (např. pro bezkontaktní měření).[6]
Kapacitní vazba je frekvenčně závislá a zvětšuje se s rostoucí frekvencí. Protože elektrická kapacita mezi vodiči klesá s jejich vzdáleností, je kapacitní vazba značně závislá na vzdálenosti vodičů.
Nežádoucí kapacitní vazba je (vedle induktivní vazby, galvanické vazby a elektromagnetické vazby) druhem vazby, která je důležitá z hlediska elektromagnetické kompatibility (EMC). Je příčinou nežádoucích přeslechů mezi paralelně vedenými telefonními linkami. V obvodové technice je za určitých podmínek žádoucí kapacitní vazba používána pro propojení dvou obvodů; jako vazební kapacita se používají vhodně zvolené kondenzátory.
Elektromagnetická kompatibilita

V kontextu elektromagnetické kompatibility (EMC) se kapacitní vazba týká různých prostorově sousedících částí elektrického obvodu, které jsou spolu propojeny v důsledku rozptylových kapacit. Pokud mezi dvěma elektrickými obvody existuje rozdíl potenciálů, vzniká mezi nimi elektrické pole E. Pokud se toto elektrické pole mění v čase, může způsobit posuvné proudy, které se projeví jako rušivé napětí superponované na užitečný signál. Efekt pole lze v sítích modelovat pomocí kapacity, jak je zobrazeno vpravo, která funguje jako rozptylová kapacita Cs.
Použití v obvodové technice
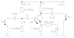
Pokud mají dvě části obvodu různé stejnosměrné potenciály není možné je spojit galvanicky. Je-li třeba mezi nimi přenášet signál střídavého napětí (např. audiosignál), lze je propojit kondenzátorem. Má-li kondenzátor dostatečně vysokou kapacitu, je jeho impedance pro přenášené střídavé signály zanedbatelná nebo alespoň poměrně malá; přenos stejnosměrné složky napětí, která je nutná pro nastavení pracovního bodu tranzistoru, je naopak blokován.
Odkazy
Reference
V tomto článku byl použit překlad textu z článku Kapazitive Kopplung na německé Wikipedii.
- ↑ Kapazitive Kopplung [online]. Deutsche Gesellschaft für EMV-Technologie e.V. [cit. 2020-08-10]. Dostupné online.
- ↑ ZENKNER, Heinz; HALLER, Markus. Phänomene in der EMV: Elektromagnetische Kopplung und Signalzusammensetzung [online]. 2018-04-16 [cit. 2020-08-10]. Dostupné online. (německy)
- ↑ Adolf Schwab, Wolfgang Kürner, 2011. Elektromagnetische Verträglichkeit. Berlin/Heidelberg: Springer. ISBN 978-3-642-16609-9. doi:10.1007/978-3-642-16610-5. S. 123.
- ↑ , 1963. Lehrbuch der drahtlosen Nachrichtentechnik: Fernsehtechnik 2. Teil – Technik des elektronischen Fernsehens. Příprava vydání Nicolai Korshenewsky, Wilhelm T. Runge, F. Schröter. Berlin/Heidelberg: Springer. ISBN 3-642-92863-3. doi:10.1007/978-3-642-92863-5. S. 530.
- ↑ Maßnahmen gegen kapazitive Kopplung [online]. 2017-09-10 [cit. 2020-08-10]. Dostupné v archivu pořízeném dne 2019-12-19.
- ↑ Stefan Finkbeiner, Wolfgang-Michael Müller, Wolfgang Welsch, Hartmut Kittel, Christian Bauer, 2016. Sensormessprinzipien. Sensoren im Kraftfahrzeug. Wiesbaden: Springer Fachmedien. S. 26–111. ISBN 978-3-658-11210-3. doi:10.1007/978-3-658-11211-0_2.
Literatura
- Adolf J. Schwab. Elektromagnetische Verträglichkeit. 4. vyd. Berlin/Heidelberg: Springer, 1996. ISBN 3-540-60787-0. S. 23–24.
- Adolf Schwab, Wolfgang Kürner. Elektromagnetische Verträglichkeit. 6. vyd. Berlin/Heidelberg u. a.: Springer, 2011. ISBN 978-3-642-16609-9. doi:10.1007/978-3-642-16610-5. S. 123.