IEC TC 101
| Elektrosattika | |
|---|---|
| Zkratka | IEC TC 101 |
| Motto | Vypracovávat, udržovat a propagovat celosvětové normy z oblasti elektrostatiky, zejména ochrany před elektrostatickým výbojem (ESD) |
| Sídlo | Německo |
| Působnost | celosvětová |
| Mateřská organizace | IEC |
| Oficiální web | www |
| Některá data mohou pocházet z datové položky. | |
Technická komise IEC TC 101, Elektrostatika, je jednou z technických komisí Mezinárodní elektrotechnické komise (International Electrotechnical Commission, IEC). TC 101 je odpovědná za normalizaci obecného přístupu k problémům elektrostatiky, např.:
- metody testování pro hodnocení generace, uchovávání a odvádění elektrostatických nábojů;
- zjišťování důsledků elektrostatických výbojů (ESD);
- metody simulace elektrostatických jevů pro testovací účely;
- požadavky na návrh a implementaci prostor pro manipulaci nebo postupů, přístrojů a materiálů používaných pro omezení nebo eliminaci elektrostatického rizika nebo nežádoucích jevů.[1].
Publikované normy IEC a zavedené normy ČSN
TC 101 publikuje normy v souboru IEC 61340 Elektrostatika, který je rozdělen do šesti částí:
Část 1 – Obecně;
- 1: Elektrostatické jevy – Principy a měření
Část 2 – Metody měření v elektrostatice;
- 2-1: Metody měření – Schopnost materiálů a výrobků odvádět elektrostatický náboj
- 2-3: Metody zkoušek pro stanovení rezistance a rezistivity tuhých materiálů, používaných k zabránění akumulace elektrostatického náboje
Část 3 – Metody simulace elektrostatických jevů;
- 3-1: Metody simulace elektrostatických jevů – Časové průběhy elektrostatického výboje pro model lidského těla (HBM)
- 3-2: Metody simulace elektrostatických jevů – Časové průběhy elektrostatického výboje pro strojový model (MM)
Část 4 – Standardní zkušební metody pro specifické aplikace
- 4-1: – Elektrická rezistance podlahových krytin a instalovaných podlah
- 4-3: – Obuv
- 4-4: – Elektrostatická klasifikace flexibilních středně objemových vaků (FIBC)
- 4-5: – Metody charakterizování elektrostatické ochrany obuví a podlahou v kombinaci s osobou
- 4-6: – Náramky
- 4-7: – Ionizace
- 4-8: – Odstínění elektrostatického výboje – Sáčky
- 4-9: – Oděvy
Část 5 – Ochrana elektronických součástek před elektrostatickými jevy;
- 5-1: – Všeobecné požadavky
- 5-2: – Uživatelský návod
- 5-3: – Klasifikace vlastností a požadavky na obaly určené pro součástky citlivé na elektrostatické výboje
- 5-4: – Ověřování shody
Část 6 – Potlačování elektrostatiky ve zdravotnických, komerčních a veřejných zařízeních
- 6-1: – Zdravotní péče
- 6-2: – Veřejné a kancelářské prostory
Aktuální stav publikovaných IEC 61340 [2].
Aktuální stav zavádění IEC 61340 do soustavy ČSN [3].
Pracovní skupiny
- WG 5 – Ochrana elektronických zařízení před statickou elektřinou
- JWG 13 – Systémy obalů používaných při výrobě elektroniky (společně s IEC TC 40)
- JWG 14 – Textilie (společně s ISO TC 38)
- JWG 29 – Výbušná prostředí – Elektrostatická rizika (společně s IEC TC 31)
Projektové týmy
- PT 61340-4-2 – Metody testování pro hodnocení elektrostatických vlastností oděvů
- PT 61340-4-11 – Testování elektrostatických vlastností kompozitních středně objemových vaků
- PT 61340-6-1 – Standard for electrostatic control in healthcare facilities
Aktuální rozpracované projekty TC 101 lze nalézt na webu IEC [4].
Údržbové týmy
- MT 6 Údržba norem IEC 61340-3-1 a -3-2 Simulace elektrosattických jevů
- MT 7 Údržba normy IEC 61340-4-4 Elektrostatická klasifikace flexibilních středně objemových vaků
- MT 8 Údržba norem IEC 61340-1 a 61340-2-1, 2-2, 2-3 Metody testování elektrostatických disipativních materiálů a povrchů
Ilustrace k tématům elektrostatický náboj a výboj (ESD)
-
Elektrostatický výboj z mraku nad Bankokem -
Triboelektrické nabíjení při jízdě na klouzačce – Vlasy nabity kladně a navzájem se odpuzují -
Napěněné hranolky přitahované na kočku, která se pohybem nabila -
Elektrostatická indukce – Nabitá tyč se přiblíží k ELEKTROSKOPU a indukce způsobí separaci náboje; zlaté lístky uvnitř získaly kladný náboj a odpuzují se -
Pokud se v blízkosti tělesa nenachází jiný elektrický náboj, jsou elektrické náboje v tělese rozloženy rovnoměrně. Těleso se jeví jako neutrální. -
Pokud se v blízkosti tělesa nachází jiný elektrický náboj, dochází elektrostatickou indukcí k nerovnoměrnému rozložení náboje v tělese. -
Testování Set Top Boxu na odolnost proti ESD -
ESD pistole; Simulátor ESD -
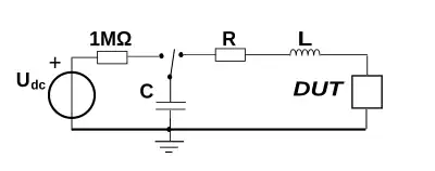
Obvod pro simulaci výboje ESD; (přepínač VLEVO) Nabíjení kondenzátoru C přes rezistor cca 1 Mohm na ss napětí Vdc; (přepínač VPRAVO) Objekt o kapacitě C se vybíjí přes rezistor R a indukčnost L do DUT, tj. zkoušené komponenty -
Ukázka principu elektroodlučovače: tmavě modře jsou znázorněny nabíjecí elektrody, nabité částice popílku jsou přitahovány na červené desky
Varovné štítky a ochranné prostředky související s výrobou a údržbou elektroniky
-
Varovný štítek – elektrostaticky citlivá součástka/zařízení -
Varovný štítek na materiálu, který chrání jiné předměty před ESD -
Varovný štítek – Společný uzemňovací bod -
Náramek musí používat montážní pracovník; náramek je kabelem připojen k uzemňovací svorce stolu
Odkazy
Reference
- ↑ IEC TC 101 - předmět normalizace:(https://www.iec.ch/dyn/www/f?p=103:7:1688985884159::::FSP_ORG_ID,FSP_LANG_ID:1305,25)
- ↑ Publikované normy IEC 61340:(https://www.iec.ch/search/) zadat "61340"
- ↑ IEC 61340 zavedené do ČSN:(http://seznamcsn.agentura-cas.cz/vyhledavani.aspx) zadat "61340"
- ↑ IEC TC 101 - projekty: (https://www.iec.ch/dyn/www/f?p=103:23:2248583854324::::FSP_ORG_ID,FSP_LANG_ID:1305,25)