Filtračně kompenzační zařízení

Schéma FKZ

Filtračně kompenzační zařízení (používá se též zkratka FKZ) je elektrotechnické zařízení vyráběné a dodávané společností ČKD ELEKTROTECHNIKA, a.s., které funguje jako statický kompenzační člen, který zlepšuje účiník tím, že filtruje nežádoucí harmonické složky a kompenzuje jalový výkon. [1]

Aplikace

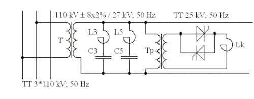
Tato zařízení jsou v současnosti instalována v celé síti trakční napájecí soustavy železnice jako součást trakčních napájecích stanic jednofázové proudové soustavy 25 kV/50 Hz. Dále jsou využívána například u obloukových pecí.[2] Obsahuje dvě paralelně řazené sériové LC rezonanční větve doplněné paralelně připojenou větví dekompenzační, obsahující snižovací transformátor, dekompenzační tlumivku a tyristorový regulátor. Při využití optotyristorů je možné konstruovat měniče na plné napětí soustavy, tedy bez potřeby snižovacího transformátoru.[1]

Popis funkce a zapojení FKZ

Frekvenční charakteristika FKZ

Sériové rezonanční filtry jsou obvody, laděné do blízkosti 3. a 5. harmonické, filtrují dominantní harmonické proudy a jsou zároveň zdrojem konstantního kapacitního kompenzačního výkonu pro první harmonickou. Filtry jsou připojeny přímo na trakční vedení a jsou určeny i pro venkovní montáž. Kompenzační zařízení kompenzuje proměnlivý jalový příkon pomocí plynule regulovatelného indukčního jalového výkonu kompenzačního členu a pevného kapacitního jalového výkonu filtrů. Samotný kompenzační člen se skládá z jednofázového přizpůsobovacího transformátoru, kompenzačního reaktoru a VN měničové skříně typu COMPACT, v níž je kromě je kromě antiparalelně zapojených tyristorů umístěn i mikroprocesorový regulátor typu EMADYN.

Impedanční charakteristika FKZ

Celý obvod FKZ vykazuje dvě sériové rezonance na kmitočtech třetí a páté harmonické základního kmitočtu napájecí sítě (150 a 250 Hz) kde dochází k poklesu impedance a tím také k filtraci těchto nežádoucích harmonických. Zároveň dochází k paralelní rezonancí mezi frekvencemi obou harmonických, což umožňuje vhodným naladěním obvodu zvýšit na maximum impedanci trakční transformovny na kmitočtu signálu HDO.

Odkazy

Reference

  1. a b MÍKA, Matěj. Symetrizace a kompenzace odběru trakčních napájecích stanic pro systém 25kV, 50Hz. Plzeň, 2019 [cit. 2022-03-22]. Bakalářská práce. Západočeská univerzita v Plzni - Fakulta elektrotechnická. Vedoucí práce Doc. Ing. Martin Pittermann, Ph.D.. Dostupné online.
  2. Filtračně-kompenzační zařízení [online]. ČKD ELEKTROTECHNIKA [cit. 2020-05-06]. Dostupné online. 

Související články

Literatura

  • ŠLEZINGR, J., Posouzení energetického rušení zadané trakční napájecí stanice, Bakalářská práce,Brno: Ústav elektroenergetiky FEKT VUT v Brně, 2006, 54 stran.
  • PALEČEK J., Napájení jednofázové vozby Českých drah z hlediska elektromagnetické kompatibility, VŠB – Technická univerzita Ostrava, Ostrava 2000
  • HLAVA K., Elektromagnetická kompatibilita (EMC) drážních zařízení, Univerzita Pardubice, Dopravní fakulta Jana Pernera, Pardubice 2004