Duaenre
| Duaenre | |
|---|---|
![]() | |
| Narození | 26. století př. n. l. |
| Místo pohřbení | G 5110 v Gíze |
| Povolání | catej |
| Děti | Babaef II. |
| Rodiče | Rachef a Meresanch III. |
| Rod | 4. dynastie |
| Příbuzní | Nikaure (bratr) |
| Některá data mohou pocházet z datové položky. | |
| Duaenre v hieroglyfickém zápisu | ||||
|---|---|---|---|---|
|
Duaenre byl vezír za vlády Menkaurea během 4. dynastie.[1]
Rodina
Duaenre byl synem krále Rachefa a královny Meresanch III., tedy vnukem faraona Chufua. Jeho synem byl pravděpodobně Babaef II.[2]
Nápis na falešných dveřích nalezený v G 3098 uvádí ženu jménem Neferhetepes-nedžes, která byla dcerou Neferhetepes a vnučka Duanrea syna krále jeho těla. Tento muž je pravděpodobně totožný s princem Duaenrem. Neferhetepes a Neferhetepes-nedžes jsou tedy pravděpodobně dcerou a vnučkou Duaenrea. Falešné dveře byly nalezeny jako součást hrobky Iymeryho a jeho manželky Persenet. Není známo, jak byli tito dva spjati s Duaenreem.[3]
Hrobka

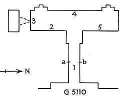
Duaenre byl pohřben v mastabě G 5110 v Gíze, na jejíž stěnách je Duanre vyobrazen se svým synem. Ernesto Schiaparelli v šachtě nacházející se v této mastabě nalezl červený žulový sarkofág, která je nyní uložen v muzeu v Turíně.[1] Fragment vápence nalezený v troskách zmiňuje jména Iufiho a Perneba. Tito muži dohlíželi na dělníky stavějící tuto mastabu.[4]
Reference
V tomto článku byl použit překlad textu z článku Duaenre na anglické Wikipedii.
- ↑ a b Porter and Moss, Topographical Bibliography of Ancient Egyptian Hieroglyphic Texts, Reliefs, and Paintings; Part III
- ↑ Aidan Dodson & Dyan Hilton: The Complete Royal Families of Ancient Egypt. Thames & Hudson, 2004, s. 52, 56 ISBN 0-500-05128-3
- ↑ Fisher, Clarence S. The Minor Cemetery at Giza. Philadelphia: The University Museum, 1924, s. 64, 65
- ↑ Smith, William Stevenson. "Inscriptional Evidence for the History of the Fourth Dynasty." Journal of Near Eastern Studies 11 (1952), s. 120, 126, fig. 8.
Externí odkazy
Obrázky, zvuky či videa k tématu Duaenre na Wikimedia Commons
