Camshaft In Head

CIH (Camshaft In Head) je ventilový rozvod pístového motoru, který je specifickým typem rozvodu OHC.[1]
Popis
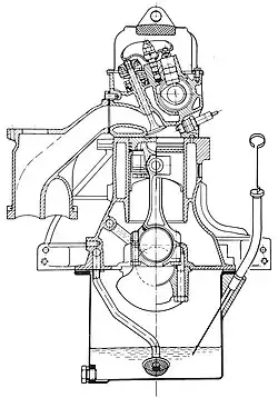
První motory s rozvodem OHC měly vačkovou hřídel uloženou ve vačkové skříni, která byla připevněná na hlavě motoru. Vysoko uložená vačková hřídel dala tomuto rozvodu i jméno: Over Head Camshaft. Umístění vačkové hřídele přímo nad ventily nevyžadovalo vahadla, ale zvětšilo stavební výšku motoru. Během let konstruktéři vačkovou skříň integrovali do hlavy motoru, ale označení OHC této konstrukci zůstalo.[2]
Historie
Rozvod CIH vznikl u firmy Opel, tehdejší divize americké General Motors. Rozvod CIH vycházel z rozvodu OHV, v USA nazývaný také jako „Pushrod" (zvedací tyč). Ideou bylo posunutí vačkové hřídele nahoru, a to tak, že se z původního uložení v bloku motoru dostala až pod vahadlo do hlavy motoru. Tím zmizely zvedací tyčky, a motor už nebyl typu OHV. Ale ani pojmenování OHC vedení General Motors nevyhovovalo. Byla to ojedinělá konstrukce, na kterou bylo třeba upozornit novým označením CIH. Zůstal tak i reklamní prostor pro uvedení „plnohodnotného" motoru OHC.
Použití
Motory CIH se poprvé objevily v roce 1965 v automobilu Opel Rekord. Poslední motory CIH se objevily v roce 1995 v Opelu Frontera.
Reference
- ↑ T 12 Ventilové rozvody čtyřdobých spalovacích motorů. publi.cz [online]. [cit. 2024-03-28]. Dostupné online.
- ↑ Ventilový rozvod CIH: O jaký typ ventilového rozvodu se jedná?. AUTORIDE | Web o autech od autíčkářů [online]. 2023-06-19 [cit. 2024-03-28]. Dostupné online.