Bezpečnost proti vykolejení

Bezpečnost proti vykolejení patří k nejzákladnějším požadavkům na všechna kolejová vozidla. Každé vozidlo, které se má pohybovat po kolejích, musí být zkonstruované tak, aby ani za nejhorších provozně přípustných stavů koleje a vozidla nenastala situace, která by vedla k vykolejení vozidla nebo se k vykolejení nebezpečně přiblížila.
Bezpečnost proti vykolejení v užším slova smyslu je měřitelný parametr každého kolejového vozidla. Stanoví se jako poměr vodící síly Y a zatížení příslušného kola Q. Prověření bezpečnosti proti vykolejení je součástí typových zkoušek každého vozidla. Vodící síly se měří pomocí měrných dvojkolí s tenzometry.
Vztah vodící síly, zatížení, úhlu okolku a koeficientu tření
Za normálních okolností, v případě bezpečného průjezdu obloukem, nastává u vodícího kola jedna ze dvou situací znázorněných na následujících obrázcích.
Na levém obrázku je zakreslen dvoubodový styk kola s kolejnicí. Tento případ se týká starších, kuželových profilů jízdní plochy, anebo nastává u moderních, tzv. opotřebených profilů, pokud jsou použity na koleji s odlišným sklonem kolejnic, než pro který byly vytvořeny (známý problém profilu UIC-ORE na kolejnicích ve sklonu 1:20 u ČSD). Tato poloha kola na kolejnici je staticky neurčitá, vodorovné i svislé silové působení kola na kolejnici se rozkládá do dvou bodů, ve skutečnosti dvou styčných plošek.
Vodící síla Y (na obrázcích zakreslená ve smyslu působení kola na kolejnici, tedy opačně, než je obvyklé) se skládá ze dvou opačně orientovaných složek Y1 a Y2, stejně tak svislá kolová síla Q = Q1 + Q2.
Tečná síla T vzniká jako třecí síla v místě dotyku okolku s hlavou kolejnice. Tření je způsobeno tím, že bod styku okolku s hlavou kolejnice se nenachází v místě, kde půdorysný průmět osy dvojkolí protíná hlavu kolejnice, ale je o něco posunut vpřed ve směru jízdy – předbíhá, zatímco okamžitý pól pohybu se nachází v místě odvalování kola na temeni kolejnice. Velikost síly T je dána součinem velikosti síly N a koeficientu tření f a její směr je dán jejím působením proti pohybu.[1]
Na pravém obrázku je zakreslen jednobodový styk kola s kolejnicí, který nastává v případě vhodného použití opotřebeného profilu kola. Tento styk je žádoucí z hlediska dostatečné ekvivalentní konicity pro průjezd obloukem bez podélných skluzů. Bod styku kola s kolejnicí se nachází někde v oblasti přechodu jízdní plochy kola do okolku. Poloha tohoto bodu je určena rovnováhou sil v místě styku. Vodící síla Y a kolová síla Q jsou v rovnováze s normálovou silou N a tečnou silou T.

Následující obrázek ukazuje kolo v momentě vykolejení. Bod styku kola s kolejnicí se přesunul vlivem růstu poměru Y/Q až do přímkové části profilu okolku, resp. u dvoubodového styku došlo vlivem nárůstu příčné síly ke změně dvoubodového styku na jednobodový. Pokud nedojde k okamžitému snížení poměru Y/Q, vyšplhá okolek na hlavu kolejnice.
Jestliže koeficient tření = f a úhel okolku , pak pro kolo na mezi vykolejení platí následující rovnováha sil:
(1)
a
(2)
Svislá síla (3)
Vodorovná síla (4)
Z toho plyne poměr (5)
Po úpravě a dosazení T = N.f (6)
[2] (7)
Pro obvyklé hodnoty = 70° a f= 0,25 vychází tento poměr 1,48
Bezpečnost proti vykolejení v TSI
TSI[ujasnit] Nákladní vozy [3] (na které se odvolávají i TSI pro ostatní vozidla[ujasnit]) předepisují následující hodnoty:
- = 0,8 pro oblouky o velkém poloměru R ≥ 250 m
- = 1,2 pro oblouky o malém poloměru R < 250 m
Tyto hodnoty nesmějí být překročeny při průjezdu obloukem o poloměru 150 m při mezním zborcení koleje:
při rozvoru kol 2a*≥1,3 m:
- = 7 ‰ při 2a+ < 4 m
- = 20/2a+ + 2 při 2a+ > 4 m
- = 20/2a* + 2 při 2a* < 20 m
- = 3 ‰ při 2a* > 20 m
Rozvor 2a* je rozvor dvojkolí pro dvounápravové vozy nebo vzdálenost otočných bodů podvozkových vozů. Rozvor 2a+ je vzdálenost mezi nápravami u podvozku.
Poznámka: Zborcení koleje je hodnota, která se určí následujícím způsobem: Na dvou místech koleje určíme tečnu k temenům obou kolejnic, kolmou k ose koleje. Tím získáme čtyři body. Tři z těchto bodů určí vztažnou rovinu a podíl vzdálenosti čtvrtého bodu od této vztažné roviny k délce základny, na které se měří, se nazývá zborcení koleje. Zborcení koleje dané geometrií koleje se vyskytuje ve vzestupnici převýšeného oblouku. Dále vzniká zborcení chybami při pokládce koleje a vlivem provozních vlivů. Mezní zborcení koleje je v provozu nepřekročitelná hodnota zborcení.
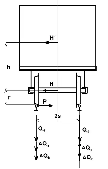
Vztah řídící síly P, vodící síly Y a rámové síly H
Následující obrázek představuje kolejové vozidlo v nepřevýšeném oblouku:
Při průjezdu obloukem dochází ke vzniku řídící síly P – viz Heumannova metoda. Tato síla při uvažovaném dvoubodovém styku kola s kolejnicí působí na okolek nabíhajícího kola.
Vodící síla Y je síla, kterou působí kolo na kolejnici. Vodící síla je rozdíl řídící síly a příčné složky (kolmé na směr pohybu) třecí síly Q.f. Z Heumannovy teorie vyplývá, že střed otáčení u dvounápravového podvozku se obvykle nachází přibližně v místě zadní nápravy. Pro dvounápravový podvozek přibližně platí, že
(8)
nebo jinak
(9)
kde s je poloviční vzdálenost styčných kružnic a d rozvor podvozku a Q kolový tlak, který je součtem základní (klidové) hodnoty kolového tlaku, přitížení Qa vlivem klopného momentu rámové síly H a Qb vlivem klopného momentu sil působících na skříň vozidla H´ – podíl odstředivé síly, síly větru atd. připadající na jedno dvojkolí. Rozdíl kolových tlaků způsobený posunutím těžiště z osy koleje se pro relativně malou velikost zpravidla neuvažuje. Nelze stručně říci, že rámová síla H vzroste o velikost H´, protože vlivem změny síly H´ dojde k ovlivnění postavení podvozku a tím i změně řídící síly P. [4]
(10)
(11)
Rámová síla H je síla, kterou působí rám vozidla (podvozku) na dvojkolí. Jelikož rozdíly kolových tlaků na kolech téhož dvojkolí jsou shodné, opačně orientované, je možno napsat:
(12)
Okolnosti mající vliv na bezpečnost proti vykolejení
Vliv konstrukce vozidla
Konstrukce pojezdu kolejového vozidla musí být navržena s ohledem na bezpečnost proti vykolejení. U rámových vozidel (parních lokomotiv) se konstruktéři vždy snažili o rozdělení řídící síly mezi více kol, aby se snížilo namáhání koleje i pojezdu a tím i opotřebení. To vedlo zároveň ke zvýšení bezpečnosti proti vykolejení.
Dalším faktorem v konstrukci vozidla je tuhost vypružení. Měkčí vypružení snižuje odlehčení vedoucího kola na vzestupnici na výjezdu z oblouku. Stejně pozitivní vliv má na bezpečnost proti vykolejení provahadlování náprav a staticky určité ("tříbodové") uložení skříně na pojezdu. Naopak negativní vliv má příliš velká torzní tuhost skříní moderních osobních vozů, a to zejména v případě, že je použito pneumatické sekundární vypružení a vozidlo se pohybuje s vypuštěnými pružinami, pouze na nouzovém vypružení. Známý je také negativní vliv velké torzní tuhosti skříně u nákladních kotlových vozů.
Moment odporu podvozku proti natáčení vůči skříni vozidla se projevuje negativně při jízdě přechodnicí mezi přímým úsekem a obloukem či při průjezdu výhybkou. Vykazuje (kromě nevyhnutelné setrvačné složky) v různých mírách složku třecí a složku pružnou. Postup experimentálního stanovení průběhu momentu odporu v závislosti na úhlu natočení na hotovém vozidle a jeho vlivu na bezpečnost proti vykolejení je upraven technickou normou.[5] V závislosti na konstrukci uložení skříně na podvozku pak pružná složka odporu přetrvává ve větší či menší míře i v oblouku o konstantním poloměru a vyvozuje trvalý vratný moment. U typických konstrukcí nákladních podvozků (torna a postranní kluznice, např. Y25) je dominantní třecí složka odporu a pružná je nevýznamná. Je-li skříň uložena na závěskách (např. starší lokomotivy ČKD) nebo příčně deformovatelných pružinách (flexi-coil), vyvozuje se tím trvalý vratný moment.
Významný vliv na velikost řídící síly má také postavení dvojkolí v oblouku – viz Podvozek (železnice). Ideální je radiální poloha, čím více se skutečné postavení dvojkolí blíží této poloze, tím nižší jsou skluzy a tím i velikost řídící síly.
Zborcení koleje
S rostoucím zborcením koleje klesá bezpečnost proti vykolejení.
Rychlost v oblouku
Má pozitivní vliv na bezpečnost proti vykolejení. Kolejové vozidla mají obvykle těžiště dostatečně vysoko, takže vlivem odstředivé síly roste Q rychleji, než Y. Zároveň se snižuje úhel náběhu, protože podvozek je odstředivou silou tlačen do tětivové polohy. Bohužel vyšší poloha těžiště má naopak neblahý vliv na odolnost proti převrácení vozidla.
Koeficient tření
S klesajícím koeficientem tření vzrůstá bezpečnost proti vykolejení[6] dvojím způsobem – zmenšuje se třecí síla T, takže okolek tak snadno nevyšplhá na hlavu kolejnice (viz vzorec (7)), a třecí síly mezi koly a kolejnicí a tudíž i řídící síla, která je na nich lineárně závislá, se snižují. Na koeficient tření mají vliv i povětrnostní podmínky – zejména za mrazů, kdy je vzduch velmi suchý, roste koeficient tření, což se projevuje mimo jiné i zvuky emitovanými vzájemnými skluzy kol a kolejnic – velmi zřetelný je tento projev u tramvají.
Úhel okolku
Vyšší úhel okolku má příznivý vliv na bezpečnost proti vykolejení, jak je patrné z obrázku i vzorce (7). Přechod od dříve používaného úhlu 60° u profilu ČSD na 70° u nových profilů vedl ke zvýšení bezpečnosti proti vykolejení
Odkazy
Reference
- ↑ Freibauer, L., Rus, L., Zahrádka, J.: Dynamika kolejových vozidel, NADAS Praha 1991, ISBN 80-7030-104-X; s.50
- ↑ Studijní materiál Univerzity Pardubice[nedostupný zdroj]
- ↑ TSI Nákladní vozy. www.mdcr.cz [online]. [cit. 2010-04-20]. Dostupné v archivu pořízeném dne 2016-03-04.
- ↑ Nejepsa, R.: Kolejové vozy, část II. – Vozidlo a kolej, SNTL Praha 1956
- ↑ ČSN EN 14363 (280307) Železniční aplikace - Přejímací zkoušky jízdních charakteristik železničních vozidel - Zkoušení jízdních vlastností a stacionární zkoušky
- ↑ Studijní materiál VŠ báňské - str. 223[nedostupný zdroj]