Autotransformátor



Autotransformátor je v elektrotechnice typ transformátoru, u kterého je pro primární i sekundární vinutí používána společná cívka – vinutí. Proto sekundární vinutí v podstatě odpadá a zůstává zde pouze jediné vinutí s odbočkami. Autotransformátory často najdeme v elektrických laboratořích, kde odpadá nevýhoda absence galvanického oddělení primárního a sekundárního obvodu a kde se používají jako regulovatelné zdroje střídavého napětí. Používá se také v dopravě při pohonu trakčních kolejových vozidel (elektrických lokomotiv), kde je hlavní výhodou menší hmotnost tohoto typu transformátoru.
Základní údaje
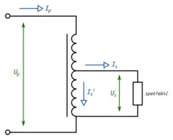
Název autotransformátor je v češtině i v angličtině odvozen od autoindukce (vlastní indukce v jediné cívce). Z mechanického hlediska jde o cívku na železném jádře s odbočkami pro primární a pro sekundární napětí. Společnou částí vinutí prochází jen rozdíl primárního a sekundárního proudu ( I1 - I2). Výhodou autotransformátoru proti transformátoru je, že při stejném výkonu má menší hmotnost železného jádra a menší hmotnost vinutí (mědi). Průřez jádra se volí jen podle výkonu průchozího (rozdílového), nikoli podle výkonu odebíraného. Nevýhodou autotransformátoru je, že nezajišťuje galvanické oddělení primárního a sekundárního obvodu (obě vinutí jsou spojena), což však u výslovně síťových spotřebičů většinou nevadí.
Regulační autotransformátor (též variak) umožňuje plynulé nastavení sekundárního napětí (někdy nastavován elektrickým pohonem). Obvykle se k tomu používá prstencové železné jádro (toroid), takže odbočka sekundárního vinutí může být realizována pomocí pohyblivého otočného jezdce (sběrače), obvykle vyrobeného z grafitu.[1] Poloha jezdce určuje velikost sekundárního napětí (obdoba jezdce u drátových potenciometrů).
V principu se autotransformátor chová jako indukční dělič napětí.[2] Společná část vinutí je zatížená (zapojená paralelně k zátěži) a rozdílová část vinutí je zapojená sériově.
Výpočty pro autotransformátor
Průchozí výkon:
kde Pp je průchozí výkon, Us je sekundární napětí, Is je proud odbočky („sekundární“ proud), Up je primární napětí a Ip je primární proud.
Primární proud:
Sekundární proud:
Proud procházející společným vinutím:
Proud rozdílové části vinutí
- při sestupném transformačním poměru:
- při vzestupném poměru:
Napětí rozdílového vinutí:
Transformátorem přenášený výkon (též vnitřní nebo typový výkon):
kde Pp je příkon.
Pro autotransformátor můžeme volit větší proudovou hustotu ve vinutí, např. J = 3 až 3,2 A/mm.
Průměr vodiče společné části:
Průměr vodiče primární (rozdílové) části:
Využití
Autotransformátory často najdeme jako regulovatelné zdroje střídavého napětí v elektrických laboratořích. Používá se také v trakčních kolejových vozidlech (elektrické lokomotivy), kde je hlavní výhodou menší hmotnost autotransformátoru.
Odkazy
Reference
Literatura
- Ottův slovník naučný nové doby, heslo Autotransformátory. Sv. 1, str. 375
Externí odkazy
Obrázky, zvuky či videa k tématu Autotransformátor na Wikimedia Commons