74192


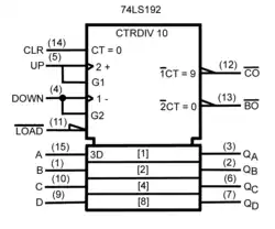
74192 (progr. vratný čítač s nulováním) je integrovaný obvod s nulováním, který byl vytvořen v dubnu 1988. Patří do technologie TTL v řadě 7400. Má 16 nožiček. 4bitový synchronní čítač s přepínáním směru čítání.
Vstupy/Výstupy
Vstupy
Vstupy: CPup, CPdown, MR (reset), PL (paralel load), Pn (paralel data)
Další Vstupy
Další vstupy: Datové vstupy (Data A, Data B, Data C, Data D), CU (count UP), CD (count DOWN), clear, load
Výstupy
Výstup: Qn, TCd (terminal count down), TCu (terminal count up)
Další Výstupy
Další výstupy: Datové výstupy (Qa, Qb, Qc, Qd), carry (přetečení), borrow (podtečení)
Nastavení obvodu
Nastavení Load
Load = 0 → paralelní vstup dat ABCD Load = 1 → čítání
Čítání dolů
CU = CLK (vstup hodin); CD = 1; Clear = 0; Load = 1;
Čítání Nahoru
CU = 1; CD = CLK (vstup hodin); Clear = 0; Load = 1;
Odkazy
Související články
- Seznam logických integrovaných obvodů řady CMOS 4000
- Seznam logických integrovaných obvodů řady 7400
- TTL (logika)
- Čítač
Externí odkazy
Obrázky, zvuky či videa k tématu 74192 na Wikimedia Commons
Portály: Procesory