Šoupátkový rozvod
.jpg)

Šoupátkový rozvod je typ rozvodového mechanismu využívající šoupátka na řízení sání a výfuku pístového motoru. V první polovině dvacátého stolení se tento typ rozvodu používal jako alternativa ventilových rozvodů čtyřdobých motorů. V pozdější době se šoupátkový rozvod používal u dvoudobých motorů s cílem optimalizovat výkon motoru.
Rozdělení podle pohybu šoupátka[1]
- motory s kmitajícím šoupátkem (vratný pohyb po přímé nebo zakřivené dráze):
- mezi pístem a stěnou válce (dutá trubka nebo její segment)
- mimo stěnu válce
- motory s rotačním šoupátkem[2]. Šoupátko rotuje v ose, která je:
- shodná s osou válce
- rovnoběžná s osou válce
- kolmá na osu válce
- shodná s osou klikového hřídele
Příklady řešení
V oblasti pístových spalovacích motorů byly používány některé z následujících řešení:

- Charles Yale Knight – je tvořen dvěma soustřednými válcovými šoupátky, z nichž vnitřní nahrazuje stěny válce motoru. V šoupátku jsou otvory, které se vzájemným posouváním střídavě otevírají a zavírají a řídí tak průtok pracovních plynů. Na posuvné ovládání Knight bylo vydáno více než 30 výrobních licencí, včetně společností Daimler (Mercedes), Panhard & Levassor, Minerva, Hotchkiss, Laurin & Klement .
- Mustad et Fils – používá dvě šoupátka ve tvaru půlválců kolem pístu. Otvory v šoupátku se překrývají při pohybu s otvory v bloku motoru.
- Burt-McCollum – (Peter Burt a James Harry Keighly McCollum) v tomto případě jedno válcovité šoupátko s otvory provádí kolem pístu šroubovitý pohyb a překrývá otvory v bloku motoru.
- Itala – šoupátko s funkcí dvojcestného kohoutu
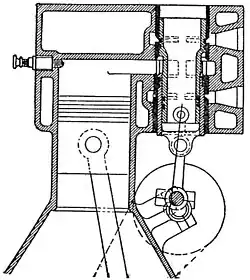
- Bristol – rozvod je umístěn v hlavě válce a je tvořen kluzným pouzdrem ve tvaru válce přítlačnou pružinou k ocelolitinovému rotujícímu šoupátku s otvory.
- Baeer – v tomto systému je těsnicí kluzné pouzdro s otvory přitlačovány tlakem plynů k příčně rotujícímu šoupátku válcového tvaru v hlavě válce. V šoupátku a pouzdře jsou opět otvory, které se střídavě otevírají a překrývají.
- Reynolds[3] – šoupátko (robustní disk) rotuje v ose válce. Patent US1052530A vydaný 11. února 1913.
- Frank Metcalf Aspin – byl tvořen kónickým rotujícím šoupátkem v hlavě válce. Používal se u motocyklových motorů. Patent US2245743A vydaný 17. června 1939
- Roland C. Cross[4] – příčné rotační šoupátko tvaru válcové trubky opatřené dělicí stěnou (přepážkou), která odděluje sání od výfuku. Na jedné straně je umístěn karburátor, na druhé straně výfukové potrubí.
- Minerva-Bournonville – konstrukce s příčné rotačním šoupátkem tvaru válcové trubky. Tímto řešením sledovala fa Minerva opuštění licenčního motoru Knight
- Zimmermann – patent DE948019C ze dne 28. března 1956, ploché šoupátko, které se otáčí v klikové skříni dvoudobých motorů
Odkazy
Reference
V tomto článku byl použit překlad textu z článku Posúvačový rozvod na slovenské Wikipedii.
- ↑ MACKERLE, Julius. Rozvod automobilového a leteckého motoru. 1.. vyd. Praha: Ústav pro učebné pomůcky průmyslových a odborných škol, 1947. 244 s. S. 115–142.
- ↑ Rotary-Valve Internal Combustion Engines. Workbench Tool Box for Private Workshops.. www.douglas-self.com [online]. [cit. 2023-02-07]. Dostupné online.
- ↑ 1911 Reynolds Rotary Valve 4-Cyl. Engine. Speedway Motors Museum of American Speed [online]. [cit. 2023-02-07]. Dostupné online. (anglicky)
- ↑ R.C. Cross Motorcycles. Classic Motorcycles at Sheldon's Emu [online]. [cit. 2023-02-07]. Dostupné online. (anglicky)
Související články
Literatura
- Trnka J., Urban J .: Spalovací motory. Alfa Bratislava, 1992.
Externí odkazy
Obrázky, zvuky či videa k tématu šoupátkový rozvod na Wikimedia Commons - Animace šoupátkového rozvodu Bristol
Portály: Automobil | Letectví